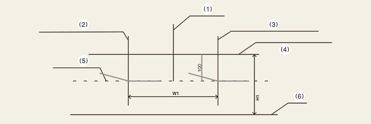
Halvljusstrålkastare (högerstyrd modell)

OSV074066L
-
Vertikal linje för glödlampans mitt i vänster strålkastare
-
Avgränsningslinje
-
Fordonsaxel
-
Vertikal linje för glödlampans mitt i höger strålkastare
-
Horisontell linje för strålkastarens mitt
-
Mark
Användning
-
Tänd halvljuset utan förare i bilen.
-
Avskärningslinjen ska projiceras i avskärningslinjen som visas på bilden.
-
När du ställer in halvljuset ska den vertikala justeringen göras efter den horisontella.
-
Lossa parkeringsbromsen och lägg växeln i N (Neutral) och, om strålkastarjusteringsanordning finns, ställ in strömbrytaren för strålkastarjustering till “0”.