Scheinwerfer und Nebelscheinwerfer ausrichten (Für Europa)
Scheinwerfer ausrichten


Betrieb
-
Pumpen Sie die Reifen mit dem vorgeschriebenen Luftdruck auf. Außer dem Fahrer, dem Ersatzrad und den Werkzeugen dürfen sich keine Lasten im Fahrzeug befinden.
-
Das Fahrzeug muss auf ebenem Untergrund stehen.
-
Zeichnen Sie vertikale Linien (die durch die jeweiligen Mittelpunkte der Scheinwerfer führen) und eine horizontale Linie (die durch die Mittelpunkte der Scheinwerfer führt) auf die Leinwand.
-
Wenn die Scheinwerfer und die Batterie normal funktionieren, richten Sie die Scheinwerfer so aus, dass der hellste Punkt auf die horizontalen und vertikalen Linien fällt.
-
Um das Abblendlicht nach links oder rechts auszurichten, drehen Sie den Schraubendreher (1) nach links oder rechts. Um das Abblendlicht nach oben und unten zu verstellen, drehen Sie den Schraubendreher (2) nach links oder nach rechts.
Nebelscheinwerfer ausrichten (ausstattungsabhängig)


Die Nebelscheinwerfer können auf die gleiche Weise wie die Scheinwerfer ausgerichtet werden. Richten Sie die Nebelscheinwerfer und die Batterie im Normalzustand auf die Nebelscheinwerfer aus.
Betrieb
-
Drehen Sie den Schraubenzieher im oder gegen den Uhrzeigersinn, um den Nebelscheinwerfer nach oben oder unten zu richten.
Ausrichtungspunkt


* A: Anzeige
|
Fahrzeugzustand |
Scheinwerfer |
Nebelscheinwerfer (LED-Typ) (ausstattungsabhängig) |
|||||
|---|---|---|---|---|---|---|---|
|
Höhe über Grund |
Entfernung zwischen Lampen |
Höhe über Grund |
Entfernung zwischen Lampen |
||||
|
Abblendlicht/Fernlicht |
Abblendlicht/Fernlicht |
||||||
|
H1 |
H2 |
W1 |
W2 |
H3 |
W3 |
||
|
ohne Fahrer [mm (Zoll)] |
Typ A |
727,4 (28,6) |
1.470,4 (57,9) |
354,8 (14,0) |
1.060 (41,7) |
||
|
Typ B |
750,0 (29,5) |
681,1 (26,8) |
1.479,8 (58,3) |
1.478,5 (58,2) |
|||
|
mit Fahrer [mm (Zoll)] |
Typ A |
717,4 (28,2) |
1.470,4 (57,9) |
344,8 (13,6) |
1.060 (41,7) |
||
|
Typ B |
740,0 (29,1) |
671,1 (26,4) |
1.479,8 (58,3) |
1.478,5 (58,2) |
|||
Abblendlicht (links)

-
A: Fahrzeugachse
-
B: Vertikale Linie vom Mittelpunkt der linken Scheinwerferglühbirne
-
C: Vertikale Linie vom Mittelpunkt der rechten Scheinwerferglühbirne
-
D: Horizontale Linie vom Mittelpunkt der Scheinwerferglühbirne
-
E: Boden
-
F: Grenzlinie
Betrieb
-
Schalten Sie das Abblendlicht ein, wobei der Fahrersitz unbesetzt bleibt.
-
Die Grenzlinie muss wie in der Abbildung gezeigt projiziert werden.
-
Beim Einstellen des Abblendlichts sollte zunächst die horizontale und erst dann die vertikale Einstellung erfolgen.
-
Wenn das Fahrzeug mit einer Scheinwerferhöhenverstellung ausgestattet ist, stellen Sie die Scheinwerferhöhe mit 0 Positionen ein.
Abblendlicht (rechts)

-
A: Fahrzeugachse
-
B: Vertikale Linie vom Mittelpunkt der linken Scheinwerferglühbirne
-
C: Vertikale Linie vom Mittelpunkt der rechten Scheinwerferglühbirne
-
D: Horizontale Linie vom Mittelpunkt der Scheinwerferglühbirne
-
E: Boden
-
F: Grenzlinie
Betrieb
-
Schalten Sie das Abblendlicht ein, wobei der Fahrersitz unbesetzt bleibt.
-
Die Grenzlinie muss wie in der Abbildung gezeigt projiziert werden.
-
Beim Einstellen des Abblendlichts sollte zunächst die horizontale und erst dann die vertikale Einstellung erfolgen.
-
Wenn das Fahrzeug mit einer Scheinwerferhöhenverstellung ausgestattet ist, stellen Sie die Scheinwerferhöhe mit 0 Positionen ein.
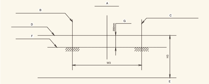
Nebelscheinwerfer (ausstattungsabhängig)

-
A: Fahrzeugachse
-
B: Vertikale Linie vom Mittelpunkt der linken Nebelleuchten-Glühbirne
-
C: Vertikale Linie vom Mittelpunkt der rechten Nebelleuchten-Glühbirne
-
D: Horizontale Linie vom Mittelpunkt der Nebelscheinwerferglühbirne
-
E: Boden
-
F: Grenzlinie
-
G: Obergrenze
Betrieb
-
Schalten Sie die Nebelscheinwerfer ein, ohne dass der Fahrer im Fahrzeug ist.
-
Die Hell-Dunkel-Grenze sollte im zulässigen Bereich liegen (schraffierte Region).