Reboque de atrelados - apenas para a Europa (1 tonelada apenas)

Rebocar um atrelado
Se não utilizar o equipamento correto e/ou conduzir de forma descuidada, pode perder o controlo do veículo ao rebocar um atrelado. Por exemplo, se o atrelado tiver peso a mais, os travões podem não atuar devidamente, ou não atuar de todo. Por conseguinte, o condutor e os seus passageiros poderão sofrer lesões graves ou fatais. Reboque o atrelado apenas quando tiver a certeza de ter seguido os passos indicados nesta secção.

Limites de peso
Antes de rebocar, certifique-se de que o peso total do atrelado, o GCW (peso bruto do conjunto veículo-atrelado), o GVW (peso bruto do veículo), o GAW (peso bruto sobre o eixo) e a carga sobre o eixo do atrelado estão todos dentro dos limites legais.

Para a Europa
-
A carga máxima tecnicamente admissível no(s) eixo(s) traseiro(s) pode ser excedida no máximo em 15%, e a massa máxima em carga tecnicamente admissível do veículo pode ser excedida no máximo em 10% ou 100 kg (220,4 lbs), conforme o valor que for mais baixo. Neste caso, não ultrapasse os 100 km/h (62,1 mph) para veículos da categoria M1 ou 80 km/h (49,7 mph) para veículos da categoria N1.
-
Ao rebocar um atrelado, a carga adicional imposta ao dispositivo de acoplamento pode exceder a carga nominal máxima dos pneus traseiros, mas não em mais de 15%. Neste caso, não exceda 100 km/h, sendo que a pressão do pneu traseiro deve ser de, pelo menos, 20 kPa (0,2 bar) acima da(s) pressão(ões) de pneus, como recomendado para uso normal (ou seja, sem um atrelado).

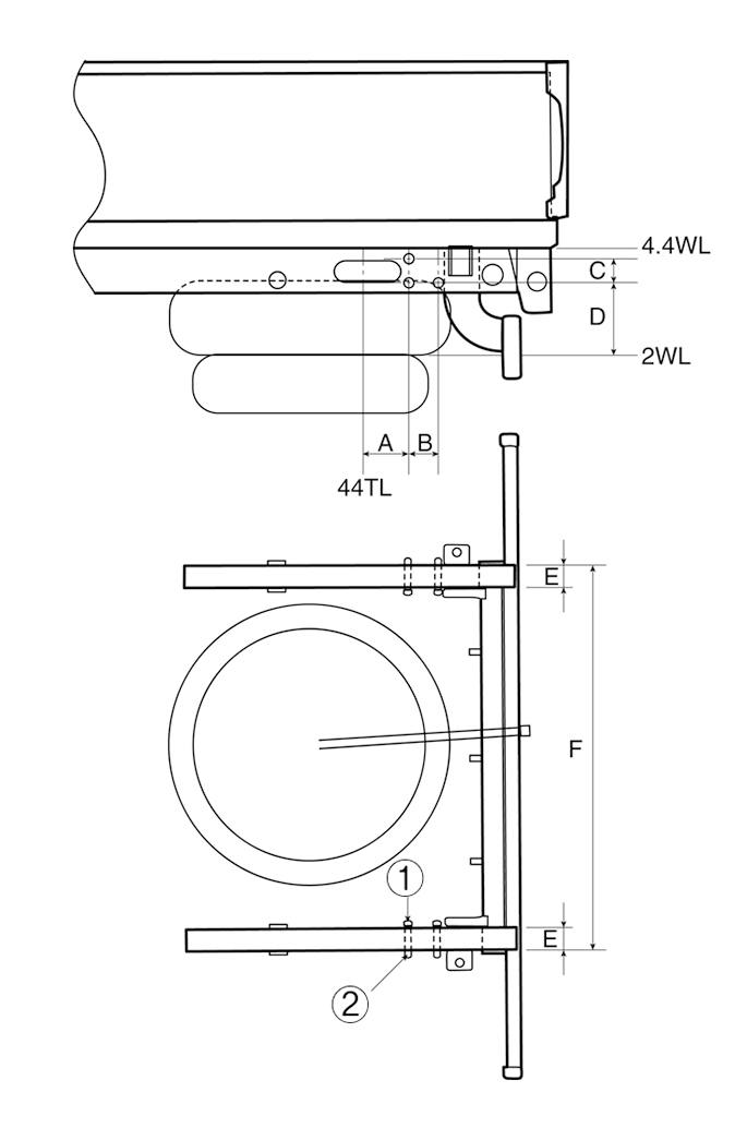
* 1: colar 2: parafuso 6-M 12
A : 165 (6,50)
B: 70 (2,76)
C: 55 (2,17)
D: 165 (6,50)
E: 50 (1,97)
F: 880 (34,65)
O seu veículo pode rebocar um atrelado. Para saber qual a capacidade de reboque do seu veículo, consulte a secção "Peso do atrelado", mais à frente nesta seção.
Lembre-se que rebocar um atrelado é diferente de conduzir o veículo sem atrelado. A condução com atrelado implica diferenças na maneabilidade, durabilidade e consumo médio de combustível. O reboque de um atrelado tranquilo e em segurança exige a utilização adequada do equipamento correto.
Esta secção dá conta de muitas sugestões e regras de segurança, de eficácia comprovada. Muitas delas são importantes para a segurança do condutor e dos passageiros. Leia atentamente esta secção antes de rebocar um atrelado.
Os componentes que puxam a carga (motor, caixa de velocidades, conjuntos das rodas e pneus) são sujeitos a um maior esforço devido à carga do peso extra do atrelado. O motor é obrigado a trabalhar em regimes mais elevados e sob cargas superiores. Este peso adicional gera mais aquecimento. O atrelado aumenta também de forma considerável a resistência ao vento, agravando o esforço necessário para puxar a carga.