A fényszóró és az első ködfényszóró beállítása (Európában)
A fényszóró beállítása


Használat
-
Fújja fel a gumiabroncsokat az előírt nyomásra, és távolítsa el az összes súlyt a gépkocsiból a vezető, a pótkerék és a szerszámok kivételével.
-
A gépkocsival vízszintes talajra kell állni.
-
Rajzoljon a képernyőre függőleges vonalakat (amelyek az adott fényszórók középpontjain haladnak át) és egy vízszintes vonalat (amely a fényszórók középpontján halad át).
-
A fényszóró és az akkumulátor normál állapotában állítsa be a fényszórókat úgy, hogy a legfényesebb rész a vízszintes és függőleges vonalakra essen.
-
A tompított fényszóró balra vagy jobbra állításához forgassa a csavarhúzót (1) az óramutató járásával megegyező, illetve ellentétes irányba. A tompított fényszóró felfelé vagy lefelé történő állításához forgassa a csavarhúzót (2) az óramutató járásával megegyező, illetve ellentétes irányba.
Az első ködlámpa beállítása (felszereltségtől függően)


Az első ködlámpa ugyanazzal a módszerrel állítható be, mint a fényszóró. Amikor az első ködlámpa és az elem megfelelő állapotban van, kapcsolja be az első ködlámpát.
Használat
-
Az elülső ködlámpa beállításához forgassa a csavarhúzót az óra járásával megegyező vagy azzal ellentétes irányba.
Célzópont


* A: Képernyő
|
A gépkocsi állapota |
Fényszóró |
Első ködfényszóró (LED-es típus) (felszereltségtől függően) |
|||||
|---|---|---|---|---|---|---|---|
|
Talajtól számított magasság |
Lámpák közötti távolság |
Talajtól számított magasság |
Lámpák közötti távolság |
||||
|
Tompított/országúti fényszóró |
Tompított/országúti fényszóró |
||||||
|
H1 |
H2 |
W1 |
W2 |
H3 |
W3 |
||
|
vezető nélkül [mm] |
A típus |
727,4 (28,6) |
1 470,4 (57,9) |
354,8 (14,0) |
1 060 (41,7) |
||
|
B típus |
750,0 (29,5) |
681,1 (26,8) |
1 479,8 (58,3) |
1 478,5 (58,2) |
|||
|
vezetővel [mm] |
A típus |
717,4 (28,2) |
1 470,4 (57,9) |
344,8 (13,6) |
1 060 (41,7) |
||
|
B típus |
740,0 (29,1) |
671,1 (26,4) |
1 479,8 (58,3) |
1 478,5 (58,2) |
|||
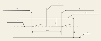
Tompított fényszóró (balkormányos jármű)

-
A: A: Járműtengely
-
B: A bal oldali fényszóróizzó középpontjának függőleges vonala
-
C: A jobb oldali fényszóróizzó középpontjának függőleges vonala
-
D: A fényszóró izzó középpontjának vízszintes vonala
-
E: Talaj
-
F: Leválasztó vonal
Használat
-
Kapcsolja fel a tompított fényszórót úgy, hogy a vezető ne tartózkodjon a gépkocsiban.
-
A megfelelő törésvonal a képen látható.
-
A tompított fényszóró beállításakor először a vízszintes beállítást, azután a függőleges beállítást kell elvégezni.
-
Ha a gépkocsi fényszóró-magasságállító berendezéssel van felszerelve, akkor állítsa a fényszóró magasságállító berendezés kapcsolóját „0” állásba.
Tompított fényszóró (jobbkormányos jármű)

-
A: A: Járműtengely
-
B: A bal oldali fényszóróizzó középpontjának függőleges vonala
-
C: A jobb oldali fényszóróizzó középpontjának függőleges vonala
-
D: A fényszóró izzó középpontjának vízszintes vonala
-
E: Talaj
-
F: Leválasztó vonal
Használat
-
Kapcsolja fel a tompított fényszórót úgy, hogy a vezető ne tartózkodjon a gépkocsiban.
-
A megfelelő törésvonal a képen látható.
-
A tompított fényszóró beállításakor először a vízszintes beállítást, azután a függőleges beállítást kell elvégezni.
-
Ha a gépkocsi fényszóró-magasságállító berendezéssel van felszerelve, akkor állítsa a fényszóró magasságállító berendezés kapcsolóját „0” állásba.
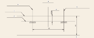
Első ködlámpa (felszereltségtől függően)

-
A: A: Járműtengely
-
B: A bal oldali ködfényszóróizzó középpontjának függőleges vonala
-
C: A jobb oldali ködfényszóróizzó középpontjának függőleges vonala
-
D: A ködfényszóróizzó középpontjának vízszintes vonala
-
E: Talaj
-
F: Leválasztó vonal
-
G: Felső határérték
Használat
-
Kapcsolja be az első ködlámpát úgy, hogy a vezető nem ül az autóban.
-
A leválasztó vonalnak a megengedett tartományon belül kell lennie (árnyékolt terület).