Mierenie svetla svetlometov a hmlového svetla (pre Európu)
Mierenie svetlometov


Prevádzka
-
Nahustite pneumatiky na predpísaný tlak a odstráňte z vozidla všetky záťaže s výnimkou vodiča, náhradnej pneumatiky a nástrojov.
-
Vozidlo by malo byť umiestnené na rovnom povrchu.
-
Nakreslite na obrazovke zvislé čiary (zvislé čiary, ktoré prechádzajú príslušnými stredmi svetlometov) a vodorovnú čiaru (vodorovnú čiaru prechádzajúci cez stredu svetlometov).
-
Keď sú svetlomety a batéria v normálnom stave, nasmerujte svetlomety tak, aby najjasnejšia časť dopadala na vodorovné a zvislé čiary.
-
Ak chcete namieriť stretávacie svetlá viac doľava alebo doprava, otáčajte skrutkovačom (1) v smere alebo proti smeru hodinových ručičiek. Na naklonenie stretávacích svetiel hore alebo dole otáčajte skrutkovačom (2) v smere alebo proti smeru hodinových ručičiek.
Mierenie predného hmlového svetla (ak sa nachádza vo výbave)


Predné hmlové svetlo môžete nastaviť rovnakým spôsobom ako svetlomety. Keď sú predné hmlové svetlá a batéria v normálnom stave, nastavte predné hmlové svetlá.
Prevádzka
-
Otáčaním skrutkovača v smere alebo proti smeru hodinových ručičiek nasmerujte predné hmlové svetlo nahor alebo nadol.
Bod namierenia


* A: Obrazovka
|
Stav vozidla |
Svetlomet |
Predné hmlové svetlo (typ LED) (ak sa nachádza vo výbave) |
|||||
|---|---|---|---|---|---|---|---|
|
Výška nad zemou |
Vzdialenosť medzi svetlami |
Výška nad zemou |
Vzdialenosť medzi svetlami |
||||
|
Tlmené/diaľkové svetlo |
Tlmené/diaľkové svetlo |
||||||
|
H1 |
H2 |
W1 |
W2 |
H3 |
W3 |
||
|
bez vodiča [mm (palce)] |
Typ A |
727,4 (28,6) |
1470,4 (57,9) |
354,8 (14,0) |
1060 (41,7) |
||
|
Typ B |
750,0 (29,5) |
681,1 (26,8) |
1479,8 (58,3) |
1478,5 (58,2) |
|||
|
s vodičom [mm (palce)] |
Typ A |
717,4 (28,2) |
1470,4 (57,9) |
344,8 (13,6) |
1060 (41,7) |
||
|
Typ B |
740,0 (29,1) |
671,1 (26,4) |
1479,8 (58,3) |
1478,5 (58,2) |
|||
Stretávacie svetlá svetlometov (vozidlo LHD)

-
A: Os vozidla
-
B: Vertikálna línia stredu žiarovky ľavého predného svetlometu
-
C: Vertikálna línia stredu žiarovky pravého predného svetlometu
-
D: Horizontálna línia stredu žiarovky predného svetlometu
-
E: Zem
-
F: Hraničná línia
Prevádzka
-
Zapnite stretávacie svetlá bez prítomnosti vodiča vo vozidle.
-
Hraničná línia by sa mala zhodovať s hraničnou líniou zobrazenou na obrázku.
-
Keď zameriavate stretávacie svetlá, vertikálne zameranie sa vykonáva po upravení horizontálneho zamerania.
-
Ak je vozidlo vybavené zariadením na vyrovnávanie svetlometov, nastavte spínač zariadenia na vyrovnanie svetlometov do polohy 0.
Stretávacie svetlá svetlometov (vozidlo RHD)

-
A: Os vozidla
-
B: Vertikálna línia stredu žiarovky ľavého predného svetlometu
-
C: Vertikálna línia stredu žiarovky pravého predného svetlometu
-
D: Horizontálna línia stredu žiarovky predného svetlometu
-
E: Zem
-
F: Hraničná línia
Prevádzka
-
Zapnite stretávacie svetlá bez prítomnosti vodiča vo vozidle.
-
Hraničná línia by sa mala zhodovať s hraničnou líniou zobrazenou na obrázku.
-
Keď zameriavate stretávacie svetlá, vertikálne zameranie sa vykonáva po upravení horizontálneho zamerania.
-
Ak je vozidlo vybavené zariadením na vyrovnávanie svetlometov, nastavte spínač zariadenia na vyrovnanie svetlometov do polohy 0.
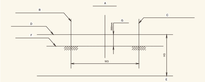
Predné hmlové svetlo (ak sa nachádza vo výbave)

-
A: Os vozidla
-
B: Vertikálna línia stredu žiarovky ľavého hmlového svetla
-
C: Vertikálna línia stredu žiarovky pravého hmlového svetla
-
D: Horizontálna línia stredu žiarovky hmlového svetla
-
E: Zem
-
F: Hraničná línia
-
G: Horná hranica
Prevádzka
-
Zapnite hmlové svetlo bez vodiča vo vozidle.
-
Prerušovaná línia by sa mala zobrazovať v povolenom rozsahu (sivá oblasť).