Буксировка прицепа - только для стран Европы (только для автомобилей массой 1 тонна)

Буксировка прицепа
Если вы используете неправильно подобранное оборудование и неправильные приемы вождения, то при буксировке прицепа автомобиль может потерять управление. Например, если прицеп слишком тяжелый, тормоза могут работать плохо или не работать вообще. Вы и ваши пассажиры могут получить серьезные или смертельные травмы. Приступайте к буксировке прицепа только после того как выполните все действия, описанные в данном разделе.

Ограничения по массе
Перед тем как буксировать прицеп, убедитесь в том, что общая масса прицепа, GCW (полная масса автомобиля с прицепом), GVW (полная масса автомобиля), GAW (полная нагрузка на ось) и нагрузка на дышло прицепа находятся в разрешенных пределах.

Для Европы
-
Технически допустимую максимальную нагрузку на заднюю ось (оси) можно превышать не более чем на 15 %, а технически допустимую массу загрузки автомобиля — не более чем на 10 % или 100 кг (220,4 фунта), в зависимости от того, какое из этих значений меньше. В этом случае не следует превышать скорость 100 км/ч (62,1 мили/ч).
-
При буксировке прицепа дополнительная нагрузка на тягово-сцепное устройство может стать причиной превышения максимальной номинальной нагрузки на задние шины, которое не должно составлять более 15 %. В этом случае не следует превышать скорость 100 км/ч, а давление в задних шинах должно быть по меньшей мере на 20 кПа (0,2 бар) выше давления в шинах, рекомендованного для нормальных условий эксплуатации (т. е. без прицепа).

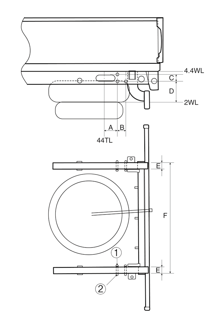
* 1: хомут 2: болт 6-M 12
A: 165 (6,50)
B: 70 (2,76)
C: 55 (2,17)
D: 165 (6,50)
E: 50 (1,97)
F: 880 (34,65)

Монтажные отверстия для креплений фаркопов расположены по обеим сторонам днища кузова за задними колесами.
Ваш автомобиль может использоваться для буксировки прицепа. Допустимая масса прицепа для буксировки указана в пункте Масса прицепа, который приведен ниже в этом разделе.
Помните, что управление автомобилем с прицепом отличается от управления автомобилем без прицепа. При буксировке изменяется управляемость, продолжительность поездки и расход топлива. Для безопасной буксировки прицепа необходимо соответствующее оборудование, которое нужно правильно использовать.
В этом разделе приводятся испытанные временем советы по буксировке прицепа и правила безопасности. Эти рекомендации важны как для вашей безопасности, так и для безопасности ваших пассажиров. Перед тем как приступать к буксировке прицепа, внимательно прочтите данный раздел.
Под действием дополнительной нагрузки компоненты, обеспечивающие тягу (двигатель, КПП, колеса и шины), подвергаются большей нагрузке. Двигатель должен работать на более высоких оборотах и при более высоких нагрузках. Под действием дополнительной нагрузки выделяется больше тепла. Кроме того, прицеп значительно повышает сопротивление ветру, увеличивая требования к тяге.