Abblendlicht (rechts)

OSV074066L
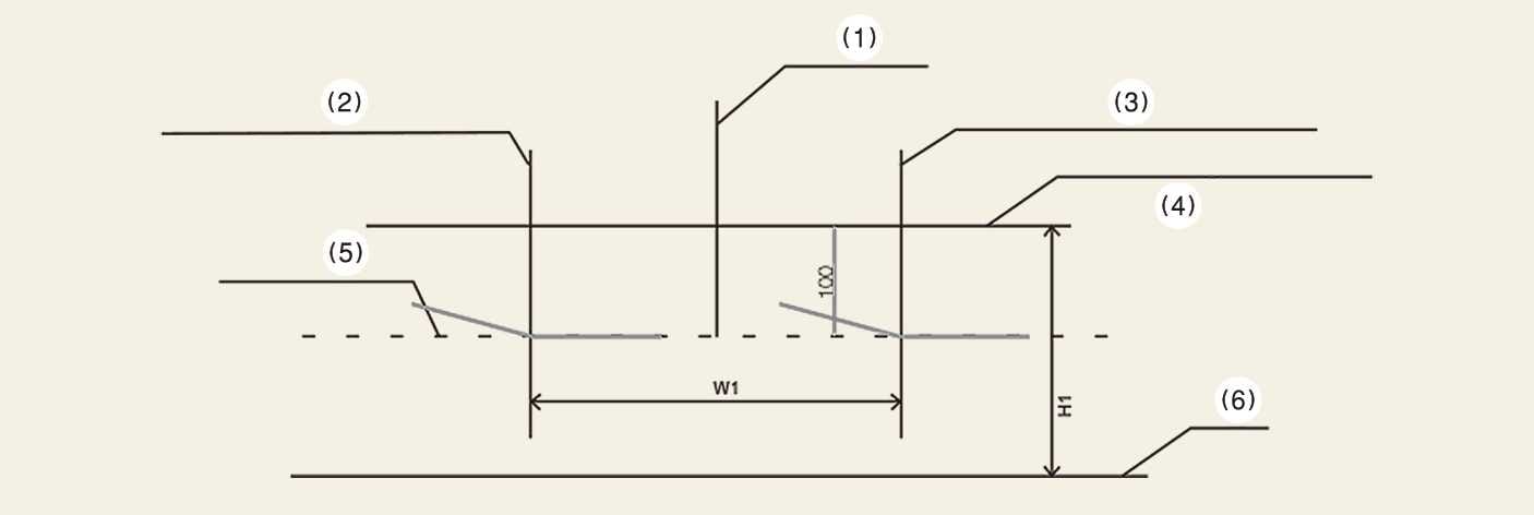
-
Vertikale Linie vom Mittelpunkt der linken Scheinwerferglühbirne
-
Grenzlinie
-
Fahrzeugachse
-
Vertikale Linie vom Mittelpunkt der rechten Scheinwerferglühbirne
-
Horizontale Linie vom Mittelpunkt der Scheinwerferglühbirne
-
Boden
Betrieb
-
Schalten Sie das Abblendlicht ein, wobei der Fahrersitz unbesetzt bleibt.
-
Die Grenzlinie muss wie in der Abbildung gezeigt projiziert werden.
-
Beim Einstellen des Abblendlichts sollte zunächst die horizontale und erst dann die vertikale Einstellung erfolgen.
-
Lösen Sie die Feststellbremse und bringen Sie den Gang auf N (Neutralstellung). Stellen Sie außerdem den Schalter der Leuchtweitenregulierung (ausstattungsabhängig) auf „0“.

