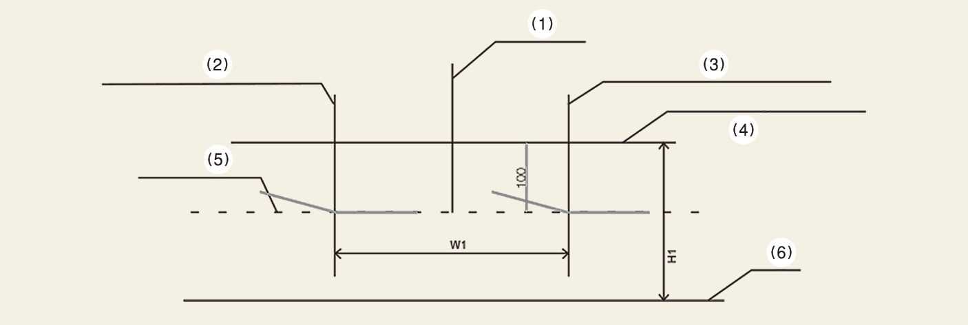
Dimlicht koplamp (stuur rechts)

OSV074066L
-
Verticale lijn door middelpunt van linker koplamp
-
Knik
-
As van auto
-
Verticale lijn door middelpunt van rechter koplamp
-
Horizontale lijn door middelpunt van koplamp
-
Grond
Procedure
-
Zet het dimlicht aan zonder de bestuurder in de auto.
-
De begrenzingslijn moet worden geprojecteerd op de plaats van de begrenzingslijn in de afbeelding.
-
Bij het afstellen van het dimlicht, stelt u eerst horizontaal af en vervolgens verticaal.
-
Schakel de handrem uit en zet de versnelling in N (neutraal), en als de koplampafstelinrichting is uitgerust, zet de schakelaar van de koplampafstelinrichting op '0'.

