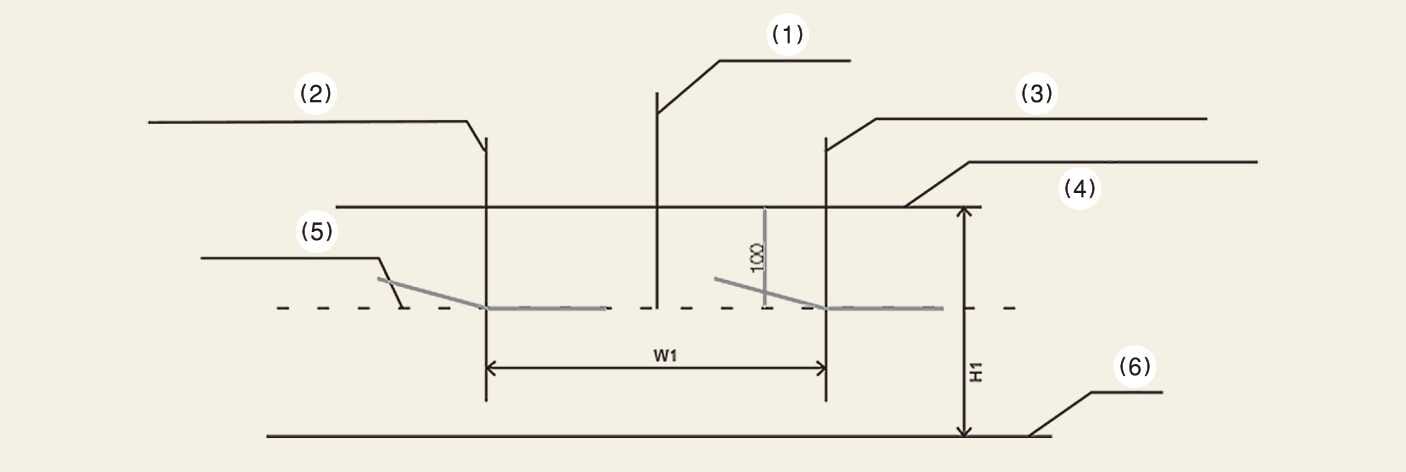
Head lamp low beam (LHD Vehicle)

OSV074066L
-
Vertical line of the left head lamp bulb centre
-
Cut-Off line
-
Vehicle axis
-
Vertical line of the right head lamp bulb centre
-
Horizontal line of head lamp bulb centre
-
Ground
Operation
-
Turn the low beam on without driver aboard.
-
The cut-off line should be projected in the cut-off line shown in the picture.
-
When aiming the low beam, vertical aiming should be adjusted after adjusting the horizontal aiming.
-
Disengage the parking brake and put the gear in N (Neutral), in addition, if headlamp levelling device is equipped, adjust the headlamp levelling device switch to '0'.