Direcionamento dos faróis e luzes de nevoeiro dianteiras (para a Europa)
Alinhamento dos faróis


Funcionamento
-
Encha os pneus com a pressão indicada e retire eventuais cargas do veículo exceto o condutor, o pneu sobresselente e as ferramentas.
-
O veículo deve ser colocado num local plano.
-
Trace linhas verticais (que passem pelos respetivos centros dos faróis) e uma linha horizontal (que passe pelo centro dos faróis) na tela.
-
Com os faróis e a bateria em condições normais, direcione os faróis de modo a que a parte mais luminosa assente nas linhas horizontal e verticais.
-
Para direcionar os médios para a esquerda ou para a direita, rode a chave de fendas (1) para a direita ou para a esquerda. Para direcionar os médios para cima ou para baixo, rode a chave de fendas (2) para a direita ou para a esquerda.
Alinhamento da luz de nevoeiro dianteira (se instalado)


A luz de nevoeiro dianteira pode ser alinhada da mesma forma que o alinhamento dos faróis. Com as luzes de nevoeiro dianteiras e a bateria no estado normal, direcione as luzes de nevoeiro dianteiras.
Funcionamento
-
Rode a chave de parafusos de cabeça achatada para a esquerda ou direita para direcionar as luzes de nevoeiro dianteiras para cima ou para baixo.
Ponto de alinhamento


* A: Tela
|
Condições do veículo |
Faróis dianteiros |
Luz de nevoeiro dianteira (tipo LED) (se instalada) |
|||||
|---|---|---|---|---|---|---|---|
|
Altura ao solo |
Distância entre as luzes |
Altura ao solo |
Distância entre as luzes |
||||
|
Médios/máximos |
Médios/máximos |
||||||
|
H1 |
H2 |
W1 |
W2 |
H3 |
W3 |
||
|
sem condutor [mm (pol.)] |
Tipo A |
745,9 (29,4) |
1.470,4 (57,9) |
373,7 (14,7) |
1.034 (40,7) |
||
|
Tipo B |
768,6 (30,3) |
699,6 (27,5) |
1.479,8 (58,3) |
1.478,5 (58,2) |
|||
|
com condutor [mm (pol.)] |
Tipo A |
735,9 (29,0) |
1.470,4 (57,9) |
363,7 (14,3) |
1.034 (40,7) |
||
|
Tipo B |
758,6 (30,0) |
689,6 (27,1) |
1.479,8 (58,3) |
1.478,5 (58,2) |
|||
Médios (Veículo LHD)

-
A: Eixo do veículo
-
B: Linha vertical do centro da lâmpada da luz dianteira esquerda
-
C: Linha vertical do centro da lâmpada da luz dianteira direita
-
D: Linha horizontal do centro da lâmpada da luz dianteira
-
E: Solo
-
F: Linha de recorte
Funcionamento
-
Ligue os médios sem o condutor no veículo.
-
A linha de recorte deve ser projetada na linha de recorte indicada na imagem.
-
Na focalização dos médios, a focalização vertical deve ser ajustada após o ajuste da focalização horizontal.
-
Se o veículo estiver equipado com dispositivo de nivelamento dos faróis, ajuste-o para as posições 0.
Médios (Veículo RHD)

-
A: Eixo do veículo
-
B: Linha vertical do centro da lâmpada da luz dianteira esquerda
-
C: Linha vertical do centro da lâmpada da luz dianteira direita
-
D: Linha horizontal do centro da lâmpada da luz dianteira
-
E: Solo
-
F: Linha de recorte
Funcionamento
-
Ligue os médios sem o condutor no veículo.
-
A linha de recorte deve ser projetada na linha de recorte indicada na imagem.
-
Na focalização dos médios, a focalização vertical deve ser ajustada após o ajuste da focalização horizontal.
-
Se o veículo estiver equipado com dispositivo de nivelamento dos faróis, ajuste-o para as posições 0.
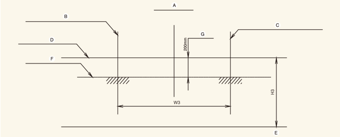
Luz de nevoeiro dianteira (se instalado)

-
A: Eixo do veículo
-
B: Linha vertical do centro da lâmpada da luz de nevoeiro esquerda
-
C: Linha vertical do centro da lâmpada da luz de nevoeiro direita
-
D: Linha horizontal do centro da lâmpada da luz de nevoeiro
-
E: Solo
-
F: Linha de recorte
-
G: Limite superior
Funcionamento
-
Ligue a luz de nevoeiro dianteira sem o condutor ligado.
-
A linha de recorte deve ser projetada no intervalo permitido (região sombreada)