Inställning av strålkastare och dimljus (Europa)
Inställning av strålkastare


Användning
-
Pumpa däcken till angivet lufttryck och ha ingen last i bilen utöver förare, reservhjul och verktyg.
-
Bilen bör stå parkerad på ett plant golv.
-
Rita vertikala linjer (genom centrum på respektive strålkastare) och en horisontell linje (den horisontella linjen ska gå genom centrum på respektive strålkastare) på väggen.
-
Strålkastarlampor och batteri ska vara i god kondition. Ställ in strålkastarna så att det ljusaste fältet riktas mot de horisontella och vertikala linjerna.
-
Vrid skruvmejsel (1) medurs eller moturs för att rikta halvljuset åt vänster eller höger. Vrid skruvmejsel (2) medurs eller moturs för att höja eller sänka halvljuset.
Inställning av dimljus fram (i förekommande fall)


Det främre dimljuset kan riktas in på samma sätt som strålkastarna. Rikta in de främre dimljusen då dimljusen och batteriet är i normalt tillstånd.
Användning
-
Vrid skruvmejseln medurs eller moturs för att höja eller sänka det främre dimljuset.
Riktmärke


* A: Skärm
|
Bilens kondition |
Strålkastare |
Främre dimljus (LED-typ) (i förekommande fall) |
|||||
|---|---|---|---|---|---|---|---|
|
Markhöjd |
Avstånd mellan lamporna |
Markhöjd |
Avstånd mellan lamporna |
||||
|
Halv/Helljus |
Halv/Helljus |
||||||
|
H1 |
H2 |
W1 |
W2 |
H3 |
W3 |
||
|
utan förare [mm (in)] |
Typ A |
745,9 (29,4) |
1 470,4 (57,9) |
373,7 (14,7) |
1 034 (40,7) |
||
|
Typ B |
768,6 (30,3) |
699,6 (27,5) |
1 479,8 (58,3) |
1 478,5 (58,2) |
|||
|
med förare [mm (in)] |
Typ A |
735,9 (29,0) |
1 470,4 (57,9) |
363,7 (14,3) |
1 034 (40,7) |
||
|
Typ B |
758,6 (30,0) |
689,6 (27,1) |
1 479,8 (58,3) |
1 478,5 (58,2) |
|||
Strålkastare, halvljus (vänsterstyrd modell)

-
A: Fordonsaxel
-
B: Vertikal linje för glödlampans mitt i vänster strålkastare
-
C: Vertikal linje för glödlampans mitt i höger strålkastare
-
D: Horisontell linje för strålkastarens mitt
-
E: Mark
-
F: Avgränsningslinje
Användning
-
Tänd halvljuset utan förare i bilen.
-
Avskärningslinjen ska projiceras i avskärningslinjen som visas på bilden.
-
När du ställer in halvljuset ska den vertikala justeringen göras efter den horisontella.
-
Om bilen har ett reglage för strålkastarinställning ska det ställas in på läget 0.
Halvljusstrålkastare (högerstyrd modell)

-
A: Fordonsaxel
-
B: Vertikal linje för glödlampans mitt i vänster strålkastare
-
C: Vertikal linje för glödlampans mitt i höger strålkastare
-
D: Horisontell linje för strålkastarens mitt
-
E: Mark
-
F: Avgränsningslinje
Användning
-
Tänd halvljuset utan förare i bilen.
-
Avskärningslinjen ska projiceras i avskärningslinjen som visas på bilden.
-
När du ställer in halvljuset ska den vertikala justeringen göras efter den horisontella.
-
Om bilen har ett reglage för strålkastarinställning ska det ställas in på läget 0.
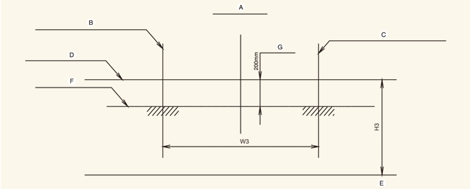
Dimljus fram (i förekommande fall)

-
A: Fordonsaxel
-
B: Vertikal linje för glödlampans mitt i vänster dimljus
-
C: Vertikal linje för glödlampans mitt i höger dimljus
-
D: Horisontell linje för glödlampans mitt i halvljus
-
E: Mark
-
F: Avgränsningslinje
-
G: Övre gräns
Användning
-
Tänd det främre dimljuset utan att föraren är i bilen.
-
Avgränsningslinjen bör visas inom det tillåtna området (skuggad del).