Priekšējo lukturu un miglas lukturu orientēšana (Eiropai)
Priekšējo lukturu orientēšana


Lietošana
-
Piepumpējiet riepas līdz norādītajam spiedienam un izņemiet visas kravas no automobiļa, izņemot vadītāju, rezerves riepu un darbarīkus.
-
Automašīna jānovieto uz līdzenas virsmas.
-
Uz ekrāna uzzīmējiet vertikālas līnijas (vertikālas līnijas iet caur attiecīgo priekšējo lukturu centriem) un horizontālu līniju (horizontāla līnija iet caur priekšējo lukturu centriem).
-
Pārliecinoties, ka priekšējie lukturi un akumulators ir darba kārtībā, orientējiet priekšējos lukturus tā, lai spožākā gaismas staru daļa kristu uz horizontālajām un vertikālajām līnijām.
-
Lai pavērstu tuvās gaismas pa kreisi vai pa labi, pagrieziet skrūvgriezi (1) pulksteņrādītāju kustības virzienā vai pretējā virzienā. Lai pavērstu tuvās gaismas uz augšu vai uz leju, pagrieziet skrūvgriezi (2) pulksteņrādītāju kustības virzienā vai pretējā virzienā.
Priekšējā miglas luktura orientēšana (ja ir aprīkojumā)


Priekšējo miglas lukturi var orientēt tāpat kā priekšējos lukturus. Pārliecinoties, ka priekšējais miglas lukturis un akumulators ir darba kārtībā, orientējiet priekšējo miglas lukturi.
Lietošana
-
Pagrieziet skrūvgriezi pulksteņa rādītāju kustības virzienā vai pretējā virzienā, lai pavērstu priekšējo miglas lukturi uz augšu vai leju.
Mērķēšanas punkts


* A: Ekrāns
|
Automobiļa stāvoklis |
Priekšējais lukturis |
Priekšējais miglas lukturis (LED) (ja ir aprīkojumā) |
|||||
|---|---|---|---|---|---|---|---|
|
Attālums no zemes |
Attālums starp lukturiem |
Attālums no zemes |
Attālums starp lukturiem |
||||
|
Tuvās/tālās gaismas |
Tuvās/tālās gaismas |
||||||
|
H1 |
H2 |
W1 |
W2 |
H3 |
W3 |
||
|
bez vadītāja mm (collas) |
A tips |
745,9 (29,4) |
1470,4 (57,9) |
373,7 (14,7) |
1034 (40,7) |
||
|
B tips |
768,6 (30,3) |
699,6 (27,5) |
1479,8 (58,3) |
1478,5 (58,2) |
|||
|
ar vadītāju mm (collas) |
A tips |
735,9 (29,0) |
1470,4 (57,9) |
363,7 (14,3) |
1034 (40,7) |
||
|
B tips |
758,6 (30,0) |
689,6 (27,1) |
1479,8 (58,3) |
1478,5 (58,2) |
|||
Priekšējie lukturi — tuvās gaismas (modeļiem ar stūri kreisajā pusē)

-
A: Automobiļa ass
-
B: Priekšējā kreisās puses luktura spuldzes centra vertikālā līnija
-
C: Priekšējā labās puses luktura spuldzes centra vertikālā līnija
-
D: Priekšējā luktura spuldzes centra horizontālā līnija
-
E: Zeme
-
F: Griezuma līnija
Lietošana
-
Ieslēdziet tuvās gaismas, kamēr vadītājs neatrodas transportlīdzeklī.
-
Griezuma līnijai jābūt projektētai attēlā redzamajā griezuma līnijā.
-
Tuvo gaismu orientēšanas laikā vertikālā orientācija ir jāpielāgo pēc horizontālās orientācijas pabeigšanas.
-
Ja ir aprīkota priekšējo lukturu līmeņošanas ierīce, pagrieziet priekšējo lukturu līmeņošanas ierīces slēdzi uz 0 pozīciju.
Priekšējais tuvais lukturis (modeļiem braukšanai labajā pusē)

-
A: Automobiļa ass
-
B: Priekšējā kreisās puses luktura spuldzes centra vertikālā līnija
-
C: Priekšējā labās puses luktura spuldzes centra vertikālā līnija
-
D: Priekšējā luktura spuldzes centra horizontālā līnija
-
E: Zeme
-
F: Griezuma līnija
Lietošana
-
Ieslēdziet tuvās gaismas, kamēr vadītājs neatrodas transportlīdzeklī.
-
Griezuma līnijai jābūt projektētai attēlā redzamajā griezuma līnijā.
-
Tuvo gaismu orientēšanas laikā vertikālā orientācija ir jāpielāgo pēc horizontālās orientācijas pabeigšanas.
-
Ja ir aprīkota priekšējo lukturu līmeņošanas ierīce, pagrieziet priekšējo lukturu līmeņošanas ierīces slēdzi uz 0 pozīciju.
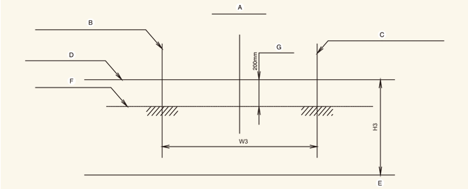
Priekšējais miglas lukturis (ja ir aprīkojumā)

-
A: Automobiļa ass
-
B: Kreisā miglas luktura spuldzes centra vertikāla līnija
-
C: Labā miglas luktura spuldzes centra vertikāla līnija
-
D: Miglas luktura spuldzes centra horizontālā līnija
-
E: Zeme
-
F: Griezuma līnija
-
G: Augšējā robeža
Lietošana
-
Ieslēdziet priekšējo miglas lukturi, kamēr vadītājs neatrodas automašīnā.
-
Griezuma līnijai jābūt projicētai pieļaujamajā diapazonā (iekrāsotais reģions).