Innstilling av frontlys og tåkelys foran (for Europa)
Innstilling av frontlys


Drift
-
Pump opp dekkene til angitt trykk og fjern eventuell last fra bilen, unntatt skrutrekker, reservehjul og verktøy.
-
Bilen bør stå på jevnt underlag.
-
Tegn opp vannrette linjer (vannrette linjer som går gjennom midten av hver frontlykt) og en loddrett linje (loddrett linje som går gjennom midten av frontlyktene) på skjermen.
-
Med frontlykt og batteri i normal tilstand justerer du frontlyktene slik at den lyseste delen faller på de loddrette og vannrette linjene.
-
Du beveger nærlyset til venstre og høyre ved å vri skrutrekkeren (1) med klokken eller mot klokken. Du beveger nærlyset opp og ned ved å vri skrutrekkeren (2) med klokken eller mot klokken.
Innstilling av tåkelys foran (utstyrsavhengig)


Tåkelyset foran kan stilles inn på samme måte som hovedlyset. Med frontlykt og batteri i normal tilstand justerer du fremre tåkelys.
Drift
-
Du beveger fremre tåkelys opp eller ned ved å vri skrutrekkeren med klokken eller mot klokken.
Siktepunkt


* A: Skjerm
|
Bilens tilstand |
Frontlys |
Tåkelys foran (LED-type) (utstyrsavhengig) |
|||||
|---|---|---|---|---|---|---|---|
|
Bakkeklaring |
Avstand mellom lykter |
Bakkeklaring |
Avstand mellom lykter |
||||
|
Nær-/fjernlys |
Nær-/fjernlys |
||||||
|
H1 |
H2 |
W1 |
W2 |
H3 |
W3 |
||
|
Uten fører [mm (tommer)] |
Type A |
745,9 (29,4) |
1 470,4 (57,9) |
373,7 (14,7) |
1 034 (40,7) |
||
|
Type B |
768,6 (30,3) |
699,6 (27,5) |
1 479,8 (58,3) |
1 478,5 (58,2) |
|||
|
med fører [mm (tommer)] |
Type A |
735,9 (29,0) |
1 470,4 (57,9) |
363,7 (14,3) |
1 034 (40,7) |
||
|
Type B |
758,6 (30,0) |
689,6 (27,1) |
1 479,8 (58,3) |
1 478,5 (58,2) |
|||
Frontlykt, nærlys (venstrestyrt bil)

-
A: Bilens akse
-
B: Vertikal linje for pærens midtpunkt i venstre frontlys
-
C: Vertikal linje for pærens midtpunkt i høyre frontlys
-
D: Horisontal linje for pærenes midtpunkt i frontlysene
-
E: BAKKE
-
F: Avskjæringslinje
Drift
-
Slå på nærlyset uten at føreren er i bilen.
-
Skjæringslinjen skal projiseres i skjæringslinjen som vist i illustrasjonen.
-
Når nærlyset stilles inn skal den vertikale innstillingen justeres etter justeringen av den horisontale innstillingen.
-
Hvis hovedlyset er utstyrt med en høydejusteringsenhet, skal bryteren for høydejusteringsenheten justeres med 0 posisjoner.
Frontlykt, nærlys (høyrestyrt bil)

-
A: Bilens akse
-
B: Vertikal linje for pærens midtpunkt i venstre frontlys
-
C: Vertikal linje for pærens midtpunkt i høyre frontlys
-
D: Horisontal linje for pærenes midtpunkt i frontlysene
-
E: BAKKE
-
F: Avskjæringslinje
Drift
-
Slå på nærlyset uten at føreren er i bilen.
-
Skjæringslinjen skal projiseres i skjæringslinjen som vist i illustrasjonen.
-
Når nærlyset stilles inn skal den vertikale innstillingen justeres etter justeringen av den horisontale innstillingen.
-
Hvis hovedlyset er utstyrt med en høydejusteringsenhet, skal bryteren for høydejusteringsenheten justeres med 0 posisjoner.
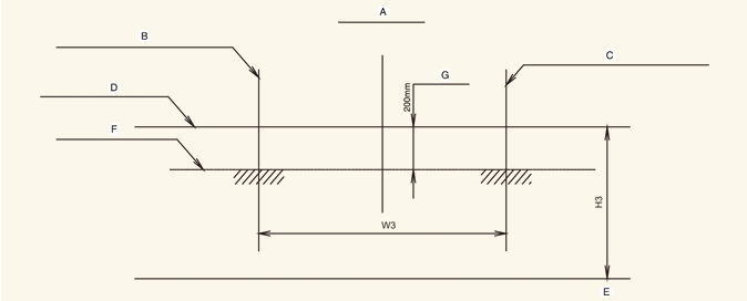
Tåkelys foran (utstyrsavhengig)

-
A: Bilens akse
-
B: Vertikal linje for pærens midtpunkt i venstre tåkelys
-
C: Vertikal linje for pærens midtpunkt i høyre tåkelys
-
D: Horisontal linje for pærenes midtpunkt i tåkelysene
-
E: BAKKE
-
F: Avskjæringslinje
-
G: Øvre grense
Drift
-
Slå på tåkelys på uten at føreren er i bilen.
-
Grenselinjen mellom lys og mørke skal være innen det godkjente området (sjattert felt).