Direcionamento dos faróis e luzes de nevoeiro dianteiras (para a Europa)
Direcionamento dos faróis


Funcionamento
-
Encha os pneus com a pressão indicada e retire eventuais cargas do veículo exceto o condutor, o pneu sobresselente e as ferramentas.
-
O veículo deve ser colocado num local plano.
-
Trace linhas verticais (que passem pelos respetivos centros dos faróis) e uma linha horizontal (que passe pelo centro dos faróis) na tela.
-
Com os faróis e a bateria em condições normais, direcione os faróis de modo a que a parte mais luminosa assente nas linhas horizontal e verticais.
-
Para direcionar os médios para a esquerda ou para a direita, rode a chave de fendas (1) para a direita ou para a esquerda. Para direcionar os médios para cima ou para baixo, rode a chave de fendas (2) para a direita ou para a esquerda.
Direcionamento das luzes de nevoeiro dianteiras (se instalado)


A luz de nevoeiro dianteira pode ser direcionada da mesma forma que o direcionamento dos faróis. Com as luzes de nevoeiro dianteiras e a bateria no estado normal, direcione as luzes de nevoeiro dianteiras.
Funcionamento
-
Rode a chave de parafusos de cabeça achatada para a esquerda ou direita para direcionar as luzes de nevoeiro dianteiras para cima ou para baixo.
Ponto focal


* A: Tela
|
Condições do veículo |
Faróis dianteiros |
Luz de nevoeiro dianteira (tipo LED) (se instalado) |
|||||
|---|---|---|---|---|---|---|---|
|
Altura ao solo |
Distância entre as luzes |
Altura ao solo |
Distância entre as luzes |
||||
|
Médios/máximos |
Médios/máximos |
||||||
|
H1 |
H2 |
W1 |
W2 |
H3 |
W3 |
||
|
sem condutor [mm (pol.)] |
Tipo A |
727,4 (28,6) |
1.470,4 (57,9) |
354,8 (14,0) |
1.060 (41,7) |
||
|
Tipo B |
750,0 (29,5) |
681,1 (26,8) |
1.479,8 (58,3) |
1.478,5 (58,2) |
|||
|
com condutor [mm (pol.)] |
Tipo A |
717,4 (28,2) |
1.470,4 (57,9) |
344,8 (13,6) |
1.060 (41,7) |
||
|
Tipo B |
740,0 (29,1) |
671,1 (26,4) |
1.479,8 (58,3) |
1.478,5 (58,2) |
|||
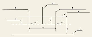
Médios (Veículo LHD)

-
A: Eixo do veículo
-
B: Linha vertical do centro da lâmpada da luz dianteira esquerda
-
C: Linha vertical do centro da lâmpada da luz dianteira direita
-
D: Linha horizontal do centro da lâmpada da luz dianteira
-
E: Solo
-
F: Linha de recorte
Funcionamento
-
Ligue os médios sem o condutor no veículo.
-
A linha de recorte deve ser projetada na linha de recorte indicada na imagem.
-
Na focalização dos médios, a focalização vertical deve ser ajustada após o ajuste da focalização horizontal.
-
Se o veículo estiver equipado com dispositivo de nivelamento dos faróis, ajuste-o para as posições 0.
Médios (Veículo RHD)

-
A: Eixo do veículo
-
B: Linha vertical do centro da lâmpada da luz dianteira esquerda
-
C: Linha vertical do centro da lâmpada da luz dianteira direita
-
D: Linha horizontal do centro da lâmpada da luz dianteira
-
E: Solo
-
F: Linha de recorte
Funcionamento
-
Ligue os médios sem o condutor no veículo.
-
A linha de recorte deve ser projetada na linha de recorte indicada na imagem.
-
Na focalização dos médios, a focalização vertical deve ser ajustada após o ajuste da focalização horizontal.
-
Se o veículo estiver equipado com dispositivo de nivelamento dos faróis, ajuste-o para as posições 0.
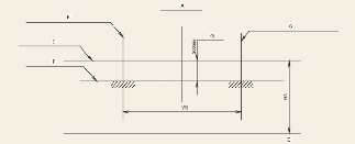
Luzes de nevoeiro dianteiras (se instalado)

-
A: Eixo do veículo
-
B: Linha vertical do centro da lâmpada da luz de nevoeiro esquerda
-
C: Linha vertical do centro da lâmpada da luz de nevoeiro direita
-
D: Linha horizontal do centro da lâmpada da luz de nevoeiro
-
E: Solo
-
F: Linha de recorte
-
G: Limite superior
Funcionamento
-
Ligue a luz de nevoeiro dianteira sem o condutor a bordo.
-
A linha de recorte deve ser projetada no alcance admissível (zona sombreada).