Far ve ön sis lambası ayarı (Avrupa için)
Far ayarı


Kullanım
-
Lastikleri belirtilen basınca kadar şişirin ve sürücü, yedek lastik ve aletler dışındaki tüm yükleri araçtan kaldırın.
-
Araç düz bir zemine yerleştirilmelidir.
-
Ekrana dikey çizgiler (ilgili far merkezlerinden geçen dikey çizgiler) ve yatay bir çizgi (farların merkezinden geçen yatay çizgi) çizin.
-
Far ve batarya normal durumdayken, farları en parlak kısım yatay ve dikey çizgilere düşecek şekilde tutun.
-
Kısa farı sola veya sağa yönlendirmek için tornavidayı (1) saat yönünde veya saat yönünün tersine çevirin. Kısa farı yukarı veya aşağı yönlendirmek için tornavidayı (2) saat yönünde veya saat yönünün tersine çevirin.
Ön sis lambası ayarı (varsa)


Ön sis lambası ile farlar aynı şekilde ayarlanabilir. Ön sis lambaları ve batarya normal durumdayken ön sis lambalarını hedefleyin.
Kullanım
-
Ön sis lambasını yukarı veya aşağı yönlendirmek için tornavidayı saat yönünde veya saat yönünün tersine çevirin.
Ayar noktası


* A: Ekran
|
Araç durumu |
Far |
Ön sis lambası (LED tipi) (varsa) |
|||||
|---|---|---|---|---|---|---|---|
|
Zemin Yüksekliği |
lambalar arasındaki mesafe |
Zemin Yüksekliği |
lambalar arasındaki mesafe |
||||
|
Kısa/Uzun far |
Kısa/Uzun far |
||||||
|
H1 |
H2 |
W1 |
W2 |
H3 |
W3 |
||
|
sürücüsüz [mm (inç)] |
Tip A |
727,4 (28,6) |
1.470,4 (57,9) |
354,8 (14,0) |
1.060 (41,7) |
||
|
Tip B |
750,0 (29,5) |
681,1 (26,8) |
1.479,8 (58,3) |
1.478,5 (58,2) |
|||
|
sürücü ile [mm (inç)] |
Tip A |
717,4 (28,2) |
1.470,4 (57,9) |
344,8 (13,6) |
1.060 (41,7) |
||
|
Tip B |
740,0 (29,1) |
671,1 (26,4) |
1.479,8 (58,3) |
1.478,5 (58,2) |
|||
Kısa far (Soldan Direksiyonlu Araç)

-
A: Araç ekseni
-
B: Sol far ampul merkezinin dikey çizgisi
-
C: Sağ far ampul merkezinin dikey çizgisi
-
D: Far ampul merkezinin yatay çizgisi
-
E: Zemin
-
F: kesme hattı
Kullanım
-
Sürücü araçta olmadığında kısa farı açın.
-
Kesim çizgisi, resimde gösterilen kesim çizgisine yansıtılmalıdır.
-
Kısa far ayarlanırken, yatay far ayarı yapıldıktan sonra dikey far ayarı yapılmalıdır.
-
Far seviye cihazı varsa, anahtarını 0 konumuna ayarlayın.
Kısa far (Sağdan Direksiyonlu Araç)

-
A: Araç ekseni
-
B: Sol far ampul merkezinin dikey çizgisi
-
C: Sağ far ampul merkezinin dikey çizgisi
-
D: Far ampul merkezinin yatay çizgisi
-
E: Zemin
-
F: kesme hattı
Kullanım
-
Sürücü araçta olmadığında kısa farı açın.
-
Kesim çizgisi, resimde gösterilen kesim çizgisine yansıtılmalıdır.
-
Kısa far ayarlanırken, yatay far ayarı yapıldıktan sonra dikey far ayarı yapılmalıdır.
-
Far seviye cihazı varsa, anahtarını 0 konumuna ayarlayın.
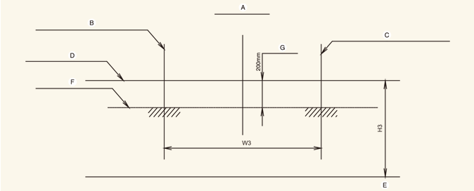
Ön sis lambası (varsa)

-
A: Araç ekseni
-
B: Sol sis lambası ampul merkezinin dikey çizgisi
-
C: Sağ sis lambası ampul merkezinin dikey çizgisi
-
D: Sis lambası ampul merkezinin yatay çizgisi
-
E: Zemin
-
F: kesme hattı
-
G: Üst sınır
Kullanım
-
Araçta sürücü yokken ön sis lambasını açın.
-
Kesim çizgisi izin verilen aralıkta (gölgeli bölge) yansıtılmalıdır.