Orientamento di fari e luci fendinebbia (per l'Europa)
Orientamento dei fari


Funzionamento
-
Gonfiare gli pneumatici alla pressione specificata e rimuovere qualsiasi carico dal veicolo a eccezione di conducente, ruota di scorta e attrezzi.
-
Il veicolo deve essere parcheggiato su un pavimento in piano.
-
Disegnare due linee verticali (Linee verticali passanti attraverso il centro del rispettivo faro) e una linea orizzontale (Linea orizzontale passante attraverso il centro dei due fari) sullo schermo.
-
Con fari e batteria in condizioni normali, orientare i fari in modo che la porzione con la luminosità massima cada sulle linee orizzontali e verticali.
-
Per orientare il faro anabbagliante verso sinistra o verso destra, ruotare il cacciavite (1) in senso orario o antiorario. Per orientare il faro anabbagliante verso l'alto o verso il basso, ruotare il cacciavite (2) in senso orario o antiorario.
Orientamento luci fendinebbia




L'orientamento delle luci fendinebbia si esegue come l'orientamento dei fari. Con i fendinebbia anteriori e la batteria in condizioni di funzionamento normali, orientare i fendinebbia anteriori.
Funzionamento
-
Per orientare i fendinebbia anteriori verso l'alto o verso il basso, ruotare il cacciavite in senso orario o antiorario.
Punto di orientamento

* A: Schermo
|
Condizione veicolo |
Faro (tipo a LED) |
Luce fendinebbia (tipo a LED) (se in dotazione) |
|||||
|---|---|---|---|---|---|---|---|
|
Altezza da terra |
Distanza tra le luci |
Altezza da terra |
Distanza tra le luci |
||||
|
Anabbaglianti/Abbaglianti |
Anabbaglianti/Abbaglianti |
||||||
|
H1 |
H2 |
W1 |
W2 |
H3 |
W3 |
||
|
senza conducente [mm] |
Tipo A |
754,1 (29,7) |
689,1 (27,1) |
1.456 (57,3) |
1.558 (61,3) |
412,5 (16,2) |
1.380 (54,3) |
|
Tipo B |
761,1 (30,0) |
704,1 (27,2) |
1.540 (60,6) |
1.540 (60,6) |
405,1 (15,9) |
1.475 (58,1) |
|
|
con il conducente [mm] |
Tipo A |
744,1 (29,3) |
679,1 (26,3) |
1.456 (57,3) |
1.558 (61,3) |
402,5 (15,8) |
1.380 (54,3) |
|
Tipo B |
751,1 (29,6) |
694,1 (27,3) |
1.540 (60,6) |
1.540 (60,6) |
395,1 (15,6) |
1.475 (58,1) |
|
Luce anabbagliante faro (guida a sinistra)

-
A: Asse verticale
-
B: Linea verticale del centro della lampadina del faro lato sinistro
-
C: Linea verticale del centro della lampadina del faro lato destro
-
D: Linea orizzontale del centro lampadina faro
-
E: Terreno
-
F: Linea di demarcazione
Funzionamento
-
Accendere le luci anabbaglianti senza conducente a bordo.
-
La linea di demarcazione deve essere proiettata entro la linea di demarcazione indicata in figura.
-
Quando si orientano le luci anabbaglianti, l'orientamento verticale deve essere regolato dopo aver regolato l'orientamento orizzontale.
-
Se il dispositivo di regolazione fari è in dotazione, regolare l'interruttore del dispositivo di regolazione fari sulla posizione 0.
Luce anabbagliante faro (guida a destra)

-
A: Asse verticale
-
B: Linea verticale del centro della lampadina del faro lato sinistro
-
C: Linea verticale del centro della lampadina del faro lato destro
-
D: Linea orizzontale del centro lampadina faro
-
E: Terreno
-
F: Linea di demarcazione
Funzionamento
-
Accendere le luci anabbaglianti senza conducente a bordo.
-
La linea di demarcazione deve essere proiettata entro la linea di demarcazione indicata in figura.
-
Quando si orientano le luci anabbaglianti, l'orientamento verticale deve essere regolato dopo aver regolato l'orientamento orizzontale.
-
Se il dispositivo di regolazione fari è in dotazione, regolare l'interruttore del dispositivo di regolazione fari sulla posizione 0.
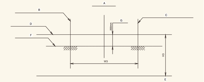
Luce fendinebbia

-
A: Asse verticale
-
B: Linea verticale del centro lampadina luce fendinebbia lato sinistro
-
C: Linea verticale del centro lampadina luce fendinebbia lato destro
-
D: Linea orizzontale del centro lampadine luci fendinebbia
-
E: Terreno
-
F: Linea di demarcazione
-
G: Limite superiore
Funzionamento
-
Accendere le luci fendinebbia senza conducente a bordo.
-
La linea di demarcazione deve essere proiettata nell'area prevista (zona ombreggiata).