Réglage des phares et des phares antibrouillard avant (pour l’Europe)
Orientation des phares


Fonctionnement
-
Gonflez les pneus à la pression indiquée et retirez toute charge du véhicule, à l'exception du conducteur, de la roue de secours et des outils.
-
Le véhicule doit se trouver sur un terrain plat.
-
Tracez sur l'écran deux lignes verticales (passant au centre de chaque phare), ainsi qu'une ligne horizontale (passant également au centre de chaque phare).
-
Les phares et la batterie doivent être à l'état normal. Régler les phares de manière à ce que la partie la plus lumineuse s'aligne sur les lignes horizontale et verticale.
-
Pour régler les feux de croisement vers la gauche ou la droite, faites tourner le tournevis (1) dans le sens des aiguilles d’une montre ou dans le sens contraire. Pour élever ou abaisser les feux de croisement, faites tourner le tournevis (2) dans le sens des aiguilles d’une montre ou dans le sens contraire.
Réglage des phares antibrouillard avant




Le phare antibrouillard avant peut être réglé comme les autres phares. L’état des phares antibrouillard avant et de la batterie doit être normal.
Fonctionnement
-
Tournez le tournevis dans le sens des aiguilles d’une montre ou dans le sens inverse des aiguilles d’une montre afin d’orienter les phares antibrouillard avant vers le haut ou vers le bas
Repère d’orientation

* A : Écran
|
État du véhicule |
Phare (type LED) |
Phares antibrouillard avant (type LED) (si le véhicule en est équipé) |
|||||
|---|---|---|---|---|---|---|---|
|
Hauteur par rapport au sol |
Distance entre les phares |
Hauteur par rapport au sol |
Distance entre les phares |
||||
|
Feu de croisement/feu de route |
Feu de croisement/feu de route |
||||||
|
H1 |
H2 |
W1 |
W2 |
H3 |
W3 |
||
|
sans conducteur [mm (pouce)] |
Type A |
754,1 (29,7) |
689,1 (27,1) |
1 456 (57,3) |
1 558 (61,3) |
412,5 (16,2) |
1 380 (54,3) |
|
Type B |
761,1 (30,0) |
704,1 (27,2) |
1 540 (60,6) |
1 540 (60,6) |
405,1 (15,9) |
1 475 (58,1) |
|
|
avec conducteur [mm (pouce)] |
Type A |
744,1 (29,3) |
679,1 (26,3) |
1 456 (57,3) |
1 558 (61,3) |
402,5 (15,8) |
1 380 (54,3) |
|
Type B |
751,1 (29,6) |
694,1 (27,3) |
1 540 (60,6) |
1 540 (60,6) |
395,1 (15,6) |
1 475 (58,1) |
|
Feux de croisement (véhicule avec conduite à gauche)

-
A : Axe du véhicule
-
B : Ligne verticale marquant le centre de l'ampoule du phare gauche
-
C : Ligne verticale marquant le centre de l'ampoule du phare droit
-
D : Ligne horizontale marquant le centre de l'ampoule du phare
-
E : Sol
-
F : Ligne d'intersection
Fonctionnement
-
Allumer les feux de croisement sans vous installer dans le véhicule.
-
La ligne d’intersection doit être alignée sur celle de l’image.
-
Lorsque vous orientez les feux de croisement, réglez l’orientation verticale après avoir réglé l’orientation horizontale.
-
Si le dispositif de mise à niveau des phares est disponible, réglez l’interrupteur du dispositif de mise à niveau des phares sur la position 0.
Feux de croisement (véhicule avec conduite à droite)

-
A : Axe du véhicule
-
B : Ligne verticale marquant le centre de l'ampoule du phare gauche
-
C : Ligne verticale marquant le centre de l'ampoule du phare droit
-
D : Ligne horizontale marquant le centre de l'ampoule du phare
-
E : Sol
-
F : Ligne d'intersection
Fonctionnement
-
Allumer les feux de croisement sans vous installer dans le véhicule.
-
La ligne d’intersection doit être alignée sur celle de l’image.
-
Lorsque vous orientez les feux de croisement, réglez l’orientation verticale après avoir réglé l’orientation horizontale.
-
Si le dispositif de mise à niveau des phares est disponible, réglez l’interrupteur du dispositif de mise à niveau des phares sur la position 0.
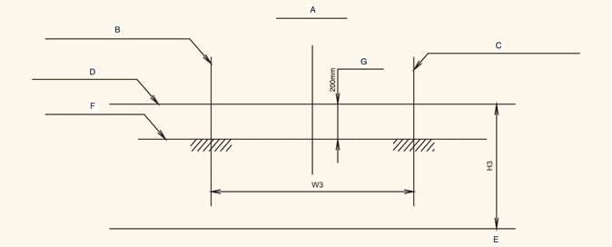
Phares antibrouillard avant

-
A : Axe du véhicule
-
B : Ligne verticale marquant le centre de l’ampoule du feu antibrouillard gauche
-
C : Ligne verticale marquant le centre de l’ampoule du feu antibrouillard droit
-
D : Ligne horizontale marquant le centre du phare antibrouillard
-
E : Sol
-
F : Ligne d'intersection
-
G : Limite supérieure
Fonctionnement
-
Allumez les phares antibrouillard sans vous installer dans le véhicule.
-
La ligne d’intersection doit être projetée dans la plage admissible (zone ombrée).