Direcție far și lumină ceață față (pentru Europa)
Direcție far


Funcționare
-
Umflați pneurile la presiunea specificată și eliminați orice sarcină asupra vehiculului, cu excepția piesei de antrenare, a pneului de rezervă și a uneltelor.
-
Vehiculul trebuie să fie așezat pe o suprafață plată.
-
Desenați pe ecran linii verticale (linii verticale care să treacă prin centrul farurilor respective) și o linie orizontală (linie orizontală care să treacă prin centrul lămpilor).
-
Cu farul și bateria în stare normală, direcționați farurile astfel încât porțiunea cea mai luminoasă să cadă pe liniile orizontale și verticale.
-
Pentru a direcționa faza scurtă spre stânga sau spre dreapta, rotiți șurubelnița (1) spre dreapta sau spre stânga. Pentru a direcționa faza scurtă în sus sau în jos, rotiți șurubelnița (2) spre dreapta sau spre stânga.
Direcție lumină ceață față (dacă este echipat)


Lumina de ceață față poate fi direcționată în același mod ca direcția farurilor. Cu luminile de ceață față și baterie în stare normală, direcționați luminile de ceață față.
Funcționare
-
Rotiți șurubelnița spre dreapta sau spre stânga pentru a direcționa lumina de ceață față în sus sau în jos.
Punct de direcție


* A: Ecran
|
Stare vehicul |
Far |
Lumină ceață față (tip LED) (dacă este în dotare) |
|||||
|---|---|---|---|---|---|---|---|
|
Înălțimea solului |
Distanța dintre lămpi |
Înălțimea solului |
Distanța dintre lămpi |
||||
|
Fază scurtă/lungă |
Fază scurtă/lungă |
||||||
|
Î1 |
Î2 |
l1 |
l2 |
Î3 |
l3 |
||
|
fără șofer [mm (in)] |
Tip A |
745,9 (29,4) |
1.470,4 (57,9) |
373,7 (14,7) |
1.034 (40,7) |
||
|
Tip B |
768,6 (30,3) |
699,6 (27,5) |
1.479,8 (58,3) |
1.478,5 (58,2) |
|||
|
cu șofer [mm (in)] |
Tip A |
735,9 (29,0) |
1.470,4 (57,9) |
363,7 (14,3) |
1.034 (40,7) |
||
|
Tip B |
758,6 (30,0) |
689,6 (27,1) |
1.479,8 (58,3) |
1.478,5 (58,2) |
|||
Fază scurtă far (vehicul LHD)

-
A: Ax vehicul
-
B: Linie verticală din centrul becului farului stânga
-
C: Linie verticală din centrul becului farului dreapta
-
D: Linie orizontală din centrul becului farului
-
E: Sol
-
F: Linie întreruptă
Funcționare
-
Aprindeți faza scurtă, fără șofer la bord.
-
Linia întreruptă ar trebui să fie proiectată pe linia întreruptă afișată în imagine.
-
Atunci când direcționați faza scurtă, direcția verticală ar trebui să fie ajustată după ajustarea direcției orizontale.
-
Dacă este echipat un dispozitiv de egalizare a farurilor, ajustați comutatorul dispozitivului de egalizare a farurilor cu 0 poziții.
Fază scurtă far (vehicul RHD)

-
A: Ax vehicul
-
B: Linie verticală din centrul becului farului stânga
-
C: Linie verticală din centrul becului farului dreapta
-
D: Linie orizontală din centrul becului farului
-
E: Sol
-
F: Linie întreruptă
Funcționare
-
Aprindeți faza scurtă, fără șofer la bord.
-
Linia întreruptă ar trebui să fie proiectată pe linia întreruptă afișată în imagine.
-
Atunci când direcționați faza scurtă, direcția verticală ar trebui să fie ajustată după ajustarea direcției orizontale.
-
Dacă este echipat un dispozitiv de egalizare a farurilor, ajustați comutatorul dispozitivului de egalizare a farurilor cu 0 poziții.
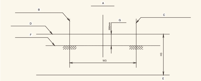
Lumină ceață față (dacă este echipat)

-
A: Ax vehicul
-
B: Linie verticală din centrul becului luminii de ceață stânga
-
C: Linie verticală din centrul becului luminii de ceață dreapta
-
D: Linie orizontală a centrului becului luminii ceață
-
E: Sol
-
F: Linie întreruptă
-
G: Limită superioară
Funcționare
-
Porniți lumina de ceață față fără șofer la bord.
-
Linia de ecranare trebuie proiectată în intervalul permisibil (regiunea hașurată).s