Priekinių žibintų ir priekinių rūko žibintų reguliavimas (Europai)
Priekinių žibintų nustatymas


Veikimas
-
Padangas pripūskite iki nurodyto slėgio, o iš automobilio išimkite visus krovinius, išskyrus vairuotoją, atsarginę padangą ir įrankius.
-
Automobilis turi stovėti ant plokščio paviršiaus.
-
Ekrane nubrėžkite vertikalias linijas (vertikalios linijos, einančios per atitinkamo priekinio žibinto centrą) ir horizontalią liniją (horizontali linija, einanti per priekinių žibintų centrą).
-
Priekiniams žibintams ir akumuliatoriui esant normalios būklės nutaikykite priekinius žibintus taip, kad ryškiausia dalis sutaptų su horizontalia ir vertikaliomis linijomis.
-
Norėdami pakreipti artimųjų šviesų spindulį į kairę arba į dešinę, pasukite atsuktuvą (1) pagal arba prieš laikrodžio rodyklę. Norėdami pakreipti artimųjų šviesų spindulį aukštyn arba žemyn, pasukite atsuktuvą (2) pagal arba prieš laikrodžio rodyklę.
Priekinių rūko žibintų nutaikymas (jeigu yra)


Priekinių rūko žibintų nutaikymą galima sureguliuoti taip pat, kaip ir priekinių žibintų. Priekiniams rūko žibintams ir akumuliatoriui esant normalios būsenos nutaikykite priekinius rūko žibintus.
Veikimas
-
Pasukite atsuktuvą pagal laikrodžio rodyklę arba prieš laikrodžio rodyklę, kad nukreiptumėte priekinį rūko žibintą aukštyn arba žemyn.
Nutaikymo taškas


* A: Ekranas
|
Automobilio būklė |
Priekinis žibintas |
Priekiniai rūko žibintai (LED tipas) (jeigu yra) |
|||||
|---|---|---|---|---|---|---|---|
|
Aukštis nuo žemės |
Atstumas tarp žibintų |
Aukštis nuo žemės |
Atstumas tarp žibintų |
||||
|
Artimosios / tolimosios šviesos |
Artimosios / tolimosios šviesos |
||||||
|
H1 |
H2 |
W1 |
W2 |
H3 |
W3 |
||
|
be vairuotojo [mm (col.)] |
A tipas |
745,9 (29,4) |
1.470,4 (57,9) |
373,7 (14,7) |
1.034 (40,7) |
||
|
B tipas |
768,6 (30,3) |
699,6 (27,5) |
1.479,8 (58,3) |
1.478,5 (58,2) |
|||
|
su vairuotoju [mm (col.)] |
A tipas |
735,9 (29,0) |
1.470,4 (57,9) |
363,7 (14,3) |
1.034 (40,7) |
||
|
B tipas |
758,6 (30,0) |
689,6 (27,1) |
1.479,8 (58,3) |
1.478,5 (58,2) |
|||
Priekinių žibintų artimosios šviesos (automobilis su vairu kairėje pusėje)

-
A: Automobilio ašis
-
B: Kairiojo priekinio žibinto lemputės centro vertikalioji linija
-
C : Dešiniojo priekinio žibinto lemputės centro vertikalioji linija
-
D : Priekinio žibinto lemputės centro horizontalioji linija
-
E : Žemė
-
F: Ribinė linija
Veikimas
-
Įjunkite artimąsias šviesas be automobilyje sėdinčio vairuotojo.
-
Ribinė linija turi būti projektuojama taip pat, kaip ribinė linija, parodyta paveikslėlyje.
-
Nutaikant trumpųjų šviesų pluoštą, vertikalusis nutaikymas turi būti reguliuojamas po to, kai sureguliuojamas horizontalusis nutaikymas.
-
Jeigu yra įrengtas priekinių žibintų lygiavimo įtaisas, jį nureguliuokite ties 0.
Priekinių žibintų artimosios šviesos (automobilis su vairu dešinėje pusėje)

-
A: Automobilio ašis
-
B: Kairiojo priekinio žibinto lemputės centro vertikalioji linija
-
C : Dešiniojo priekinio žibinto lemputės centro vertikalioji linija
-
D : Priekinio žibinto lemputės centro horizontalioji linija
-
E : Žemė
-
F: Ribinė linija
Veikimas
-
Įjunkite artimąsias šviesas be automobilyje sėdinčio vairuotojo.
-
Ribinė linija turi būti projektuojama taip pat, kaip ribinė linija, parodyta paveikslėlyje.
-
Nutaikant trumpųjų šviesų pluoštą, vertikalusis nutaikymas turi būti reguliuojamas po to, kai sureguliuojamas horizontalusis nutaikymas.
-
Jeigu yra įrengtas priekinių žibintų lygiavimo įtaisas, jį nureguliuokite ties 0.
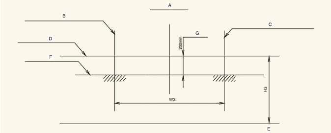
Priekinis rūko žibintas (jeigu yra)

-
A: Automobilio ašis
-
B: Kairiojo rūko žibinto lemputės centro vertikalioji linija
-
C : Dešiniojo rūko žibinto lemputės centro vertikalioji linija
-
D : Rūko žibinto lemputės centro horizontalioji linija
-
E : Žemė
-
F: Ribinė linija
-
G: Viršutinė riba
Veikimas
-
Įjunkite priekinius rūko žibintus be automobilyje sėdinčio vairuotojo.
-
Ribinė linija turi būti projektuojama leistiname diapazone (užtušuota sritis).