Ajovalon ja etusumuvalon suuntaus (Eurooppa) polttimoajovalo, ja etusumuvalon suuntaus (Eurooppa)
Ajovalojen suuntaus


Käyttö
-
Täytä renkaat määritettyihin paineisiin ja poista autosta muu kuorma kuin kuljettaja, vararengas ja työkalut.
-
Auto on sijoitettava tasaiselle alustalle.
-
Piirrä taustalle pystysuorat viivat (jotka kulkevat kunkin ajovalon lampun keskipisteen kautta) ja vaakasuora viiva (joka kulkee ajovalojen lamppujen keskipisteen kautta).
-
Kun ajovalot ja akku ovat normaalissa kunnossa, kohdista ajovalot siten, että kirkkain osa osuu vaaka- ja pystysuorille viivoille.
-
Suuntaa lähivaloa vasemmalle tai oikealle kiertämällä ruuvimeisselillä (1) myötäpäivään tai vastapäivään. Suuntaa lähivaloa ylös tai alas kiertämällä ruuvia (2) myötä- tai vastapäivään.
Etusumuvalon suuntaus (jos kuuluu varustukseen)


Etusumuvalo voidaan suunnata samalla tavalla kuin ajovalot. Suuntaa etusumuvalot, kun etusumuvalot ja akku ovat normaalissa tilassa.
Käyttö
-
Kierrä ruuvitaltalla ruuvia myötä- tai vastapäivään kääntääksesi etusumuvaloa ylöspäin tai alaspäin.
Kohdistuspiste


* A: Näyttö
|
Auton tila |
Ajovalo |
Etusumuvalo (LED-tyyppinen) (jos kuuluu varusteisiin) |
|||||
|---|---|---|---|---|---|---|---|
|
Korkeus maasta |
Lamppujen välinen etäisyys |
Korkeus maasta |
Lamppujen välinen etäisyys |
||||
|
Lähi-/kaukovalot |
Lähi-/kaukovalot |
||||||
|
H1 |
H2 |
W1 |
W2 |
H3 |
W3 |
||
|
ilman kuljettajaa [mm (tuumaa)] |
Tyyppi A |
745,9 (29,4) |
1 470,4 (57,9) |
373.7 (14.7) |
1 034 (40,7) |
||
|
Tyyppi B |
768,6 (30,3) |
699,6 (27,5) |
1 479,8 (58,3) |
1 478,5 (58,2) |
|||
|
kuljettajan kanssa [mm (tuumaa)] |
Tyyppi A |
735,9 (29,0) |
1 470,4 (57,9) |
363.7 (14.3) |
1 034 (40,7) |
||
|
Tyyppi B |
758,6 (30,0) |
689,6 (27,1) |
1 479,8 (58,3) |
1 478,5 (58,2) |
|||
Ajovalo pitkät valot (LHD-auto)

-
A: Auton akseli
-
B: Pystysuora linja vasemman ajovalon polttimon keskeltä
-
C: Pystysuora linja oikean ajovalon polttimon keskeltä
-
D: Vaakasuora viiva ajovalon polttimon keskellä
-
E: Maa
-
F: Leikkauslinja
Käyttö
-
Kytke lähivalot päälle ilman, että ajoneuvossa on kuljettajaa.
-
Leikkauslinjan on kohdistuttava kuvassa esitettyyn leikkauslinjaan.
-
Suunnattaessa lähivaloja pystysuora suuntaus on säädettävä vaakasuoran suuntauksen jälkeen.
-
Jos ajovalojen tasauslaite kuuluu varusteisiin, säädä ajovalot tasauslaitteen kytkin 0-asennossa.
Ajovalo pitkät valot (RHD-auto)

-
A: Auton akseli
-
B: Pystysuora linja vasemman ajovalon polttimon keskeltä
-
C: Pystysuora linja oikean ajovalon polttimon keskeltä
-
D: Vaakasuora viiva ajovalon polttimon keskellä
-
E: Maa
-
F: Leikkauslinja
Käyttö
-
Kytke lähivalot päälle ilman, että ajoneuvossa on kuljettajaa.
-
Leikkauslinjan on kohdistuttava kuvassa esitettyyn leikkauslinjaan.
-
Suunnattaessa lähivaloja pystysuora suuntaus on säädettävä vaakasuoran suuntauksen jälkeen.
-
Jos ajovalojen tasauslaite kuuluu varusteisiin, säädä ajovalot tasauslaitteen kytkin 0-asennossa.
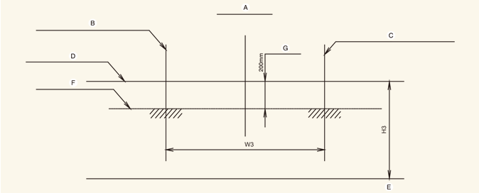
Etusumuvalo (jos kuuluu varustukseen)

-
A: Auton akseli
-
B: Pystysuora linja vasemman sumuvalon polttimon keskeltä
-
C: Pystysuora linja oikean sumuvalon polttimon keskeltä
-
D: Vaakasuora viiva sumuvalon polttimon keskellä
-
E: Maa
-
F: Leikkauslinja
-
G: Yläraja
Käyttö
-
Kytke etusumuvalot päälle ilman, että kuljettaja on autossa.
-
Leikkauslinjan on projisoituva sallitulle alueelle (varjostettu alue).