Насочване на фаровете и предните фарове за мъгла (за Европа)
Насочване на фаровете


Процедура
-
Напомпайте гумите до определеното налягане и отстранете всички товари от автомобила, с изключение на водача, резервната гума и инструментите.
-
Автомобилът трябва да бъде на гладка повърхност.
-
Начертайте вертикални линии (вертикални линии, преминаващи през съответните центрове на фаровете) и хоризонтална линия (хоризонтална линия, преминаваща през центъра на фаровете) на екрана.
-
С фара и батерията в нормално състояние насочете фаровете, така че най-ярката част да пада върху хоризонталните и вертикалните линии.
-
За да насочите късите светлини наляво или надясно, въртете отвертката (1) по посока на часовниковата стрелка или обратно на часовниковата стрелка. За да насочите късите светлини нагоре или надолу, въртете отвертката (2) по посока на часовниковата стрелка или обратно на часовниковата стрелка.
Насочване на предни фарове за мъгла




Предните фарове за мъгла могат да бъдат насочени по същия начин като фаровете. С предните фарове за мъгла и батерията в нормално състояние насочете предните фарове за мъгла.
Процедура
-
Завъртете отвертката по посока на часовниковата стрелка или обратно на часовниковата стрелка, за да насочите предния фар за мъгла нагоре или надолу.
Точка за насочване

* A: Екран
|
Състояние на автомобила |
Фарове (светодиодни) |
Предни фарове за мъгла (светодиодни) (ако е оборудвана тази функция) |
|||||
|---|---|---|---|---|---|---|---|
|
Приземна височина |
Разстояние между светлините |
Приземна височина |
Разстояние между светлините |
||||
|
Къси/дълги светлини |
Къси/дълги светлини |
||||||
|
H1 |
H2 |
W1 |
W2 |
H3 |
W3 |
||
|
без водач [мм (инча)] |
Тип A |
754,1 (29,7) |
689,1 (27,1) |
1456 (57,3) |
1558 (61,3) |
412,5 (16,2) |
1380 (54,3) |
|
Тип B |
761,1 (30,0) |
704,1 (27,2) |
1540 (60,6) |
1540 (60,6) |
405,1 (15,9) |
1475 (58,1) |
|
|
с водач [мм (инча)] |
Тип A |
744,1 (29,3) |
679,1 (26,3) |
1456 (57,3) |
1558 (61,3) |
402,5 (15,8) |
1380 (54,3) |
|
Тип B |
751,1 (29,6) |
694,1 (27,3) |
1540 (60,6) |
1540 (60,6) |
395,1 (15,6) |
1475 (58,1) |
|
Къси светлини (автомобил с ляв волан)

-
A: Ос на автомобила
-
B: Вертикална линия на центъра на левия фар
-
C: Вертикална линия на центъра на десния фар
-
D: Хоризонтална линия на центъра на фара
-
E: Земя
-
F: Линия на прекъсване
Процедура
-
Включете късите светлини, без водачът да е в автомобила.
-
Линията на прекъсване трябва да бъде проектирана в линията на прекъсване, показана на снимката.
-
При насочване на късите светлини вертикалното насочване трябва да се регулира след регулиране на хоризонталното насочване.
-
Ако е оборудвано устройство за изравняване на фаровете, регулирайте превключвателя на устройството за изравняване на фаровете с 0 позиции.
Къси светлини (автомобил с десен волан)

-
A: Ос на автомобила
-
B: Вертикална линия на центъра на левия фар
-
C: Вертикална линия на центъра на десния фар
-
D: Хоризонтална линия на центъра на фара
-
E: Земя
-
F: Линия на прекъсване
Процедура
-
Включете късите светлини, без водачът да е в автомобила.
-
Линията на прекъсване трябва да бъде проектирана в линията на прекъсване, показана на снимката.
-
При насочване на късите светлини вертикалното насочване трябва да се регулира след регулиране на хоризонталното насочване.
-
Ако е оборудвано устройство за изравняване на фаровете, регулирайте превключвателя на устройството за изравняване на фаровете с 0 позиции.
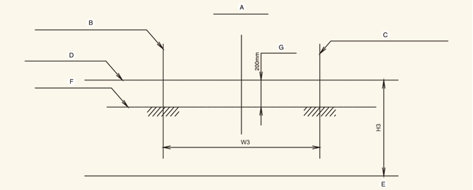
Предни фарове за мъгла

-
A: Ос на автомобила
-
B: Вертикална линия на центъра на левия фар за мъгла
-
C: Вертикална линия на центъра на десния фар за мъгла
-
D: Хоризонтална линия на центъра на фара за мъгла
-
E: Земя
-
F: Линия на прекъсване
-
G: Горна граница
Процедура
-
Включете фаровете за мъгла, без водачът да е в автомобила.
-
Линията на прекъсване трябва да бъде проектирана в допустимия диапазон (засенчена област).