Регулировка угла наклона головных и передних противотуманных фар (для Европы)
Регулировка угла наклона передних фар


Основные операции
-
Накачайте шины до указанного давления и извлеките из автомобиля все грузы, кроме водителя, запасного колеса и инструментов.
-
Остановите автомобиль на ровной поверхности.
-
Начертите на экране вертикальные и горизонтальные линии (проходящие через центры соответствующих фар).
-
Убедившись в исправном состоянии фар и аккумуляторной батареи, направьте фары так, чтобы максимальная яркость падала на горизонтальные и вертикальные линии.
-
Чтобы направить ближний свет влево или вправо, поверните отвертку (1) по часовой стрелке или против часовой стрелки. Чтобы направить ближний свет вверх или вниз, поверните отвертку (2) по часовой стрелке или против часовой стрелки.
Регулировка угла наклона передних противотуманных фар (при наличии)


Для передних противотуманных фар регулировку угла наклона можно выполнить так же, как и для передних фар. Регулируйте угол наклона передних противотуманных фар, когда сами фары и аккумуляторная батарея находятся в нормальном состоянии.
Основные операции
-
Чтобы изменить направление передней противотуманной фары вверх или вниз, вращайте в соответствующую сторону винт.
Точка наводки

* A: Экран
|
Состояние автомобиля |
Головная фара |
Передняя противотуманная фара (светодиодная ) (при наличии) |
|||||
|---|---|---|---|---|---|---|---|
|
Высота от поверхности земли |
Расстояние между фарами |
Высота от поверхности земли |
Расстояние между фарами |
||||
|
Ближний/дальний свет |
Ближний/дальний свет |
||||||
|
H1 |
H2 |
W1 |
W2 |
H3 |
W3 |
||
|
без водителя [мм (дюйм)] |
Тип A |
727,4 - (28,6) |
1 470,4 - (57,9) |
373,7 - (14,7) |
1 060 - (41,7) |
||
|
Тип B |
750,0 - (29,5) |
681,1 - (26,8) |
1 479,8 - (58,3) |
1 478,5 - (58,2) |
|||
|
с водителем [мм (дюйм)] |
Тип A |
717,4 - (28,2) |
1 470,4 - (57,9) |
363,7 - (14,3) |
1 060 - (41,7) |
||
|
Тип B |
740,0 - (29,1) |
671,1 - (26,4) |
1 479,8 - (58,3) |
1 478,5 - (58,2) |
|||
Передняя фара ближнего света (автомобиль с левосторонним рулем)

-
A: Ось автомобиля
-
B: Вертикальная линия центра лампы левой головной фары
-
C: Вертикальная линия центра лампы правой головной фары
-
D: Горизонтальная линия центра лампы головной фары
-
E: Земля
-
F: Светотеневая граница
Основные операции
-
Включите ближний свет без водителя в автомобиле.
-
Линия светотеневой границы должна соответствовать линии границы на рисунке.
-
Сначала выполняется горизонтальная регулировка фар ближнего света, затем вертикальная.
-
Если на автомобиле установлено выравнивающее устройство для передних фар, установите его переключатель на нулевую позицию.
Головная фара ближнего света (автомобиль с правосторонним рулем)

-
A: Ось автомобиля
-
B: Вертикальная линия центра лампы левой головной фары
-
C: Вертикальная линия центра лампы правой головной фары
-
D: Горизонтальная линия центра лампы головной фары
-
E: Земля
-
F: Светотеневая граница
Основные операции
-
Включите ближний свет без водителя в автомобиле.
-
Линия светотеневой границы должна соответствовать линии границы на рисунке.
-
Сначала выполняется горизонтальная регулировка фар ближнего света, затем вертикальная.
-
Если на автомобиле установлено выравнивающее устройство для передних фар, установите его переключатель на нулевую позицию.
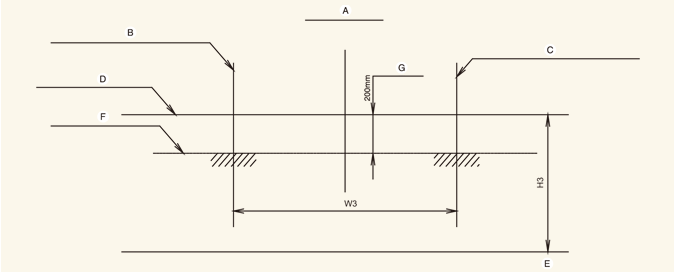
Передние противотуманные фары (при наличии)

-
A: Ось автомобиля
-
B: Вертикальная линия центра лампы левой противотуманной фары
-
C: Вертикальная линия центра лампы правой противотуманной фары
-
D: Горизонтальная линия центра лампы противотуманной фары
-
E: Земля
-
F: Светотеневая граница
-
G: Верхняя граница
Основные операции
-
Включите переднюю противотуманную фару, когда никого нет на месте водителя.
-
Светотеневая граница должна находиться в пределах допустимого диапазона (заштрихованная область).