Orientamento di fari e luci fendinebbia (per l'Europa)
Orientamento dei fari


Funzionamento
-
Gonfiare gli pneumatici con la pressione specificata e rimuovere qualsiasi carico dal veicolo ad eccezione di conducente, pneumatico di scorta e attrezzi.
-
Il veicolo deve essere parcheggiato su un pavimento in piano.
-
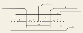
Disegnare due linee verticali (Linee verticali passanti attraverso il centro del rispettivo faro) e una linea orizzontale (Linea orizzontale passante attraverso il centro dei due fari) sullo schermo.
-
Con fari e batteria in condizioni normali, orientare i fari in modo che la porzione con la luminosità massima cada sulle linee orizzontali e verticali.
-
Per orientare il faro anabbagliante verso sinistra o verso destra, ruotare il cacciavite (1) in senso orario o antiorario. Per orientare il faro anabbagliante verso l'alto o verso il basso, ruotare il cacciavite (2) in senso orario o antiorario.
Orientamento luci fendinebbia (se in dotazione)


L'orientamento delle luci fendinebbia si esegue come l'orientamento dei fari. Con i fendinebbia anteriori e la batteria in condizioni di funzionamento normali, orientare i fendinebbia anteriori.
Funzionamento
-
Per orientare i fendinebbia anteriori verso l'alto o verso il basso, ruotare il cacciavite in senso orario o antiorario.
Punto di orientamento


* A: Schermo
|
Condizione veicolo |
Faro |
Luce fendinebbia (tipo a LED) (se in dotazione) |
|||||
|---|---|---|---|---|---|---|---|
|
Altezza da terra |
Distanza tra le luci |
Altezza da terra |
Distanza tra le luci |
||||
|
Anabbaglianti/Abbaglianti |
Anabbaglianti/Abbaglianti |
||||||
|
H1 |
H2 |
W1 |
W2 |
H3 |
W3 |
||
|
senza conducente [mm] |
Tipo A |
727,4 (28,6) |
1.470,4 (57,9) |
354,8 (14,0) |
1.060 (41,7) |
||
|
Tipo B |
750,0 (29,5) |
681,1 (26,8) |
1.479,8 (58,3) |
1.478,5 (58,2) |
|||
|
con il conducente [mm] |
Tipo A |
717,4 (28,2) |
1.470,4 (57,9) |
344,8 (13,6) |
1.060 (41,7) |
||
|
Tipo B |
740,0 (29,1) |
671,1 (26,4) |
1.479,8 (58,3) |
1.478,5 (58,2) |
|||
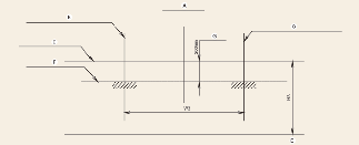
Luce anabbagliante faro (guida a sinistra)

-
A: Asse verticale
-
B: Linea verticale del centro lampadina faro lato sinistro
-
C: Linea verticale del centro lampadina faro lato destro
-
D: Linea orizzontale del centro lampadina faro
-
E: Terreno
-
F: Linea di demarcazione
Funzionamento
-
Accendere le luci anabbaglianti senza conducente a bordo.
-
La linea di demarcazione deve essere proiettata entro la linea di demarcazione indicata in figura.
-
Quando si orientano le luci anabbaglianti, l'orientamento verticale deve essere regolato dopo aver regolato l'orientamento orizzontale.
-
Se il dispositivo di regolazione fari è in dotazione, regolare l'interruttore dispositivo di regolazione fari sulla posizione '0'.
Luce anabbagliante faro (guida a destra)

-
A: Asse verticale
-
B: Linea verticale del centro lampadina faro lato sinistro
-
C: Linea verticale del centro lampadina faro lato destro
-
D: Linea orizzontale del centro lampadina faro
-
E: Terreno
-
F: Linea di demarcazione
Funzionamento
-
Accendere le luci anabbaglianti senza conducente a bordo.
-
La linea di demarcazione deve essere proiettata entro la linea di demarcazione indicata in figura.
-
Quando si orientano le luci anabbaglianti, l'orientamento verticale deve essere regolato dopo aver regolato l'orientamento orizzontale.
-
Se il dispositivo di regolazione fari è in dotazione, regolare l'interruttore dispositivo di regolazione fari sulla posizione '0'.
Luce fendinebbia (se in dotazione)

-
A: Asse verticale
-
B: Linea verticale del centro lampadina luce fendinebbia lato sinistro
-
C: Linea verticale del centro lampadina luce fendinebbia lato destro
-
D: Linea orizzontale del centro lampadine luci fendinebbia
-
E: Terreno
-
F: Linea di demarcazione
-
G: Limite superiore
Funzionamento
-
Accendere le luci fendinebbia senza conducente a bordo.
-
La linea di demarcazione deve essere proiettata nell'area prevista (zona ombreggiata).