Afstellen koplampen en mistlampen voor (Europa)
Koplampen afstellen


Bediening
-
Pomp de banden op tot de gewenste bandenspanning en haal alle lading uit de auto behalve de bestuurder, reserveband en gereedschap.
-
Parkeer de auto op een vlakke ondergrond.
-
Teken verticale lijnen (door de middelpunten van elk van de koplampen) en een horizontale lijn (door de middelpunten van de koplampen) op het scherm.
-
Controleer of de accu voldoende geladen is, schakel de koplampen in en stel de koplampen zo af dat het helderste gedeelte van de lichtbundel op de horizontale en verticale lijnen valt.
-
Draai de schroevendraaier (1) rechtsom of linksom om de dimlichtbundel naar links of rechts te verstellen. Draai de schroevendraaier (2) rechtsom of linksom om de dimlichtbundel naar boven of onder te verstellen.
Mistlamp voor afstellen (indien van toepassing)


De mistlampen aan de voorzijde kunnen op dezelfde manier worden afgesteld als de koplampen. Stel de mistlampen aan de voorzijde af bij een voldoende geladen accu en normaal functionerende lampen.
Bediening
-
Draai de schroevendraaier rechtsom of linksom om de mistlampen aan de voorzijde omhoog of omlaag te richten.
Afstelpunt


* A: Scherm
|
Toestand van de auto |
Koplamp |
Mistvoorlicht (led) (indien van toepassing) |
|||||
|---|---|---|---|---|---|---|---|
|
Grondspeling |
Afstand tussen lampen |
Grondspeling |
Afstand tussen lampen |
||||
|
Dim/Grootlicht |
Dim/Grootlicht |
||||||
|
H1 |
H2 |
W1 |
W2 |
H3 |
W3 |
||
|
zonder bestuurder [mm (in)] |
Type A |
727,4 (28,6) |
1.470,4 (57,9) |
354,8 (14,0) |
1.060 (41,7) |
||
|
Type B |
750,0 (29,5) |
681,1 (26,8) |
1.479,8 (58,3) |
1.478,5 (58,2) |
|||
|
met bestuurder [mm (in)] |
Type A |
717,4 (28,2) |
1.470,4 (57,9) |
344,8 (13,6) |
1.060 (41,7) |
||
|
Type B |
740,0 (29,1) |
671,1 (26,4) |
1.479,8 (58,3) |
1.478,5 (58,2) |
|||
Dimlicht koplamp (stuur links)

-
A: As van auto
-
B: Verticale lijn door middelpunt van linker koplamp
-
C: Verticale lijn door middelpunt van rechter koplamp
-
D: Horizontale lijn door middelpunt van koplamp
-
E: Grond
-
F: Begrenzingslijn
Bediening
-
Zet het dimlicht aan zonder de bestuurder in de auto.
-
De begrenzingslijn moet worden geprojecteerd op de plaats van de begrenzingslijn in de afbeelding.
-
Bij het afstellen van het dimlicht, stelt u eerst horizontaal af, en vervolgens verticaal.
-
Als het voertuig is uitgerust met een schakelaar om de koplampen af te stellen, stelt u de schakelaar ervan in op stand 0.
Dimlicht koplamp (stuur rechts)

-
A: As van auto
-
B: Verticale lijn door middelpunt van linker koplamp
-
C: Verticale lijn door middelpunt van rechter koplamp
-
D: Horizontale lijn door middelpunt van koplamp
-
E: Grond
-
F: Begrenzingslijn
Bediening
-
Zet het dimlicht aan zonder de bestuurder in de auto.
-
De begrenzingslijn moet worden geprojecteerd op de plaats van de begrenzingslijn in de afbeelding.
-
Bij het afstellen van het dimlicht, stelt u eerst horizontaal af, en vervolgens verticaal.
-
Als het voertuig is uitgerust met een schakelaar om de koplampen af te stellen, stelt u de schakelaar ervan in op stand 0.
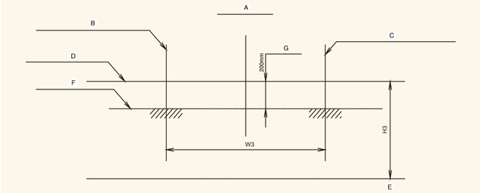
Mistlamp voorzijde (indien van toepassing)

-
A: As van auto
-
B: Verticale lijn door middelpunt van linker mistlamp
-
C: Verticale lijn door middelpunt van rechter mistlamp
-
D: Horizontale lijn door middelpunt van mistlamp
-
E: Grond
-
F: Begrenzingslijn
-
G: Bovenste grenswaarde
Bediening
-
Schakel de mistlamp vooraan in zonder dat de bestuurder in de auto zit.
-
De begrenzingslijn moet binnen het toegestane bereik (gearceerd gebied) worden geprojecteerd.