Ajovalojen ja etusumuvalon lamppujen suuntaus (Euroopassa)
Ajovalojen suuntaus


-
Täytä renkaat määritettyihin paineisiin ja poista autosta muu kuorma kuin kuljettaja, vararengas ja työkalut.
-
Auto on sijoitettava tasaiselle alustalle.
-
Piirrä taustalle pystysuorat viivat (jotka kulkevat kunkin ajovalon lampun keskipisteen kautta) ja vaakasuora viiva (joka kulkee ajovalojen lamppujen keskipisteen kautta).
-
Kun ajovalot ja akku ovat normaalissa kunnossa, kohdista ajovalot siten, että kirkkain osa osuu vaaka- ja pystysuorille viivoille.
-
Suuntaa lähi- ja pitkät valot vasemmalle tai oikealle kiertämällä ruuvia (1) myötäpäivään tai vastapäivään. Suuntaa lähi- ja pitkät valot ylös tai alas kiertämällä ruuvia (2) myötäpäivään tai vastapäivään.
Etusumuvalon suuntaus

Etusumuvalot voidaan suunnata samalla tavalla kuin ajovalojen lamput.
Kun etusumuvalot ja akku ovat normaalikunnossa, suuntaa etusumuvalot.
Suuntaa etusumuvaloa ylös tai alas kiertämällä ruuvia myötäpäivään tai vastapäivään.
Kohdistuspiste

* A : Näyttö
Yksikkö: mm (tuumaa)
|
Auton tila |
Ajovalo (halogeeni) |
Ajovalo (LED) |
||||||
|---|---|---|---|---|---|---|---|---|
|
Korkeus maasta |
Lamppujen välinen etäisyys |
Korkeus maasta |
Lamppujen välinen etäisyys |
|||||
|
Lähivalot |
Kaukovalot |
Lähivalot |
Kaukovalot |
Lähivalot |
Kaukovalot |
Lähivalot |
Kaukovalot |
|
|
H1 |
H2 |
W1 |
W2 |
H1' |
H2' |
W1' |
W2' |
|
|
Ilman kuljettajaa |
841 (33,1) |
841 (33,1) |
1411 (55,6) |
1411 (55,6) |
851 (33,5) |
851 (33,5) |
1,384 (54,5) |
1,384 (54,5) |
|
Kuljettajalla |
836 (32,9) |
836 (32,9) |
1411 (55,6) |
1411 (55,6) |
846 (33,3) |
846 (33,3) |
1,384 (54,5) |
1,384 (54,5) |
|
Auton tila |
Etusumuvalo (polttimotyyppinen) |
|
|---|---|---|
|
Korkeus maasta |
Lamppujen välinen etäisyys |
|
|
H3 |
W3 |
|
|
Ilman kuljettajaa |
569 (22,4) |
1 548(61,0) |
|
Kuljettajalla |
564 (22,2) |
1 548(61,0) |

A: Pystylinja vasemman ajovalon (lähivalo) polttimon keskeltä
B: Pystylinja oikean ajovalon (lähivalo) polttimon keskeltä
C: Vaakalinja ajovalon (lähivalo) polttimon keskeltä
D: Leikkauslinja
E: Auton akseli
F: MAA
-
Kytke lähivalot päälle ilman, että ajoneuvossa on kuljettajaa.
-
Leikkauslinjan on kohdistuttava kuvassa esitettyyn leikkauslinjaan.
-
Suunnattaessa lähivaloja pystysuora suuntaus on säädettävä vaakasuoran suuntauksen jälkeen.
-
Jos ajovalojen korkeudensäätölaite kuuluu varusteisiin, säädä ajovalojen korkeudensäätökytkin asentoon 0.

A: Pystylinja vasemman ajovalon (lähivalo) polttimon keskeltä
B: Pystylinja oikean ajovalon (lähivalo) polttimon keskeltä
C: Vaakalinja ajovalon (lähivalo) polttimon keskeltä
D: Leikkauslinja
E: Auton akseli
F: MAA
-
Kytke lähivalot päälle ilman, että ajoneuvossa on kuljettajaa.
-
Leikkauslinjan on kohdistuttava kuvassa esitettyyn leikkauslinjaan.
-
Suunnattaessa lähivaloja pystysuora suuntaus on säädettävä vaakasuoran suuntauksen jälkeen.
-
Jos ajovalojen korkeudensäätölaite kuuluu varusteisiin, säädä ajovalojen korkeudensäätökytkin asentoon 0.

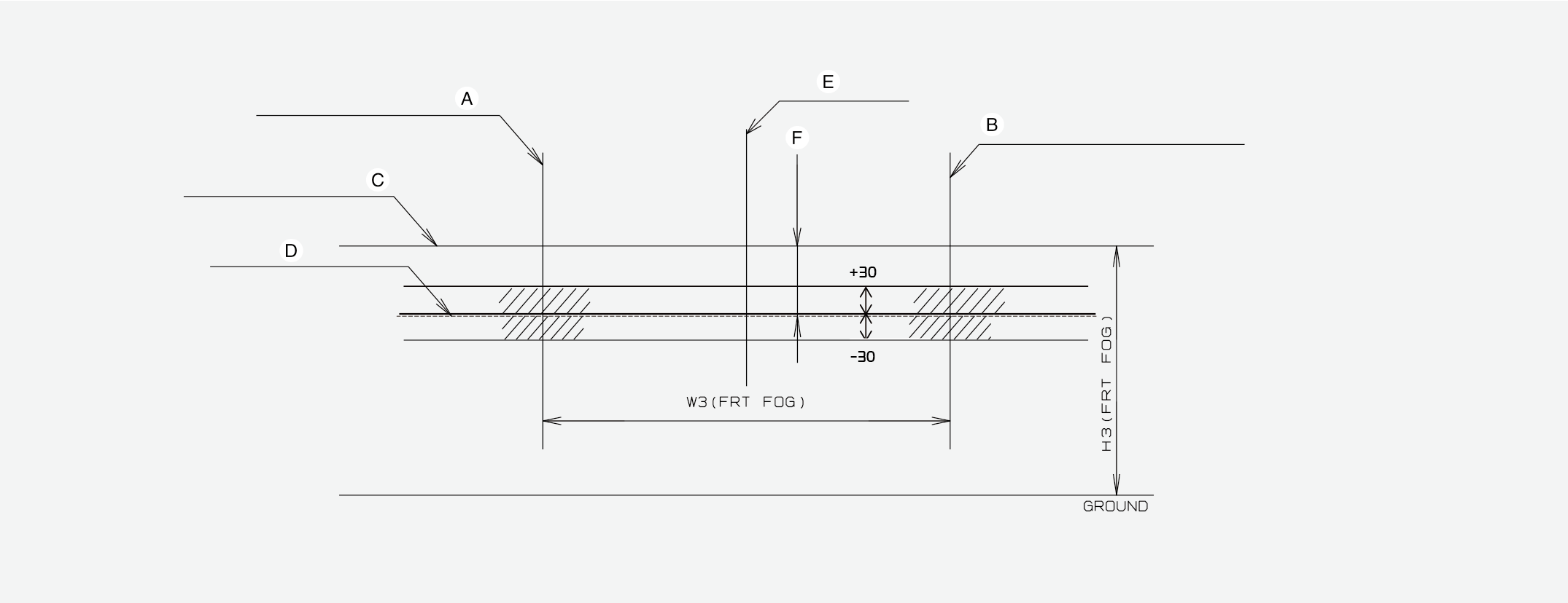
A: Pystysuora linja vasemman sumuvalon polttimon keskeltä
B: Pystysuora linja oikean sumuvalon polttimon keskeltä
C: Vaakasuora viiva sumuvalon (lähi) polttimon keskellä
D: Leikkauslinja
E: Auton akseli
F: Yläraja
G : Maa
-
Kytke sumuvalo päälle ilman, että autossa on kuljettajaa.
-
Reunan on osuttava sallitulle alueelle (varjostettu alue).