Usmjeravanje prednjih svjetala i prednje lampice za maglu (za Europu)
Usmjeravanje prednjih svjetala


Rad
-
Napušite gume do preciziranog tlaka i uklonite sav teret iz vozila, osim vozača, rezervne gume i alata.
-
Vozilo treba postaviti na ravnu podlogu.
-
Na zaslonu nacrtajte okomite crte (okomite crte koje prolaze kroz odgovarajuća središta prednjih svjetala) i vodoravnu crtu (vodoravna crta koja prolazi kroz središte prednjih svjetala).
-
S glavnim svjetlom i akumulatorom u normalnom stanju, usmjerite prednja svjetla tako da najsvjetliji dio padne na vodoravne i okomite crte.
-
Kako biste usmjerili kratka svjetla ulijevo ili udesno, okrečite odvijač (1) u smjeru kazaljke na satu ili u smjeru suprotnom od kazaljke na satu. Kako biste usmjerili kratka svjetla gore ili dolje, okrečite odvijač (2) u smjeru kazaljke na satu ili u smjeru suprotnom od kazaljke na satu.
Usmjeravanje prednjeg svjetla za maglu (Ako je opremljeno)


Prednje svjetlo za maglu može se umjeriti na isti način kao i usmjeravanje prednjih svjetala. Prednja svjetla za maglu usmjerite kada su prednja svjetla za maglu i akumulator u normalnom stanju.
Rad
-
Okrečite odvijač u smjeru kazaljke na satu kako biste usmjerili prednje svjetlo za maglu gore ili dolje.
Točka usmjeravanja


* A: Zaslon
|
Stanje vozila |
Glavno svjetlo |
Prednje svjetlo za maglu (LED) (ako je u opremi) |
|||||
|---|---|---|---|---|---|---|---|
|
Visina tla |
Udaljenost između svjetiljki |
Visina tla |
Udaljenost između svjetiljki |
||||
|
Kratka / duga svjetla |
Kratka / duga svjetla |
||||||
|
H1 |
H2 |
W1 |
W2 |
H3 |
W3 |
||
|
bez vozača [mm (in)] |
Tip A |
727,4 (28,6) |
1470,4 (57,9) |
354,8 (14,0) |
1060 (41,7) |
||
|
Tip B |
750,0 (29,5) |
681,1 (26,8) |
1479,8 (58,3) |
1478,5 (58,2) |
|||
|
s vozačem [mm (in)] |
Tip A |
717,4 (28,2) |
1470,4 (57,9) |
344,8 (13,6) |
1060 (41,7) |
||
|
Tip B |
740,0 (29,1) |
671,1 (26,4) |
1479,8 (58,3) |
1478,5 (58,2) |
|||
Snop prednjih kratkih svjetala (LHD vozilo)

-
A: Os vozila
-
B: Okomita crta sredine žarulje lijevog prednjeg svjetla
-
C: Okomita crta sredine žarulje desnog prednjeg svjetla
-
D: Vodoravna crta sredine žarulje prednjeg svjetla
-
E: Tlo
-
F: Granična crta
Rad
-
Uključite kratka svjetla bez vozača u vozilu.
-
Graničnu crtu treba projicirati u graničnoj liniji prikazanoj na slici.
-
Kada usmjeravate kratka svjetla, okomito usmjeravanje treba prilagoditi nakon podešavanja vodoravnog usmjeravanja.
-
Ako je u opremi uređaj za izravnavanje glavnih svjetala, podesite sklopku uređaja za izravnavanje prednjih svjetala s položajima 0.
Snop prednjih kratkih svjetala (RHD vozilo)

-
A: Os vozila
-
B: Okomita crta sredine žarulje lijevog prednjeg svjetla
-
C: Okomita crta sredine žarulje desnog prednjeg svjetla
-
D: Vodoravna crta sredine žarulje prednjeg svjetla
-
E: Tlo
-
F: Granična crta
Rad
-
Uključite kratka svjetla bez vozača u vozilu.
-
Graničnu crtu treba projicirati u graničnoj liniji prikazanoj na slici.
-
Kada usmjeravate kratka svjetla, okomito usmjeravanje treba prilagoditi nakon podešavanja vodoravnog usmjeravanja.
-
Ako je u opremi uređaj za izravnavanje glavnih svjetala, podesite sklopku uređaja za izravnavanje prednjih svjetala s položajima 0.
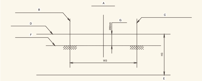
Prednje svjetlo za maglu (Ako je opremljeno)

-
A: Os vozila
-
B: Okomita crta sredine lijeve žarulje maglenke
-
C: Okomita crta sredine desne žarulje maglenke
-
D: Vodoravna crta sredine žarulje maglenke
-
E: Tlo
-
F: Granična crta
-
G: Gornja granica
Rad
-
Uključite prednje svjetlo za maglu bez vozača u vozilu.
-
Granična linija treba biti projicirana u dopuštenom rasponu (zasjenjeno područje).