Scheinwerfer und Nebelscheinwerfer ausrichten (Für Europa)
Scheinwerfer ausrichten


Funktion
-
Pumpen Sie die Reifen mit dem vorgeschriebenen Luftdruck auf. Außer dem Fahrer, dem Ersatzrad und den Werkzeugen dürfen sich keine Lasten im Fahrzeug befinden.
-
Das Fahrzeug muss auf ebenem Untergrund stehen.
-
Zeichnen Sie vertikale Linien (die durch die jeweiligen Mittelpunkte der Scheinwerfer führen) und eine horizontale Linie (die durch die Mittelpunkte der Scheinwerfer führt) auf die Leinwand.
-
Wenn die Scheinwerfer und die Batterie normal funktionieren, richten Sie die Scheinwerfer so aus, dass der hellste Punkt auf die horizontalen und vertikalen Linien fällt.
-
Um das Abblendlicht nach links oder rechts auszurichten, drehen Sie den Schraubendreher (1) nach links oder rechts. Um das Abblendlicht nach oben und unten zu verstellen, drehen Sie den Schraubendreher (2) nach links oder nach rechts.
Nebelscheinwerfer ausrichten (ausstattungsabhängig)


Der vordere Nebelscheinwerfer kann genauso justiert werden wie die normalen Scheinwerfer. Schalten Sie die vorderen Nebelscheinwerfer bei voll aufgeladener Batterie ein und justieren Sie die Nebelscheinwerfer.
Funktion
-
Um den Nebelscheinwerfer nach oben oder unten zu verstellen, drehen Sie den Schraubendreher im bzw. gegen den Uhrzeigersinn.
Ausrichtungspunkt

* A: Anzeige
|
Fahrzeugzustand |
Scheinwerfer |
Nebelscheinwerfer (LED-Typ) (ausstattungsabhängig) |
|||||
|---|---|---|---|---|---|---|---|
|
Höhe über Grund |
Entfernung zwischen Lampen |
Höhe über Grund |
Entfernung zwischen Lampen |
||||
|
Abblendlicht/Fernlicht |
Abblendlicht/Fernlicht |
||||||
|
H1 |
H2 |
W1 |
W2 |
H3 |
W3 |
||
|
Ohne Fahrer [mm (Zoll)] |
Typ A |
727,4 (28,6) |
1.470,4 (57,9) |
373,7 (14,7) |
1.060 (41,7) |
||
|
Typ B |
750,0 (29,5) |
681,1 (26,8) |
1.479,8 (58,3) |
1.478,5 (58,2) |
|||
|
Mit Fahrer [mm (Zoll)] |
Typ A |
717,4 (28,2) |
1.470,4 (57,9) |
363,7 (14,3) |
1.060 (41,7) |
||
|
Typ B |
740,0 (29,1) |
671,1 (26,4) |
1.479,8 (58,3) |
1.478,5 (58,2) |
|||
Abblendlicht (links)

-
A: Fahrzeugachse
-
B: Vertikale Linie vom Mittelpunkt der linken Scheinwerferglühbirne
-
C: Vertikale Linie vom Mittelpunkt der rechten Scheinwerferglühbirne
-
D: Horizontale Linie vom Mittelpunkt der Scheinwerferglühbirne
-
E: Boden
-
F: Grenzlinie
Funktion
-
Schalten Sie das Abblendlicht ein, ohne dass der Fahrer im Fahrzeug sitzt.
-
Die Grenzlinie muss wie in der Abbildung gezeigt projiziert werden.
-
Bei der Einstellung des Abblendlichtes sollte erst die horizontale Ausrichtung und danach die vertikale Ausrichtung vorgenommen werden.
-
Wenn das Fahrzeug mit einer Scheinwerferhöhenverstellung ausgestattet ist, stellen Sie die Scheinwerferhöhe mit 0 Positionen ein.
Abblendlicht (rechts)

-
A: Fahrzeugachse
-
B: Vertikale Linie vom Mittelpunkt der linken Scheinwerferglühbirne
-
C: Vertikale Linie vom Mittelpunkt der rechten Scheinwerferglühbirne
-
D: Horizontale Linie vom Mittelpunkt der Scheinwerferglühbirne
-
E: Boden
-
F: Grenzlinie
Funktion
-
Schalten Sie das Abblendlicht ein, ohne dass der Fahrer im Fahrzeug sitzt.
-
Die Grenzlinie muss wie in der Abbildung gezeigt projiziert werden.
-
Bei der Einstellung des Abblendlichtes sollte erst die horizontale Ausrichtung und danach die vertikale Ausrichtung vorgenommen werden.
-
Wenn das Fahrzeug mit einer Scheinwerferhöhenverstellung ausgestattet ist, stellen Sie die Scheinwerferhöhe mit 0 Positionen ein.
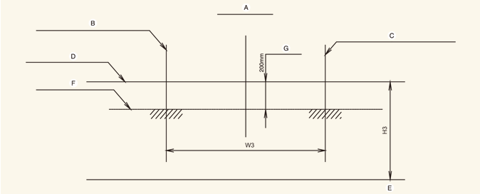
Nebelscheinwerfer (ausstattungsabhängig)

-
A: Fahrzeugachse
-
B: Vertikale Linie vom Mittelpunkt der linken Nebelleuchten-Glühbirne
-
C: Vertikale Linie vom Mittelpunkt der rechten Nebelleuchten-Glühbirne
-
D: Horizontale Linie vom Mittelpunkt der Nebelscheinwerferglühbirne
-
E: Boden
-
F: Grenzlinie
-
G: Obere Grenze
Funktion
-
Schalten Sie den Nebelscheinwerfer ein, ohne dass der Fahrer im Fahrzeug sitzt.
-
Die Hell-Dunkel-Grenze sollte im zulässigen Bereich liegen (schraffierte Region).