Направление фар и передних противотуманных фар (для Европы)
Регулировка угла наклона головных фар


Эксплуатация
-
Установите надлежащее давление в шинах и уберите нагрузку из автомобиля, за исключением водителя, запасного колеса и инструментов.
-
Автомобиль необходимо расположить на ровной площадке.
-
Начертите на экране вертикальные и горизонтальные линии (проходящие через центры соответствующих фар).
-
Убедившись в исправном состоянии фар и аккумуляторной батареи, направьте фары так, чтобы максимальная яркость падала на горизонтальные и вертикальные линии.
-
Чтобы направить ближний свет влево или вправо, поверните отвертку (1) по часовой стрелке или против часовой стрелки. Чтобы направить ближний свет вверх или вниз, поверните отвертку (2) по часовой стрелке или против часовой стрелки.
Направление передних противотуманных фар (при наличии)


Передняя противотуманная фара может быть направлена в том же направлении, что и фары головного света. При нормальном состоянии передних противотуманных фар и аккумулятора направьте передние противотуманные фары.
Эксплуатация
-
Поверните отвертку по часовой стрелке или против часовой стрелки, чтобы направить передние противотуманные фары вверх или вниз.
Точка наводки


* A: экран
|
Состояние автомобиля |
Головная фара |
Передняя противотуманная фара (светодиодная) (при наличии) |
|||||
|---|---|---|---|---|---|---|---|
|
Высота от поверхности земли |
Расстояние между фарами |
Высота от поверхности земли |
Расстояние между фарами |
||||
|
Ближний/дальний свет |
Ближний/дальний свет |
||||||
|
H1 |
H2 |
W1 |
W2 |
H3 |
W3 |
||
|
без водителя [мм (дюймы)] |
Тип A |
745,9 (29,4) |
1 470,4 (57,9) |
373,7 (14,7) |
1 034 (40,7) |
||
|
Тип B |
768,6 (30,3) |
699,6 (27,5) |
1 479,8 (58,3) |
1 478,5 (58,2) |
|||
|
с водителем [мм (дюймы)] |
Тип A |
735,9 (29,0) |
1 470,4 (57,9) |
363,7 (14,3) |
1 034 (40,7) |
||
|
Тип B |
758,6 (30,0) |
689,6 (27,1) |
1 479,8 (58,3) |
1 478,5 (58,2) |
|||
Передняя фара ближнего света (автомобиль с левосторонним рулем)

-
A: Ось автомобиля
-
B: Вертикальная линия центра лампы левой головной фары
-
C: Вертикальная линия центра лампы правой головной фары
-
D: Горизонтальная линия центра лампы головной фары
-
E: Земля
-
F: Линия светотеневой границы
Эксплуатация
-
Включите ближний свет без водителя в автомобиле.
-
Линия светотеневой границы должна соответствовать линии границы на рисунке.
-
Сначала выполняется горизонтальная регулировка фар, затем вертикальная.
-
При наличии устройства корректировки наклона фар головного установите переключатель корректировки наклона фар в положение 0.
Головная фара ближнего света (автомобиль с правосторонним рулем)

-
A: Ось автомобиля
-
B: Вертикальная линия центра лампы левой головной фары
-
C: Вертикальная линия центра лампы правой головной фары
-
D: Горизонтальная линия центра лампы головной фары
-
E: Земля
-
F: Линия светотеневой границы
Эксплуатация
-
Включите ближний свет без водителя в автомобиле.
-
Линия светотеневой границы должна соответствовать линии границы на рисунке.
-
Сначала выполняется горизонтальная регулировка фар, затем вертикальная.
-
При наличии устройства корректировки наклона фар головного установите переключатель корректировки наклона фар в положение 0.
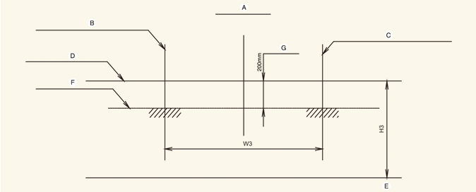
Передняя противотуманная фара (при наличии)

-
A: Ось автомобиля
-
B: Вертикальная линия центра лампы левой противотуманной фары
-
C: Вертикальная линия центра лампы правой противотуманной фары
-
D: Горизонтальная линия центра лампы противотуманной фары
-
E: Земля
-
F: Линия светотеневой границы
-
G: Верхний предел
Эксплуатация
-
Включите передний противотуманный фонарь, если водителя нет в салоне автомобиля.
-
Светотеневая граница должна проецироваться в допустимом диапазоне (заштрихованная область).