Usmjeravanje prednjih svjetala i prednje lampice za maglu (za Europu)
Usmjeravanje prednjih svjetala


Rad
-
Napumpajte gume do navedenog tlaka i uklonite sav teret iz vozila, osim vozača, rezervne gume i alata.
-
Vozilo treba postaviti na ravnu podlogu.
-
Na zaslonu nacrtajte okomite crte (okomite crte koje prolaze kroz odgovarajuća središta prednjih svjetala) i vodoravnu crtu (vodoravna crta koja prolazi kroz središte prednjih svjetala).
-
S glavnim svjetlom i baterijom u normalnom stanju, usmjerite prednja svjetla tako da najsvjetliji dio padne na vodoravne i okomite crte.
-
Kako biste usmjerili kratka svjetla ulijevo ili udesno, okrečite odvijač (1) u smjeru kazaljke na satu ili u smjeru suprotnom od kazaljke na satu. Kako biste usmjerili kratka svjetla gore ili dolje, okrečite odvijač (2) u smjeru kazaljke na satu ili u smjeru suprotnom od kazaljke na satu.
Usmjeravanje prednjeg svjetla za maglu (Ako je opremljeno)


Prednje svjetlo za maglu može se usmjeriti na isti način kao što se usmjeravaju prednja svjetla. Prednja svjetla za maglu usmjerite kada su prednja svjetla za maglu i akumulator u normalnom stanju.
Rad
-
Okrečite odvijač u smjeru kazaljke na satu kako biste usmjerili prednje svjetlo za maglu gore ili dolje.
Točka usmjeravanja


* A: Zaslon
|
Stanje vozila |
Glavno svjetlo |
Prednje svjetlo za maglu (LED) (ako je u opremi) |
|||||
|---|---|---|---|---|---|---|---|
|
Visina tla |
Udaljenost između svjetiljki |
Visina tla |
Udaljenost između svjetiljki |
||||
|
Kratka / duga svjetla |
Kratka / duga svjetla |
||||||
|
H1 |
H2 |
W1 |
W2 |
H3 |
W3 |
||
|
bez vozača [mm (in)] |
Tip A |
745,9 (29,4) |
1470,4 (57,9) |
373,7 (14,7) |
1034 (40,7) |
||
|
Tip B |
768,6 (30,3) |
699,6 (27,5) |
1479,8 (58,3) |
1478,5 (58,2) |
|||
|
s vozačem [mm (in)] |
Tip A |
735,9 (29,0) |
1470,4 (57,9) |
363,7 (14,3) |
1034 (40,7) |
||
|
Tip B |
758,6 (30,0) |
689,6 (27,1) |
1479,8 (58,3) |
1478,5 (58,2) |
|||
Snop prednjih kratkih svjetala (LHD vozilo)

-
A: Os vozila
-
B: Okomita crta sredine žarulje lijevog prednjeg svjetla
-
C: Okomita crta sredine žarulje desnog prednjeg svjetla
-
D: Vodoravna crta sredine žarulje prednjeg svjetla
-
E: Tlo
-
F: Granična crta
Rad
-
Uključite kratka svjetla bez vozača u vozilu.
-
Graničnu crtu treba projicirati u graničnoj liniji prikazanoj na slici.
-
Kada usmjeravate kratka svjetla, okomito usmjeravanje treba prilagoditi nakon podešavanja vodoravnog usmjeravanja.
-
Ako je u opremi uređaj za izravnavanje glavnih svjetala, podesite sklopku uređaja za izravnavanje prednjih svjetala s položajima 0.
Snop prednjih kratkih svjetala (RHD vozilo)

-
A: Os vozila
-
B: Okomita crta sredine žarulje lijevog prednjeg svjetla
-
C: Okomita crta sredine žarulje desnog prednjeg svjetla
-
D: Vodoravna crta sredine žarulje prednjeg svjetla
-
E: Tlo
-
F: Granična crta
Rad
-
Uključite kratka svjetla bez vozača u vozilu.
-
Graničnu crtu treba projicirati u graničnoj liniji prikazanoj na slici.
-
Kada usmjeravate kratka svjetla, okomito usmjeravanje treba prilagoditi nakon podešavanja vodoravnog usmjeravanja.
-
Ako je u opremi uređaj za izravnavanje glavnih svjetala, podesite sklopku uređaja za izravnavanje prednjih svjetala s položajima 0.
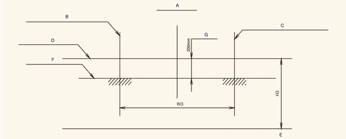
Prednje svjetlo za maglu (Ako je opremljeno)

-
A: Os vozila
-
B: Okomita crta sredine lijeve žarulje maglenke
-
C: Okomita crta sredine desne žarulje maglenke
-
D: Vodoravna crta sredine žarulje maglenke
-
E: Tlo
-
F: Granična crta
-
G: Gornja granica
Rad
-
Uključite prednje svjetlo za maglu bez vozača u vozilu.
-
Granična linija treba biti projicirana u dopuštenom rasponu (zasjenjeno područje).