Ajovalojen ja etusumuvalon suuntaus (Euroopassa)
Ajovalojen suuntaus


Käyttö
-
Täytä renkaat määritettyihin paineisiin ja poista autosta muu kuorma kuin kuljettaja, vararengas ja työkalut.
-
Auto on sijoitettava tasaiselle alustalle.
-
Piirrä taustalle pystysuorat viivat (jotka kulkevat kunkin ajovalon lampun keskipisteen kautta) ja vaakasuora viiva (joka kulkee ajovalojen lamppujen keskipisteen kautta).
-
Kun ajovalot ja akku ovat normaalissa kunnossa, kohdista ajovalot siten, että kirkkain osa osuu vaaka- ja pystysuorille viivoille.
-
Suuntaa lähivaloa vasemmalle tai oikealle kiertämällä ruuvimeisselillä (1) myötäpäivään tai vastapäivään. Suuntaa lähivaloa ylös tai alas kiertämällä ruuvia (2) myötä- tai vastapäivään.
Etusumuvalon lampun suuntaaminen




Etusumuvalo voidaan suunnata samalla tavalla kuin ajovalot. Suuntaa etusumuvalot, kun etusumuvalot ja akku ovat normaalissa tilassa.
Käyttö
-
Kierrä ruuvitaltalla ruuvia myötä- tai vastapäivään etusumuvalon kääntämiseksi ylöspäin tai alaspäin.
Kohdistuspiste

* A: Näyttö
|
Auton tila |
Ajovalo (LED) |
Etusumuvalon lamppu (LED-tyyppi) (jos kuuluu varusteisiin) |
|||||
|---|---|---|---|---|---|---|---|
|
Korkeus maasta |
Lamppujen välinen etäisyys |
Korkeus maasta |
Lamppujen välinen etäisyys |
||||
|
Lähi-/pitkät valot |
Lähi-/pitkät valot |
||||||
|
H1 |
H2 |
W1 |
W2 |
H3 |
W3 |
||
|
ilman kuljettajaa [mm (tuumaa)] |
Tyyppi A |
754,1 (29,7) |
689,1 (27,1) |
1 456 (57,3) |
1 558 (61,3) |
412,5 (16,2) |
1 380 (54,3) |
|
Tyyppi B |
761,1 (30,0) |
704,1 (27,2) |
1 540 (60,6) |
1 540 (60,6) |
405,1 (15,9) |
1 475 (58,1) |
|
|
kuljettajan kanssa [mm (tuumaa)] |
Tyyppi A |
744,1 (29,3) |
679,1 (26,3) |
1 456 (57,3) |
1 558 (61,3) |
402,5 (15,8) |
1 380 (54,3) |
|
Tyyppi B |
751,1 (29,6) |
694,1 (27,3) |
1 540 (60,6) |
1 540 (60,6) |
395,1 (15,6) |
1 475 (58,1) |
|
Ajovalo pitkät valot (LHD-auto)

-
A: Auton akseli
-
B: Pystysuora linja vasemman ajovalon polttimon keskeltä
-
C: Pystysuora linja oikean ajovalon polttimon keskeltä
-
D: Vaakasuora viiva ajovalon polttimon keskellä
-
E: Maa
-
F: Leikkauslinja
Käyttö
-
Kytke lähivalot päälle ilman, että ajoneuvossa on kuljettajaa.
-
Leikkauslinjan on kohdistuttava kuvassa esitettyyn leikkauslinjaan.
-
Suunnattaessa lähivaloja pystysuora suuntaus on säädettävä vaakasuoran suuntauksen jälkeen.
-
Jos ajovalojen tasauslaite kuuluu varusteisiin, säädä ajovalot tasauslaitteen kytkin 0-asennossa.
Ajovalo pitkät valot (RHD-auto)

-
A: Auton akseli
-
B: Pystysuora linja vasemman ajovalon polttimon keskeltä
-
C: Pystysuora linja oikean ajovalon polttimon keskeltä
-
D: Vaakasuora viiva ajovalon polttimon keskellä
-
E: Maa
-
F: Leikkauslinja
Käyttö
-
Kytke lähivalot päälle ilman, että ajoneuvossa on kuljettajaa.
-
Leikkauslinjan on kohdistuttava kuvassa esitettyyn leikkauslinjaan.
-
Suunnattaessa lähivaloja pystysuora suuntaus on säädettävä vaakasuoran suuntauksen jälkeen.
-
Jos ajovalojen tasauslaite kuuluu varusteisiin, säädä ajovalot tasauslaitteen kytkin 0-asennossa.
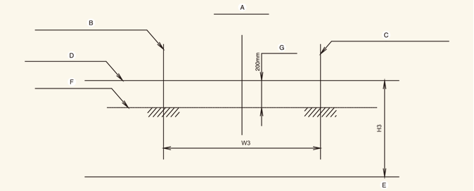
Etusumuvalo

-
A: Auton akseli
-
B: Pystysuora linja vasemman sumuvalon polttimon keskeltä
-
C: Pystysuora linja oikean sumuvalon polttimon keskeltä
-
D: Vaakasuora viiva sumuvalon polttimon keskellä
-
E: Maa
-
F: Leikkauslinja
-
G: Yläraja
Käyttö
-
Kytke sumuvalo päälle ilman, että autossa on kuljettajaa.
-
Reunan on osuttava sallitulle alueelle (varjostettu alue).