جر المقطورة - لأوروبا فقط (1 طن فقط)

جر مقطورة
إذا لم تستخدم المعدات الصحيحة والقيادة بشكل سليم، فقد تفقد السيطرة عند سحب المقطورة. على سبيل المثال، إذا كانت المقطورة ثقيلة جدًا، فقد لا تعمل الفرامل بشكل جيد - أو قد لا تعمل حتى على الإطلاق. وقد تصاب أنت والركاب بإصابات خطيرة أو قاتلة. لا تقم بجر مقطورة إلا إذا قمت باتباع جميع الخطوات في هذا القسم.

حدود الوزن
قبل الجر، تأكد من أن الوزن الكلي للمقطورة، والوزن الإجمالي للمجموعة (GCW)، والوزن الإجمالي للمركبة (GVW)، والوزن الكلي للمحور (GAW)، ووزن عمود الربط بالمقطورة كلها ضمن الحدود المسموح بها.

بالنسبة لدول أوروبا
-
يمكن تجاوز الحمل الأقصى المسموح به من الناحية الفنية على المحور (المحاور) الخلفي بما لا يزيد عن 15٪، ويمكن تجاوز الحد الأقصى المسموح به من الناحية الفنية لوزن تحميل السيارة بما لا يزيد عن 10٪ أو 100 كجم، (220.4 رطلاً) أيهما أقل قيمة. في هذه الحالة، لا تتجاوز سرعة 100 كم/ساعة (62.1 ميلًا/ساعة) للسيارة من فئة M1 أو 80 كم/ساعة (49.7 ميلًا/ساعة) للسيارة من فئة N1.
-
عند جر مقطورة، قد يؤدي الحمل الإضافي الموجود على جهاز قارنة المقطورة إلى تجاوز الحد الأقصى لمعدلات حمل الإطارات الخلفية، ولكن ليس بأكثر من 15٪. وفي هذه الحالة، لا تتجاوز سرعة 100 كيلومتر في الساعة، وينبغي أن يكون ضغط الإطارات الخلفية أعلى بمقدار 20 كيلو باسكال (0.2 بار) على الأقل من ضغط الإطارات الموصى به للاستخدام العادي (أي دون تركيب مقطورة).

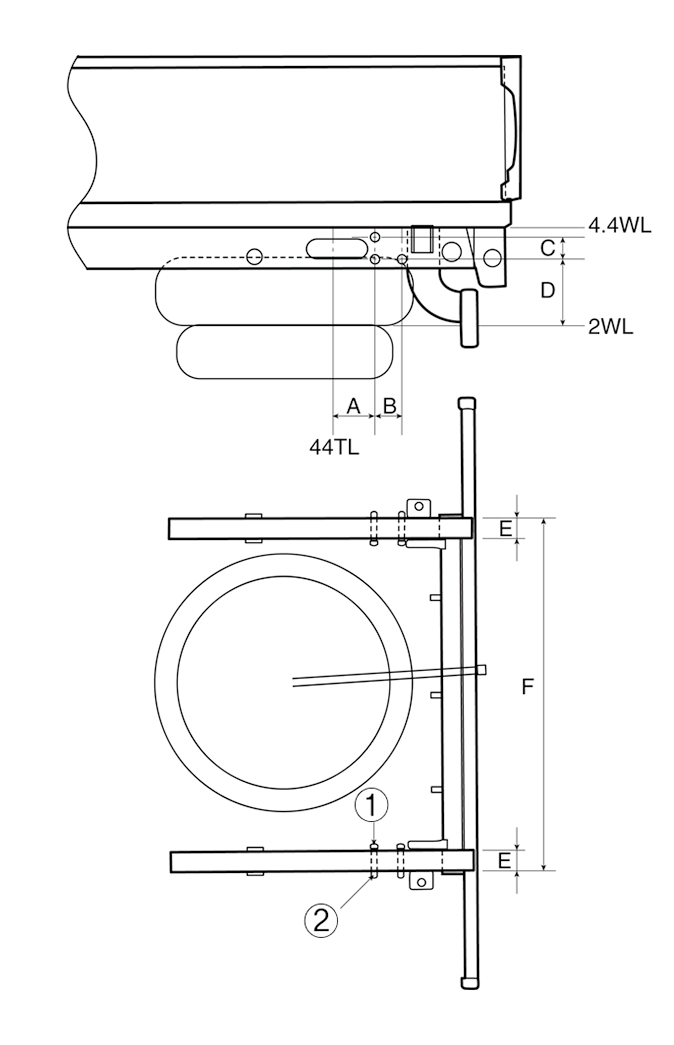
* 1:حلقة2: مسمار 6-M 12
أ: 165 (6.50)
ب: 70 (2.76)
ج: 55 (2.17)
د: 165 (6.50)
هـ: 50 (1.97)
و: 880 (34.65)
يمكن لسيارتك جر مقطورة لتحديد قدرة السيارة على جر مقطورة المناسبة لسيارتك، ينبغي عليك قراءة المعلومات الواردة في قسم "وزن المقطورة" والوارد لاحقًا في هذا القسم.
وتذكر أن جر مقطورة أمر مختلف عن مجرد قيادة سيارتك وحدها. يعني قطر مركبة حدوث تغييرات في التحكم والمتانة وتوفير الوقود. يتطلب جر المقطورات بشكل ناجح وآمن وجود معدات صحيحة، ولا بد من استخدامها بشكل صحيح.
يحتوي هذا القسم على العديد من النصائح الهامة والتي تم اختبارها بمرور الوقت الخاصة بجر المقطورات وكذلك قواعد السلامة. يحظى الكثير منها بأهمية حرصًا على سلامتك وسلامة ركاب سيارتك. يُرجى قراءة هذا القسم جيدًا قبل القيام بسحب مقطورة.
تضطر مكونات سحب الحمل مثل المحرك وناقل الحركة ومجموعات العجل والإطارات إلى العمل بشكل أقوى مقابل لحمل الوزن المضاف. وينبغي أن يعمل المحرك بسرعات أعلى نسبيًا وفي ظل وجود أحمال أكبر. هذا الحمل الإضافي يولد حرارة إضافية، كما تضيف المقطورة مقاومة للرياح إلى حد كبير، مما يزيد من متطلبات السحب.