A fényszóró és az első ködfényszóró beállítása (Európában)
A fényszóró beállítása


-
Fújja fel a gumiabroncsokat az előírt nyomásra, és távolítsa el az összes súlyt a gépkocsiból a vezető, a pótkerék és a szerszámok kivételével.
-
A gépkocsival vízszintes talajra kell állni.
-
Rajzoljon a képernyőre függőleges vonalakat (amelyek az adott fényszórók középpontjain haladnak át) és egy vízszintes vonalat (amely a fényszórók középpontján halad át).
-
A fényszóró és az akkumulátor normál állapotában állítsa be a fényszórókat úgy, hogy a legfényesebb rész a vízszintes és függőleges vonalakra essen.
-
A tompított és országúti fényszóró balra vagy jobbra állításához forgassa a csavarhúzót (1) az óramutató járásával megegyező, illetve ellentétes irányba. A tompított és országúti fényszóró felfelé vagy lefelé történő állításához forgassa a csavarhúzót (2) az óramutató járásával megegyező, illetve ellentétes irányba.
Az első ködlámpa beállítása

Az első ködfényszóró ugyanazzal a módszerrel állítható be, mint a fényszóró.
Ha az első ködlámpa és az elem megfelelő állapotban van, akkor állítsa be az első ködlámpa .
Az első ködlámpa felfelé, ill. lefelé történő beállításához forgassa a csavarhúzót az óra járásával megegyező, ill. ellentétes irányba.
Célzópont

* A: Képernyő
Egység: mm
|
A gépkocsi állapota |
Fényszóró (Halogén) |
Elülső fényszóró (LED típus) |
||||||
|---|---|---|---|---|---|---|---|---|
|
Talajtól számított magasság |
Lámpák közötti távolság |
Talajtól számított magasság |
Lámpák közötti távolság |
|||||
|
Tompított fényszóró |
Országúti fényszóró |
Tompított fényszóró |
Országúti fényszóró |
Tompított fényszóró |
Országúti fényszóró |
Tompított fényszóró |
Országúti fényszóró |
|
|
H1 |
H2 |
W1 |
W2 |
H1' |
H2' |
W1' |
W2' |
|
|
Vezető nélkül |
841 (33,1) |
841 (33,1) |
1411 (55,6) |
1411 (55,6) |
851 (33,5) |
851 (33,5) |
1384 (54,5) |
1384 (54,5) |
|
Vezetővel |
836 (32,9) |
836 (32,9) |
1411 (55,6) |
1411 (55,6) |
846 (33,3) |
846 (33,3) |
1384 (54,5) |
1384 (54,5) |
|
A gépkocsi állapota |
Elülső ködlámpa (izzós típusú) |
|
|---|---|---|
|
Talajtól számított magasság |
Lámpák közötti távolság |
|
|
H3 |
W3 |
|
|
Vezető nélkül |
569(22,4) |
1548(61,0) |
|
Vezetővel |
564(22,2) |
1548(61,0) |

A: A bal oldali fényszóróizzó (alsó) középpontjának függőleges vonala
B: A jobb oldali fényszóróizzó (alsó) középpontjának függőleges vonala
C: A fényszóró (alsó) izzó középpontjának vízszintes vonala
D: Leválasztó vonal
E: Autó tengelye
F: Talaj
-
Kapcsolja fel a tompított fényszórót úgy, hogy a vezető ne tartózkodjon a gépkocsiban.
-
A megfelelő törésvonal a képen látható.
-
A tompított fényszóró beállításakor először a vízszintes beállítást, azután a függőleges beállítást kell elvégezni.
-
Ha a gépkocsi fényszóró magasságállító berendezéssel van felszerelve, akkor állítsa a fényszóró magasságállító berendezés kapcsolóját „0” állásba.

A: A bal oldali fényszóróizzó (alsó) középpontjának függőleges vonala
B: A jobb oldali fényszóróizzó (alsó) középpontjának függőleges vonala
C: A fényszóró (alsó) izzó középpontjának vízszintes vonala
D: Leválasztó vonal
E: Autó tengelye
F: Talaj
-
Kapcsolja fel a tompított fényszórót úgy, hogy a vezető ne tartózkodjon a gépkocsiban.
-
A megfelelő törésvonal a képen látható.
-
A tompított fényszóró beállításakor először a vízszintes beállítást, azután a függőleges beállítást kell elvégezni.
-
Ha a gépkocsi fényszóró magasságállító berendezéssel van felszerelve, akkor állítsa a fényszóró magasságállító berendezés kapcsolóját „0” állásba.

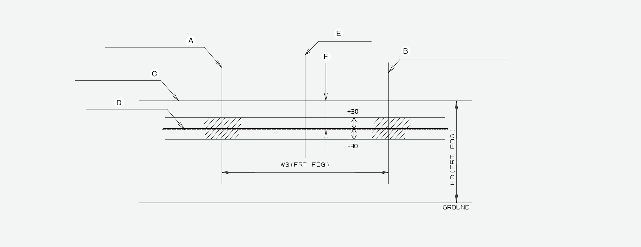
A: A bal oldali ködfényszóróizzó középpontjának függőleges vonala
B: A jobb oldali ködfényszóróizzó középpontjának függőleges vonala
C: A ködfényszóró (alsó) izzó középpontjának vízszintes vonala
D: Leválasztó vonal
E: Autó tengelye
F: Felső határérték
G: Talaj
-
Kapcsolja be az első ködfényszórót úgy, hogy a vezető nem ül az autóban.
-
A kivetített határvonal a megengedett tartományon belül kell legyen (árnyékolt terület).