Zaměřování světlometů a předních mlhových světel (pro Evropu)
Zaměření čelních světel


Činnost
-
Nafoukněte pneumatiky na stanovený tlak a z vozidla odstraňte veškerou zátěž kromě řidiče, náhradní pneumatiky a nářadí.
-
Vozidlo by mělo stát na rovné ploše.
-
Na zástěnu nakreslete svislé linky (svislé linky procházejí středem příslušných předních světel) a vodorovnou linku (vodorovná linka prochází středem předních světel).
-
S předními světly a akumulátorem v normálním stavu zaměřte přední světla tak, aby nejjasnější světlo procházelo průsečíky vodorovných a svislých linek.
-
Chcete-li namířit potkávací světla více doleva nebo doprava, otáčejte šroubovákem (1) po směru nebo proti směru hodinových ručiček. Pro naklonění potkávacích světel nahoru nebo dolů otáčejte šroubovákem (2) ve směru nebo proti směru hodinových ruček.
Zaměření předních mlhových světel (je-li součástí výbavy)


Přední mlhová světla lze nasměrovat stejným způsobem jako světlomety. Při normálním stavu předních mlhových světlometů a akumulátoru nasměrujte přední mlhová světla.
Činnost
-
Otáčením šroubováku ve směru nebo proti směru hodinových ručiček nasměrujte přední mlhové světlo nahoru nebo dolů.
Zaměřovací bod


* A: A: Zástěna
|
Stav vozidla |
Čelní světlomet |
Přední mlhové světlo (LED typ) (je-li ve výbavě) |
|||||
|---|---|---|---|---|---|---|---|
|
Výška nad povrchem |
Vzdálenost mezi světly |
Výška nad povrchem |
Vzdálenost mezi světly |
||||
|
Potkávací/dálková světla |
Potkávací/dálková světla |
||||||
|
H1 |
H2 |
W1 |
W2 |
H3 |
W3 |
||
|
bez řidiče [mm (palcích)] |
Typ A |
745,9 (29,4) |
1 470,4 (57,9) |
373,7 (14,7) |
1 034 (40,7) |
||
|
Typ B |
768,6 (30,3) |
699,6 (27,5) |
1 479,8 (58,3) |
1 478,5 (58,2) |
|||
|
s řidičem [mm (palcích)] |
Typ A |
735,9 (29,0) |
1 470,4 (57,9) |
363,7 (14,3) |
1 034 (40,7) |
||
|
Typ B |
758,6 (30,0) |
689,6 (27,1) |
1 479,8 (58,3) |
1 478,5 (58,2) |
|||
Potkávací světla čelních světlometů (vozidlo s levostranným řízením)

-
A: Osa vozidla
-
B: Svislá linka středu žárovky levého čelního světla
-
C: Svislá linka středu žárovky pravého čelního světla
-
D: Vodorovná linka středu žárovky čelního světla
-
E: Zem
-
F: Ořezová linka
Činnost
-
Zapněte potkávací světla bez osob ve vozidle.
-
Hrana stínění by měla být odpovídat vyobrazené linii.
-
Při nastavování potkávacích světel by po nastavení vodorovného zaměření mělo být nastaveno i svislé zaměření.
-
Pokud je světlomet vybaven zařízením pro vyrovnávání světel, nastavte přepínač zařízení pro vyrovnávání světel do polohy 0.
Potkávací světla čelních světlometů (vozidlo s pravostranným řízením)

-
A: Osa vozidla
-
B: Svislá linka středu žárovky levého čelního světla
-
C: Svislá linka středu žárovky pravého čelního světla
-
D: Vodorovná linka středu žárovky čelního světla
-
E: Zem
-
F: Ořezová linka
Činnost
-
Zapněte potkávací světla bez osob ve vozidle.
-
Hrana stínění by měla být odpovídat vyobrazené linii.
-
Při nastavování potkávacích světel by po nastavení vodorovného zaměření mělo být nastaveno i svislé zaměření.
-
Pokud je světlomet vybaven zařízením pro vyrovnávání světel, nastavte přepínač zařízení pro vyrovnávání světel do polohy 0.
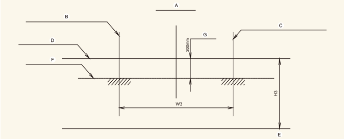
Přední mlhové světlo (je-li součástí výbavy)

-
A: Osa vozidla
-
B: Svislá linka středu žárovky levé mlhovky
-
C: Svislá linka středu žárovky pravé mlhovky
-
D: Vodorovná linka středu žárovky mlhovky
-
E: Zem
-
F: Ořezová linka
-
G: Horní limita
Činnost
-
Zapněte přední mlhové světlo bez řidiče na palubě.
-
Ořezová linka by se měla promítat v přípustném rozsahu (stínovaná oblast).