توجيه المصباح الأمامي ومصباح الضباب الأمامي (لدول أوروبا)
توجيه المصباح الأمامي


التشغيل
-
زود الإطارات بالهواء وصولاً إلى الضغط المحدد، وتخلص من أي أحمال بالسيارة باستثناء السائق والإطار الاحتياطي والأدوات.
-
ينبغي أن تكون السيارة على أرضية مستوية.
-
ارسم على الشاشة خطين رأسيين (يمر كل منهما بمركز المصباح الأمامي المناظر)، وخطًا أفقيًا (يمر بمركز كل من المصباحين الأماميين).
-
بينما يكون المصباح الأمامي والبطارية في وضع التشغيل المعتاد، وجّه المصباحين الأماميين بحيث يسقط الجزء الأكثر سطوعًا على الخطوط الرأسية والأفقية.
-
لتوجيه الضوء المنخفض لليسار أو اليمين، أدر مفك البراغي (1) باتجاه أو عكس اتجاه عقارب الساعة. لتوجيه الضوء المنخفض لأعلى أو لأسفل، أدِر مفك البراغي (2) باتجاه أو عكس اتجاه عقارب الساعة.
توجيه مصباح الضباب الأمامي (إن وجد)


يمكن توجيه مصباح الضباب الأمامي بنفس طريقة توجيه المصباحين الأماميين. عندما تكون مصابيح الضباب الأمامية والبطارية في الحالة الطبيعية، وجّه مصابيح الضباب الأمامية.
التشغيل
-
أدِر مفك البراغي باتجاه عقارب الساعة أو عكس اتجاه عقارب الساعة لتوجيه مصباح الضباب الأمامي لأعلى أو لأسفل.
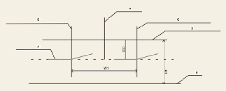
نقطة التوجيه


* A: الشاشة
|
حالة السيارة |
المصباح الأمامي |
مصباح الضباب الأمامي (من نوع LED) (إذا كانت السيارة مجهزة بذلك) |
|||||
|---|---|---|---|---|---|---|---|
|
الارتفاع عن الأرض |
المسافة بين المصابيح |
الارتفاع عن الأرض |
المسافة بين المصابيح |
||||
|
الضوء العالي/المنخفض |
الضوء العالي/المنخفض |
||||||
|
H1 |
H2 |
W1 |
W2 |
H3 |
W3 |
||
|
بدون سائق [ملم (بوصة)] |
النوع A |
745.9 (29.4) |
1,470.4 (57.9) |
373.7 (14.7) |
1,034 (40.7) |
||
|
النوع B |
768.6 (30.3) |
699.6 (27.5) |
1,479.8 (58.3) |
1,478.5 (58.2) |
|||
|
مع وجود السائق [ملم (بوصة)] |
النوع A |
735.9 (29.0) |
1,470.4 (57.9) |
363.7 (14.3) |
1,034 (40.7) |
||
|
النوع B |
758.6 (30.0) |
689.6 (27.1) |
1,479.8 (58.3) |
1,478.5 (58.2) |
|||
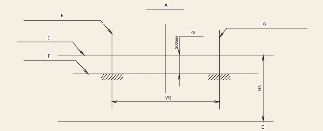
الضوء المنخفض بالمصباح الأمامي (سيارة LHD)

-
A: محور السيارة
-
B: الخط الرأسي لمركز لمبة المصباح الرئيسي اليسرى
-
C: الخط الرأسي لمركز لمبة المصباح الرئيسي اليمنى
-
D: الخط الأفقي لمركز لمبة المصباح الرئيسي
-
E: أرضي
-
F: خط القطع
التشغيل
-
شغّل الضوء المنخفض مع عدم وجود السائق بالسيارة.
-
سيتم عرض الخط الفاصل ضمن الخط الفاصل الموضّح بالصورة.
-
عند توجيه الضوء المنخفض، ينبغي ضبط التوجيه الرأسي بعد ضبط التوجيه الأفقي.
-
إذا كانت السيارة مزودة بجهاز ضبط مستوى المصباح الأمامي، فاضبط مفتاح الجهاز على وضع 0.
الضوء المنخفض بالمصباح الأمامي (سيارة RHD)

-
A: محور السيارة
-
B: الخط الرأسي لمركز لمبة المصباح الرئيسي اليسرى
-
C: الخط الرأسي لمركز لمبة المصباح الرئيسي اليمنى
-
D: الخط الأفقي لمركز لمبة المصباح الرئيسي
-
E: أرضي
-
F: خط القطع
التشغيل
-
شغّل الضوء المنخفض مع عدم وجود السائق بالسيارة.
-
سيتم عرض الخط الفاصل ضمن الخط الفاصل الموضّح بالصورة.
-
عند توجيه الضوء المنخفض، ينبغي ضبط التوجيه الرأسي بعد ضبط التوجيه الأفقي.
-
إذا كانت السيارة مزودة بجهاز ضبط مستوى المصباح الأمامي، فاضبط مفتاح الجهاز على وضع 0.
مصباح الضباب الأمامي (إن وجد)

-
A: محور السيارة
-
B: الخط الرأسي لمركز لمبة مصباح الضباب على جهة اليسار
-
C: الخط الرأسي لمركز لمبة مصباح الضباب على جهة اليمين
-
D: الخط الأفقي لمركز لمبة مصباح الضباب
-
E: أرضي
-
F: خط القطع
-
G: الحد الأعلى
التشغيل
-
قم بتشغيل مصباح الضباب الأمامي مع عدم وجود السائق داخل السيارة.
-
سيتم عرض الخط الفاصل ضمن النطاق المسموح به (المنطقة المظللة).