Nastavování čelních a mlhových světel (pro Evropu)
Zaměření čelních světel


Činnost
-
Nafoukněte pneumatiky na stanovený tlak a z vozidla odstraňte veškerou zátěž kromě řidiče, náhradní pneumatiky a nářadí.
-
Vozidlo by mělo stát na rovné ploše.
-
Na zástěnu nakreslete svislé linky (svislé linky procházejí středem příslušných předních světel) a vodorovnou linku (vodorovná linka prochází středem předních světel).
-
S předními světly a akumulátorem v normálním stavu zaměřte přední světla tak, aby nejjasnější světlo procházelo průsečíky vodorovných a svislých linek.
-
Chcete-li namířit potkávací světla více doleva nebo doprava, otáčejte šroubovákem (1) po směru nebo proti směru hodinových ručiček. Pro naklonění potkávacích světel nahoru nebo dolů otáčejte šroubovákem (2) ve směru nebo proti směru hodinových ruček.
Seřízení předních mlhových světel




Přední mlhová světla lze nastavovat stejným způsobem jako čelní světlomety. Přední mlhová světla nastavujte, pokud přední mlhová světla i akumulátor v pořádku.
Činnost
-
Přední mlhové světlo nasměrujete nahoru nebo dolů otáčením šroubováku ve směru, resp. proti směru hodinových ručiček.
Zaměřovací bod

* A: Zástěna
|
Stav vozidla |
Čelní světlomet (Typ LED) |
Přední mlhová světla (Typ LED) (je-li součástí výbavy) |
|||||
|---|---|---|---|---|---|---|---|
|
Výška nad povrchem |
Vzdálenost mezi světly |
Výška nad povrchem |
Vzdálenost mezi světly |
||||
|
Potkávací/dálková světla |
Potkávací/dálková světla |
||||||
|
H1 |
H2 |
W1 |
W2 |
H3 |
W3 |
||
|
bez řidiče [mm (palcích)] |
Typ A |
754,1 (29,7) |
689,1 (27,1) |
1 456 (57,3) |
1 558 (61,3) |
412,5 (16,2) |
1 380 (54,3) |
|
Typ B |
761,1 (30,0) |
704,1 (27,2) |
1 540 (60,6) |
1 540 (60,6) |
405,1 (15,9) |
1 475 (58,1) |
|
|
s řidičem [mm (palcích)] |
Typ A |
744,1 (29,3) |
679,1 (26,3) |
1 456 (57,3) |
1 558 (61,3) |
402,5 (15,8) |
1 380 (54,3) |
|
Typ B |
751,1 (29,6) |
694,1 (27,3) |
1 540 (60,6) |
1 540 (60,6) |
395,1 (15,6) |
1 475 (58,1) |
|
Potkávací světla čelních světlometů (Vozidlo s levostranným řízením)

-
A: Osa vozidla
-
B: Svislá linka středu žárovky levého čelního světla
-
C: Svislá linka středu žárovky pravého čelního světla
-
D: Vodorovná linka středu žárovky čelního světla
-
E: Zem
-
F: Ořezová linka
Činnost
-
Zapněte potkávací světla bez osob ve vozidle.
-
Hrana stínění by měla být odpovídat vyobrazené linii.
-
Při nastavování potkávacích světel by po nastavení vodorovného zaměření mělo být nastaveno i svislé zaměření.
-
Pokud je vozidlo vybaveno systémem naklápění světlometů, nastavte příslušný ovladač do polohy 0.
Potkávací světla čelních světlometů (Vozidlo s pravostranným řízením)

-
A: Osa vozidla
-
B: Svislá linka středu žárovky levého čelního světla
-
C: Svislá linka středu žárovky pravého čelního světla
-
D: Vodorovná linka středu žárovky čelního světla
-
E: Zem
-
F: Ořezová linka
Činnost
-
Zapněte potkávací světla bez osob ve vozidle.
-
Hrana stínění by měla být odpovídat vyobrazené linii.
-
Při nastavování potkávacích světel by po nastavení vodorovného zaměření mělo být nastaveno i svislé zaměření.
-
Pokud je vozidlo vybaveno systémem naklápění světlometů, nastavte příslušný ovladač do polohy 0.
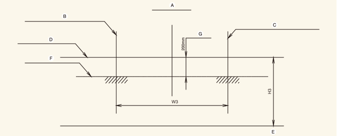
Přední mlhová světla

-
A: Osa vozidla
-
B: Svislá linka středu žárovky levého mlhového světla
-
C: Svislá linka středu žárovky pravého mlhového světla
-
D: Vodorovná linka středu žárovky mlhového světla
-
E: Zem
-
F: Ořezová linka
-
G: Horní limit
Činnost
-
Zapněte přední mlhová světla bez osob ve vozidle.
-
Hranice stínění by se měla promítat nad označenou zónou (cloněná oblast).