Usmerjenost sprednjih žarometov in sprednjih meglenk (za Evropo)
Usmeritev žarometov


Delovanje
-
Napolnite pnevmatike na zahtevano raven tlaka in iz vozila odstranite vse, razen voznika, rezervne pnevmatike in orodja.
-
Vozilo mora stati na ravnih tleh.
-
Na zaslon narišite navpični črti (navpični črti, ki potekata skozi središči žarometov) in vodoravno črto (vodoravno črto, ki poteka skozi središči žarometov).
-
Ko usmerite žaromete tako, da je najsvetlejši del snopa na vodoravni in navpičnih črtah, morajo biti žarometi in akumulator v dobrem stanju.
-
Če želite snop zasenčenih luči usmeriti v levo ali desno, obrnite izvijač (1) v levo ali desno. Če želite snop zasenčenih luči usmeriti navzgor ali navzdol, obrnite izvijač (2) v levo ali desno.
Usmerjanje snopov sprednjih meglenk (če je na voljo)


Snopa sprednjih meglenk lahko usmerite enako kot žaromete. Če so sprednje meglenke in akumulator v dobrem stanju, usmerite sprednje meglenke.
Delovanje
-
Za usmeritev snopa sprednjih meglenk navzgor oz. navzdol obrnite izvijač v desno oz. v levo.
Točka usmerjanja


* A: Zaslon
|
Stanje vozila |
Žaromet |
Sprednje meglenke (LED) (če je na voljo) |
|||||
|---|---|---|---|---|---|---|---|
|
Višina od tal |
Razdalja med lučmi |
Višina od tal |
Razdalja med lučmi |
||||
|
Kratke/Dolge luči |
Kratke/Dolge luči |
||||||
|
H1 |
H2 |
W1 |
W2 |
H3 |
W3 |
||
|
Brez voznika [mm (palcev)] |
Tip A |
727,4 (28,6) |
1.470,4 (57,9) |
354,8 (14,0) |
1.060 (41,7) |
||
|
Tip B |
750,0 (29,5) |
681,1 (26,8) |
1.479,8 (58,3) |
1.478,5 (58,2) |
|||
|
Z voznikom [mm (palcev)] |
Tip A |
717,4 (28,2) |
1.470,4 (57,9) |
344,8 (13,6) |
1.060 (41,7) |
||
|
Tip B |
740,0 (29,1) |
671,1 (26,4) |
1.479,8 (58,3) |
1.478,5 (58,2) |
|||
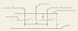
Snop zasenčenih luči žarometa (voznikova stran)

-
A: Os vozila
-
B: Navpična črta skozi središče žarnice levega žarometa
-
C: Navpična črta skozi središče žarnice desnega žarometa
-
D: Vodoravna črta skozi središče žarnice žarometa
-
E: Tla
-
F: Mejna črta
Delovanje
-
Vklopite zasenčene luči, ko voznika ni v vozilu.
-
Projekcija mejne črte mora biti enaka kot mejna črta na sliki.
-
Pri usmerjanju zasenčenih luči morate po prilagoditvi vodoravnega položaja prilagoditi tudi navpični položaj.
-
Če je na voljo naprava za uravnavanje sprednjih žarometov, nastavite stikalo naprave v položaj 0.
Snop zasenčenih luči žarometa (sovoznikova stran)

-
A: Os vozila
-
B: Navpična črta skozi središče žarnice levega žarometa
-
C: Navpična črta skozi središče žarnice desnega žarometa
-
D: Vodoravna črta skozi središče žarnice žarometa
-
E: Tla
-
F: Mejna črta
Delovanje
-
Vklopite zasenčene luči, ko voznika ni v vozilu.
-
Projekcija mejne črte mora biti enaka kot mejna črta na sliki.
-
Pri usmerjanju zasenčenih luči morate po prilagoditvi vodoravnega položaja prilagoditi tudi navpični položaj.
-
Če je na voljo naprava za uravnavanje sprednjih žarometov, nastavite stikalo naprave v položaj 0.
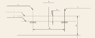
Sprednja meglenka (če je na voljo)

-
A: Os vozila
-
B: Navpična črta skozi središče žarnice leve meglenke
-
C: Navpična črta skozi središče žarnice desne meglenke
-
D: Vodoravna črta skozi središči žarnic meglenk
-
E: Tla
-
F: Mejna črta
-
G: Zgornja meja
Delovanje
-
Prižgite spodnji žaromet za meglo, ko voznika še ni v vozilu.
-
Ločnica svetlo-temno se mora projicirati v dopustnem razponu (zasenčeno območje).