Prednja svetla i prednja svetla za maglu usmereni (za Evropu)
Usmerenost prednjeg svetla


Način rada
-
Napumpajte pneumatike do naznačenog pritiska i izbacite sav teret iz vozila osim vozača, rezervnog pneumatika i alata.
-
Vozilo bi trebalo da bude na ravnoj površini.
-
Na zidu nacrtajte vertikalne linije (vertikalne linije prolaze kroz centar oba prednja svetla) i horizontalnu liniju (horizontalna linija prolazi kroz centar oba prednja svetla).
-
Sa prednjim svetlima i akumulatorom u ispravnom stanju, usmerite svetla tako da najsvetliji deo pada na horizontalnu i vertikalnu liniju.
-
Da biste pomerili kratko svetlo ulevo ili udesno, okrenite odvijač (1) udesno ili ulevo. Da biste pomerili kratko svetlo nagore ili nadole, okrenite odvijač (2) udesno ili ulevo.
Prednja svetla za maglu usmerena (ako postoji)


Prednja svetla za maglu se mogu usmeriti na isti način kao i prednja svetla. Kada su prednja svetla za maglu i baterija u normalnom stanju, usmerite prednja svetla za maglu.
Način rada
-
Okrenite odvijač u smeru kazaljke na satu ili suprotno od kazaljke na satu da usmerite prednje svetlo za maglu gore ili dole.
Tačka usmerenja


* A: Ekran
|
Stanje vozila |
Prednja svetla |
Prednje svetlo za maglu (tip sa LED sijalicama) (ako je u paketu opreme) |
|||||
|---|---|---|---|---|---|---|---|
|
Visina od tla |
Rastojanje između svetala |
Visina od tla |
Rastojanje između svetala |
||||
|
Kratko/Dugo svetlo |
Kratko/Dugo svetlo |
||||||
|
H1 |
H2 |
W1 |
W2 |
H3 |
W3 |
||
|
bez vozača [mm (in)] |
Tip A |
745,9 (29,4) |
1.470,4 (57,9) |
373,7 (14,7) |
1.034 (40,7) |
||
|
Tip B |
768,6 (30,3) |
699,6 (27,5) |
1.479,8 (58,3) |
1.478,5 (58,2) |
|||
|
sa vozačem [mm (in)] |
Tip A |
735,9 (29,0) |
1.470,4 (57,9) |
363,7 (14,3) |
1.034 (40,7) |
||
|
Tip B |
758,6 (30,0) |
689,6 (27,1) |
1.479,8 (58,3) |
1.478,5 (58,2) |
|||
Kratko prednje svetlo (vozilo za vožnju desnom stranom)

-
A: Vertikalna osa
-
B: Vertikalna linija koja prolazi kroz centar sijalice prednjeg levog svetla
-
C: Vertikalna linija koja prolazi kroz centar sijalice prednjeg desnog svetla
-
D: Horizontalna linija koja prolazi kroz centar sijalice prednjeg svetla
-
E: Tlo
-
F: Linija preseka
Način rada
-
Uključite kratko svetlo dok vozač sedi u vozilu.
-
Linija preseka bi trebalo da se poklopi sa linijom preseka prikazanom na slici.
-
Prilikom podešavanja usmerenosti kratkog svetla, vertikalno podešavanje se obavlja nakon podešavanja horizontalne usmerenosti.
-
Ako je uređaj za nivelisanje farova u paketu opreme, podesite prekidač uređaja za nivelisanje prednjih svetla na 0 položaja.
Kratko prednje svetlo (vozilo za vožnju levom stranom)

-
A: Vertikalna osa
-
B: Vertikalna linija koja prolazi kroz centar sijalice prednjeg levog svetla
-
C: Vertikalna linija koja prolazi kroz centar sijalice prednjeg desnog svetla
-
D: Horizontalna linija koja prolazi kroz centar sijalice prednjeg svetla
-
E: Tlo
-
F: Linija preseka
Način rada
-
Uključite kratko svetlo dok vozač sedi u vozilu.
-
Linija preseka bi trebalo da se poklopi sa linijom preseka prikazanom na slici.
-
Prilikom podešavanja usmerenosti kratkog svetla, vertikalno podešavanje se obavlja nakon podešavanja horizontalne usmerenosti.
-
Ako je uređaj za nivelisanje farova u paketu opreme, podesite prekidač uređaja za nivelisanje prednjih svetla na 0 položaja.
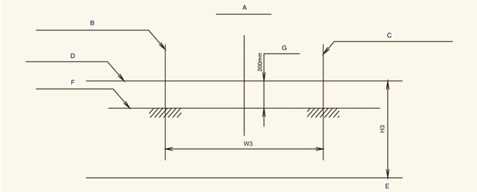
Prednja svetla za maglu (ako postoji)

-
A: Vertikalna osa
-
B: Vertikalna linija koja prolazi kroz centar sijalice levog svetla za maglu
-
C: Vertikalna linija koja prolazi kroz centar sijalice desnog svetla za maglu
-
D: Horizontalna linija koja prolazi kroz centar sijalice svetla za maglu
-
E: Tlo
-
F: Linija preseka
-
G: Gornja granica
Način rada
-
Uključite prednja svetla za maglu bez vozača u vozilu.
-
Granična linija treba da bude projektovana u dozvoljenom opsegu (osenčena oblast).