Afstellen koplampen en mistlampen voor (Europa)
Koplampen afstellen


Werking
-
Pomp de banden tot de gewenste bandenspanning op en haal alle lading uit de auto behalve de bestuurder, reserveband en gereedschap.
-
Zet de auto op een vlakke vloer.
-
Teken verticale lijnen (door de middelpunten van elk van de koplampen) en een horizontale lijn (door de middelpunten van de koplampen) op het scherm.
-
Controleer of de accu voldoende geladen is, schakel de koplampen in en stel de koplampen zo af dat het helderste gedeelte van de lichtbundel op de horizontale en verticale lijnen valt.
-
Draai de schroevendraaier (1) rechtsom of linksom om de dimlichtbundel naar links of rechts te verstellen. Draai de schroevendraaier (2) rechtsom of linksom om de dimlichtbundel naar boven of onder te verstellen.
Mistlamp voor afstellen (indien van toepassing)


De mistlamp voor kan op dezelfde manier worden afgesteld als de koplampen. Stel de mistlampen af bij een voldoende geladen accu en normaal functionerende lampen.
Werking
-
Draai de schroevendraaier rechtsom of linksom om de mistlamp voor omhoog of omlaag te verstellen.
Afstelpunt

* A: Scherm
|
Staat van de auto |
Koplamp |
Mistvoorlicht (led) (indien van toepassing) |
|||||
|---|---|---|---|---|---|---|---|
|
Grondspeling |
Afstand tussen lampen |
Grondspeling |
Afstand tussen lampen |
||||
|
Dim/Grootlicht |
Dim/Grootlicht |
||||||
|
H1 |
H2 |
W1 |
W2 |
H3 |
W3 |
||
|
zonder bestuurder [mm (inch)] |
Type A |
727,4 (28,6) |
1.470,4 (57,9) |
373,7 (14,7) |
1.060 (41,7) |
||
|
Type B |
750,0 (29,5) |
681,1 (26,8) |
1.479,8 (58,3) |
1.478,5 (58,2) |
|||
|
met bestuurder [mm (inch)] |
Type A |
717,4 (28,2) |
1.470,4 (57,9) |
363,7 (14,3) |
1.060 (41,7) |
||
|
Type B |
740,0 (29,1) |
671,1 (26,4) |
1.479,8 (58,3) |
1.478,5 (58,2) |
|||
Koplamp dimlicht (besturing links)

-
A: As van auto
-
B: Verticale lijn door middelpunt van linker koplamp
-
C: Verticale lijn door middelpunt van rechter koplamp
-
D: Horizontale lijn door middelpunt van koplamp
-
E: Grond
-
F: Knik
Werking
-
Zet het dimlicht aan zonder de bestuurder in de auto.
-
De knik moet worden geprojecteerd op de plaats van de knik in de afbeelding.
-
Bij het afstellen van het dimlicht, stelt u eerst horizontaal af, en vervolgens verticaal.
-
Als de auto is uitgerust met koplamphoogteregeling, zet dan de schakelaar van de koplamphoogteregeling op 0.
Koplamp dimlicht (voertuig met stuur rechts)

-
A: As van auto
-
B: Verticale lijn door middelpunt van linker koplamp
-
C: Verticale lijn door middelpunt van rechter koplamp
-
D: Horizontale lijn door middelpunt van koplamp
-
E: Grond
-
F: Knik
Werking
-
Zet het dimlicht aan zonder de bestuurder in de auto.
-
De knik moet worden geprojecteerd op de plaats van de knik in de afbeelding.
-
Bij het afstellen van het dimlicht, stelt u eerst horizontaal af, en vervolgens verticaal.
-
Als de auto is uitgerust met koplamphoogteregeling, zet dan de schakelaar van de koplamphoogteregeling op 0.
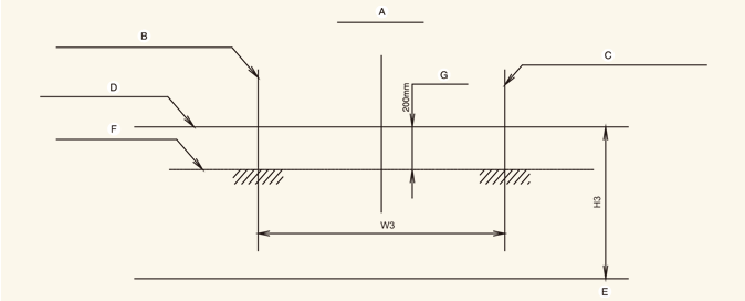
Mistlamp vóór (indien van toepassing)

-
A: As van auto
-
B: Verticale lijn door middelpunt van linker mistlamp
-
C: Verticale lijn door middelpunt van rechter mistlamp
-
D: Horizontale lijn door middelpunt van mistlamp
-
E: Grond
-
F: Knik
-
G: Bovengrens
Werking
-
Schakel de mistlamp vooraan in zonder dat de bestuurder in de auto zit.
-
De knik moet worden geprojecteerd binnen het toegestane bereik (gearceerd gebied).