Headlamp and front fog lamp aiming (for Europe)
Headlamp aiming


Operation
-
Inflate the tires to the specified pressure and remove any loads from the vehicle except the driver, spare tire, and tools.e
-
The vehicle should be placed on a flat floor.
-
Draw vertical lines (Vertical lines passing through respective head lamp centers) and a horizontal line (Horizontal line passing through center of head lamps) on the screen.
-
With the head lamp and battery in normal condition, aim the head lamps so the brightest portion falls on the horizontal and vertical lines.
-
To aim the low beam left or right, turn the screwdriver (1) clockwise or counterclockwise. To aim the low beam up or down, turn the screwdriver (2) clockwise or counterclockwise.
Front fog lamp aiming (if equipped)


The front fog lamp can be aimed as the same manner of the head lamps aiming. With the front fog lamps and battery normal condition, aim the front fog lamps.
Operation
-
Turn the screwdriver clockwise or counterclockwise to aim the front fog lamp up or down.
Aiming point

* A: Screen
|
Vehicle condition |
Head lamp |
Front fog lamp (LED type) (if equipped) |
|||||
|---|---|---|---|---|---|---|---|
|
Ground Height |
Distance between lamps |
Ground Height |
Distance between lamps |
||||
|
Low/High beam |
Low/High beam |
||||||
|
H1 |
H2 |
W1 |
W2 |
H3 |
W3 |
||
|
without driver [mm (in)] |
Type A |
727.4 (28.6) |
1,470.4 (57.9) |
373.7 (14.7) |
1,060 (41.7) |
||
|
Type B |
750.0 (29.5) |
681.1 (26.8) |
1,479.8 (58.3) |
1,478.5 (58.2) |
|||
|
with driver [mm (in)] |
Type A |
717.4 (28.2) |
1,470.4 (57.9) |
363.7 (14.3) |
1,060 (41.7) |
||
|
Type B |
740.0 (29.1) |
671.1 (26.4) |
1,479.8 (58.3) |
1,478.5 (58.2) |
|||
Head lamp low beam (LHD Vehicle)

-
A: Vehicle axis
-
B: Vertical line of the left head lamp bulb center
-
C: Vertical line of the right head lamp bulb center
-
D: Horizontal line of head lamp bulb center
-
E: Ground
-
F: Cut-Off line
Operation
-
Turn the low beam on without driver aboard.
-
The cut-off line should be projected in the cut-off line shown in the picture.
-
When aiming the low beam, vertical aiming should be adjusted after adjusting the horizontal aiming.
-
If head lamp leveling device is equipped, adjust the head lamp leveling device switch with 0 positions.
Head lamp low beam (RHD Vehicle)

-
A: Vehicle axis
-
B: Vertical line of the left head lamp bulb center
-
C: Vertical line of the right head lamp bulb center
-
D: Horizontal line of head lamp bulb center
-
E: Ground
-
F: Cut-Off line
Operation
-
Turn the low beam on without driver aboard.
-
The cut-off line should be projected in the cut-off line shown in the picture.
-
When aiming the low beam, vertical aiming should be adjusted after adjusting the horizontal aiming.
-
If head lamp leveling device is equipped, adjust the head lamp leveling device switch with 0 positions.
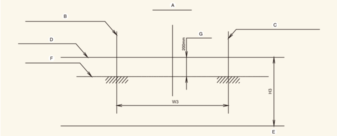
Front fog lamp (if equipped)

-
A: Vehicle axis
-
B: Vertical line of the left fog lamp bulb center
-
C: Vertical line of the right fog lamp bulb center
-
D: Horizontal line of fog lamp bulb center
-
E: Ground
-
F: Cut-Off line
-
G: Upper limit
Operation
-
Turn the front fog lamp on without the driver aboard.
-
The cut-off line should be projected in the allowable range (shaded region).