大燈及前霧燈對光調整 (歐洲)
大燈對光調整


操作
-
將輪胎充氣至特定壓力並解除所有負載,除駕駛、備胎和工具。
-
車輛必須置於平坦地面。
-
在螢幕上劃垂直線 (垂直線穿過相應的大燈中心) 和水平線 (水平線穿過大燈中心)。
-
當大燈和電瓶處於正常狀況時,為大燈對光以讓最亮的部分對準水平線和垂直線。
-
若要向左或向右調整近光燈,則可順時針或逆時針旋轉螺絲起子 (1)。要向上或向下調整近光燈,則可順時針或逆時針旋轉螺絲起子 (2)。
前霧燈對光調整 (如有配備)


前霧燈可跟大燈一樣對光。當前霧燈和電池處於正常狀況時,調整前霧燈照準。
操作
-
若要向上或向下調整前霧燈,則可順時針或逆時針旋轉螺絲刀。
對光點

* A:螢幕
|
車輛情況 |
大燈 |
前霧燈 (LED 型) (如有配備) |
|||||
|---|---|---|---|---|---|---|---|
|
地面高度 |
燈之間的距離 |
地面高度 |
燈之間的距離 |
||||
|
近光/遠光 |
近光/遠光 |
||||||
|
H1 |
H2 |
W1 |
W2 |
H3 |
W3 |
||
|
無駕駛 [mm (in)] |
類型 A |
727.4 (28.6) |
1,470.4 (57.9) |
373.7 (14.7) |
1,060 (41.7) |
||
|
類型 B |
750.0 (29.5) |
681.1 (26.8) |
1,479.8 (58.3) |
1,478.5 (58.2) |
|||
|
有駕駛 [mm (in)] |
類型 A |
717.4 (28.2) |
1,470.4 (57.9) |
363.7 (14.3) |
1,060 (41.7) |
||
|
類型 B |
740.0 (29.1) |
671.1 (26.4) |
1,479.8 (58.3) |
1,478.5 (58.2) |
|||
大燈近光 (LHD 車輛)

-
A:車軸
-
B:左側大燈燈泡中心垂直線
-
C:右側大燈燈泡中心垂直線
-
D:大燈燈泡中心水平線
-
E:地面
-
F:截止線
操作
-
開啟近光燈,駕駛不上車。
-
截止線應投射到圖示截止線中。
-
近光燈調整照準時,應先調整水平照準,再調整垂直照準。
-
如果配有大燈水準調節裝置,則將其開關調至 0 位置。
大燈近光 (RHD 車輛)

-
A:車軸
-
B:左側大燈燈泡中心垂直線
-
C:右側大燈燈泡中心垂直線
-
D:大燈燈泡中心水平線
-
E:地面
-
F:截止線
操作
-
開啟近光燈,駕駛不上車。
-
截止線應投射到圖示截止線中。
-
近光燈調整照準時,應先調整水平照準,再調整垂直照準。
-
如果配有大燈水準調節裝置,則將其開關調至 0 位置。
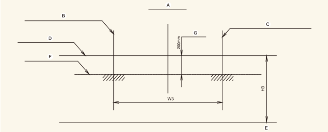
前霧燈 (如有配備)

-
A:車軸
-
B:左側霧燈燈泡中心垂直線
-
C:右側霧燈燈泡中心垂直線
-
D:霧燈燈泡中心水平線
-
E:地面
-
F:截止線
-
G:上限
操作
-
在駕駛未上車時,開啟前霧燈。
-
截止線應投射到允許範圍 (陰影區域)。