Afstellen koplampen en mistlampen voor (Europa)
Koplampen afstellen


Procedure
-
Pomp de banden op tot de gewenste bandenspanning en haal alle lading uit de auto behalve de bestuurder, reserveband en gereedschap.
-
Parkeer de auto op een egale ondergrond.
-
Teken verticale lijnen (verticale lijnen door de middelpunten van elk van de koplampen) en een horizontale lijn (horizontale lijn door de middelpunten van de koplampen) op het scherm.
-
Controleer of de accu voldoende geladen is, schakel de koplampen in en stel de koplampen zo af dat het helderste gedeelte van de lichtbundel op de horizontale en verticale lijnen valt.
-
Draai de schroevendraaier (1) rechtsom of linksom om de dimlichtbundel naar links of rechts te verstellen. Draai de schroevendraaier (2) rechtsom of linksom om de dimlichtbundel naar boven of onder te verstellen.
Mistlampen voorzijde afstellen (indien van toepassing)


De mistlampen aan de voorzijde kunnen op dezelfde manier worden afgesteld als de koplampen. Stel de mistlampen aan de voorzijde af bij een voldoende geladen accu en normaal functionerende lampen.
Procedure
-
Draai de schroevendraaier rechtsom of linksom om de mistlampen aan de voorzijde omhoog of omlaag te richten.
Afstelpunt


* A: Scherm
|
Toestand van de auto |
Koplamp |
Mistlamp voorzijde (led-type) (indien aanwezig) |
|||||
|---|---|---|---|---|---|---|---|
|
Grondspeling |
Afstand tussen de lampen |
Grondspeling |
Afstand tussen de lampen |
||||
|
Dimlicht/grootlicht |
Dimlicht/grootlicht |
||||||
|
H1 |
H2 |
W1 |
W2 |
H3 |
W3 |
||
|
zonder bestuurder [mm (in)] |
Type A |
745,9 (29,4) |
1.470,4 (57,9) |
373,7 (14,7) |
1.034 (40,7) |
||
|
Type B |
768,6 (30,3) |
699,6 (27,5) |
1.479,8 (58,3) |
1.478,5 (58,2) |
|||
|
met bestuurder [mm (in)] |
Type A |
735,9 (29,0) |
1.470,4 (57,9) |
363,7 (14,3) |
1.034 (40,7) |
||
|
Type B |
758,6 (30,0) |
689,6 (27,1) |
1.479,8 (58,3) |
1.478,5 (58,2) |
|||
Koplamp dimlicht (stuur links)

-
A: As van auto
-
B: Verticale lijn door middelpunt van linker koplamp
-
C: Verticale lijn door middelpunt van rechter koplamp
-
D: Horizontale lijn door middelpunt van koplamp
-
E: Grond
-
F: Knik
Procedure
-
Zet het dimlicht aan zonder de bestuurder in de auto.
-
De begrenzingslijn moet worden geprojecteerd op de plaats van de begrenzingslijn in de afbeelding.
-
Bij het afstellen van het dimlicht, stelt u eerst horizontaal af en vervolgens verticaal.
-
Als het voertuig is uitgerust met een schakelaar om de koplampen af te stellen, stelt u de schakelaar ervan in op stand 0.
Dimlicht koplamp (stuur rechts)

-
A: As van auto
-
B: Verticale lijn door middelpunt van linker koplamp
-
C: Verticale lijn door middelpunt van rechter koplamp
-
D: Horizontale lijn door middelpunt van koplamp
-
E: Grond
-
F: Knik
Procedure
-
Zet het dimlicht aan zonder de bestuurder in de auto.
-
De begrenzingslijn moet worden geprojecteerd op de plaats van de begrenzingslijn in de afbeelding.
-
Bij het afstellen van het dimlicht, stelt u eerst horizontaal af en vervolgens verticaal.
-
Als het voertuig is uitgerust met een schakelaar om de koplampen af te stellen, stelt u de schakelaar ervan in op stand 0.
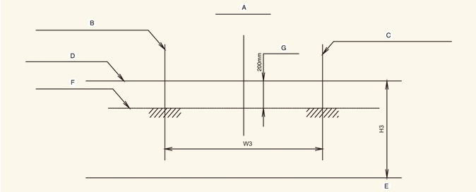
Mistlamp voorzijde (indien van toepassing)

-
A: As van auto
-
B: Verticale lijn door middelpunt van linker mistlamp
-
C: Verticale lijn door middelpunt van rechter mistlamp
-
D: Horizontale lijn door middelpunt van mistlamp
-
E: Grond
-
F: Knik
-
G: Bovengrens
Procedure
-
Schakel de mistlampen aan de voorzijde in zonder de bestuurder in de auto.
-
De begrenzingslijn moet binnen het toegestane bereik (gearceerd gebied) worden geprojecteerd.