การปรับไฟหน้าและไฟตัดหมอกด้านหน้า (สำหรับประเทศในยุโรป)
การปรับไฟหน้า


การทำงาน
-
เติมลมยางตามแรงดันที่กำหนดและนำสัมภาระออกจากรถ ยกเว้นผู้ขับขี่ ยางอะไหล่ และเครื่องมือ
-
ควรจอดรถบนพื้นราบ
-
ขีดเส้นแนวตั้ง (เส้นแนวตั้งผ่านศูนย์กลางไฟหน้าตามลำดับ) และเส้นแนวนอน (เส้นแนวนอนผ่านศูนย์กลางของไฟหน้า) บนหน้าจอ
-
เมื่อไฟหน้าและแบตเตอรี่อยู่ในสภาพปกติ ให้ปรับไฟหน้าเพื่อให้ส่วนที่สว่างที่สุดตกอยู่บนเส้นแนวนอนและแนวตั้ง
-
เพื่อปรับไฟต่ำด้านซ้ายหรือขวา ให้หมุนไขควง (1) ตามเข็มนาฬิกาหรือทวนเข็มนาฬิกา เพื่อปรับไฟต่ำด้านซ้ายหรือขวา ให้หมุนไขควง (2) ตามเข็มนาฬิกาหรือทวนเข็มนาฬิกา
การปรับไฟตัดหมอกด้านหน้า (ถ้ามี)


สามารถปรับไฟตัดหมอกด้านหน้าด้วยวิธีเดียวกับการปรับไฟหน้า ให้ปรับไฟตัดหมอกด้านหน้าในสภาพไฟตัดหมอกหน้าและแบตเตอรี่ที่ปกติ
การทำงาน
-
หมุนไขควงตามเข็มนาฬิกาหรือทวนเข็มนาฬิกาเพื่อปรับไฟตัดหมอกด้านหน้าใหขึ้นบนหรือลงล่าง
การปรับจุด

* A: หน้าจอ
|
สภาพรถ |
ไฟหน้า |
ไฟตัดหมอกด้านหน้า (ประเภทไฟ LED) (หากมี) |
|||||
|---|---|---|---|---|---|---|---|
|
ความสูงจากพื้น |
ระยะระหว่างไฟ |
ความสูงจากพื้น |
ระยะระหว่างไฟ |
||||
|
ไฟต่ำ/สูง |
ไฟต่ำ/สูง |
||||||
|
H1 |
H2 |
W1 |
W2 |
H3 |
W3 |
||
|
โดยไม่มีผู้ขับขี่ [มม. (นิ้ว)] |
ประเภท A |
727.4 (28.6) |
1,470.4 (57.9) |
373.7 (14.7) |
1,060 (41.7) |
||
|
ประเภท B |
750.0 (29.5) |
681.1 (26.8) |
1,479.8 (58.3) |
1,478.5 (58.2) |
|||
|
พร้อมผู้ขับขี่ [มม. (นิ้ว)] |
ประเภท A |
717.4 (28.2) |
1,470.4 (57.9) |
363.7 (14.3) |
1,060 (41.7) |
||
|
ประเภท B |
740.0 (29.1) |
671.1 (26.4) |
1,479.8 (58.3) |
1,478.5 (58.2) |
|||
ไฟต่ำของไฟหน้า (รถ LHD)

-
A: แกนแนวตั้ง
-
B: เส้นแนวตั้งของศูนย์กลางหลอดไฟหน้าด้านซ้าย
-
C: เส้นแนวตั้งของศูนย์กลางหลอดไฟหน้าด้านขวา
-
D: เส้นแนวนอนของศูนย์กลางหลอดไฟหน้า
-
E: พื้น
-
F: เส้นตัด
การทำงาน
-
เปิดไฟต่ำโดยไม่ต้องให้ผู้ขับขี่ขึ้นรถ
-
เส้นตัดควรยื่นออกมาในเส้นตัดที่แสดงในรูป
-
ขณะปรับไฟต่ำ ควรปรับในแนวตั้งหลังจากปรับในแนวนอนแล้ว
-
หากติดตั้งอุปกรณ์ปรับระดับไฟหน้า ให้ปรับสวิตช์อุปกรณ์ปรับระดับไฟหน้าด้วยตำแหน่ง 0
ไฟต่ำของไฟหน้า (รถ RHD)

-
A: แกนแนวตั้ง
-
B: เส้นแนวตั้งของศูนย์กลางหลอดไฟหน้าด้านซ้าย
-
C: เส้นแนวตั้งของศูนย์กลางหลอดไฟหน้าด้านขวา
-
D: เส้นแนวนอนของศูนย์กลางหลอดไฟหน้า
-
E: พื้น
-
F: เส้นตัด
การทำงาน
-
เปิดไฟต่ำโดยไม่ต้องให้ผู้ขับขี่ขึ้นรถ
-
เส้นตัดควรยื่นออกมาในเส้นตัดที่แสดงในรูป
-
ขณะปรับไฟต่ำ ควรปรับในแนวตั้งหลังจากปรับในแนวนอนแล้ว
-
หากติดตั้งอุปกรณ์ปรับระดับไฟหน้า ให้ปรับสวิตช์อุปกรณ์ปรับระดับไฟหน้าด้วยตำแหน่ง 0
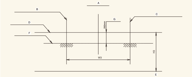
ไฟตัดหมอกด้านหน้า (ถ้ามี)

-
A: แกนแนวตั้ง
-
B: เส้นแนวตั้งของศูนย์กลางหลอดไฟตัดหมอกด้านซ้าย
-
C: เส้นแนวตั้งของศูนย์กลางหลอดไฟตัดหมอกด้านขวา
-
D: เส้นแนวนอนของศูนย์กลางหลอดไฟตัดหมอก
-
E: พื้น
-
F: เส้นตัด
-
G: ขีดจำกัดด้านบน
การทำงาน
-
เปิดไฟตัดหมอกด้านหน้าโดยไม่ต้องให้ผู้ขับขี่ขึ้นรถ
-
เส้นตัดควรยื่นออกมาในขอบเขตที่อนุญาต (พื้นที่แรเงา)