Λαμπτήρες προβολέας και μπροστινών προβολέων ομίχλης (για την Ευρώπη) προβολέας και μπροστινοί προβολείς ομίχλης (για την Ευρώπη)
Ρύθμιση δέσμης προβολέων


Διαδικασία
-
Φουσκώστε τα λάστιχα έτσι ώστε να έχουν την προβλεπόμενη πίεση και αφαιρέστε κάθε φορτίο από το όχημα, με την εξαίρεση του οδηγού, της ρεζέρβας και των εργαλείων.
-
Το όχημα θα πρέπει να είναι σταθμευμένο σε επίπεδο έδαφος.
-
Σχεδιάστε δύο κάθετες γραμμές (καθεμία από τις οποίες θα πρέπει να περνάει από το κέντρο του αντίστοιχου προβολέα) και μία οριζόντια γραμμή (που θα πρέπει να περνάει από το κέντρο και των δύο προβολέων).
-
Με τους προβολείς και την μπαταρία σε κανονική κατάσταση, ρυθμίστε τους προβολείς έτσι ώστε το πιο φωτεινό κομμάτι της δέσμης τους να πέφτει πάνω στις οριζόντιες και κάθετες γραμμές.
-
Για να ρυθμίσετε τη μικρή σκάλα προς τα αριστερά ή δεξιά, γυρίστε το κατσαβίδι (1) δεξιόστροφα ή αριστερόστροφα αντίστοιχα. Για να ρυθμίσετε τη μικρή σκάλα προς τα επάνω ή κάτω, γυρίστε το κατσαβίδι (2) δεξιόστροφα ή αριστερόστροφα αντίστοιχα.
Στόχευση μπροστινού προβολέα ομίχλης (Εάν υπάρχει)


Ο μπροστινός προβολέας ομίχλης μπορεί να στοχεύσει με τον ίδιο τρόπο που στοχεύουν οι προβολείς. Με τους μπροστινούς προβολείς ομίχλης και την μπαταρία σε κανονική κατάσταση, στοχεύστε τους μπροστινούς προβολείς ομίχλης.
Διαδικασία
-
Γυρίστε το κατσαβίδι δεξιόστροφα ή αριστερόστροφα για να κατευθύνετε τον μπροστινό προβολέα ομίχλης προς τα πάνω ή προς τα κάτω.
Σημείο στόχευσης


* A: Α: Παραπέτασμα
|
Κατάσταση οχήματος |
Προβολέας , |
Μπροστινός προβολέας ομίχλης (τύπου LED) (εάν περιλαμβάνεται στον εξοπλισμό) |
|||||
|---|---|---|---|---|---|---|---|
|
Ύψος από το έδαφος |
Απόσταση μεταξύ των προβολέων |
Ύψος από το έδαφος |
Απόσταση μεταξύ των προβολέων |
||||
|
Μικρή/μεγάλη σκάλα |
Μικρή/μεγάλη σκάλα |
||||||
|
H1 |
H2 |
W1 |
W2 |
H3 |
W3 |
||
|
χωρίς οδηγό [χιλ. (ίντσες)] |
Τύπος Α |
745,9 (29,4) |
1.470,4 (57,9) |
373,7 (14,7) |
1.034 (40,7) |
||
|
Τύπος Β |
768,6 (30,3) |
699,6 (27,5) |
1.479,8 (58,3) |
1.478,5 (58,2) |
|||
|
με οδηγό [χιλ. (ίντσες)] |
Τύπος Α |
735,9 (29,0) |
1.470,4 (57,9) |
363,7 (14,3) |
1.034 (40,7) |
||
|
Τύπος Β |
758,6 (30,0) |
689,6 (27,1) |
1.479,8 (58,3) |
1.478,5 (58,2) |
|||
Μικρή σκάλα προβολέων (αριστεροτίμονο όχημα)

-
Α: Άξονας οχήματος
-
Β: Κάθετη γραμμή στο κέντρο του αριστερού προβολέα
-
C: Κάθετη γραμμή στο κέντρο του δεξιού προβολέα
-
D: Οριζόντια γραμμή στο κέντρο των προβολέων
-
Ε: Έδαφος
-
F: Γραμμή αποκοπής
Διαδικασία
-
Ανάψτε τη μικρή σκάλα, χωρίς να επιβαίνει ο οδηγός στο όχημα.
-
Η γραμμή αποκοπής θα πρέπει να βρίσκεται στο σημείο που βλέπετε στην εικόνα.
-
Κατά τη ρύθμιση της μικρής σκάλας, θα πρέπει να ρυθμίσετε τη δέσμη του φωτός πρώτα κάθετα και μετά οριζόντια.
-
Αν οι προβολείς διαθέτουν σύστημα ευθυγράμμισης, γυρίστε τον διακόπτη του συστήματος ευθυγράμμισης προβολέων στη θέση 0.
Μικρή σκάλα προβολέων (δεξιοτίμονο όχημα)

-
Α: Άξονας οχήματος
-
Β: Κάθετη γραμμή στο κέντρο του αριστερού προβολέα
-
C: Κάθετη γραμμή στο κέντρο του δεξιού προβολέα
-
D: Οριζόντια γραμμή στο κέντρο των προβολέων
-
Ε: Έδαφος
-
F: Γραμμή αποκοπής
Διαδικασία
-
Ανάψτε τη μικρή σκάλα, χωρίς να επιβαίνει ο οδηγός στο όχημα.
-
Η γραμμή αποκοπής θα πρέπει να βρίσκεται στο σημείο που βλέπετε στην εικόνα.
-
Κατά τη ρύθμιση της μικρής σκάλας, θα πρέπει να ρυθμίσετε τη δέσμη του φωτός πρώτα κάθετα και μετά οριζόντια.
-
Αν οι προβολείς διαθέτουν σύστημα ευθυγράμμισης, γυρίστε τον διακόπτη του συστήματος ευθυγράμμισης προβολέων στη θέση 0.
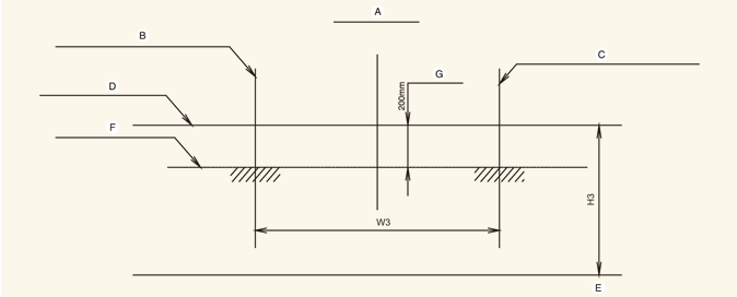
Εμπρός προβολέας ομίχλης (Εάν υπάρχει)

-
Α: Άξονας οχήματος
-
Β: Κάθετη γραμμή στο κέντρο του αριστερού προβολέα
-
C: Κάθετη γραμμή στο κέντρο του δεξιού προβολέα
-
D: Οριζόντια γραμμή στο κέντρο των προβολέων
-
Ε: Έδαφος
-
F: Γραμμή αποκοπής
-
G: Ανώτατο όριο
Διαδικασία
-
Ανάψτε τον μπροστινό προβολέα ομίχλης χωρίς να επιβιβαστεί ο οδηγός.
-
Η γραμμή αποκοπής πρέπει να προβάλλεται στο επιτρεπόμενο εύρος (σκιασμένη περιοχή).