A fényszóró és az első ködlámpa beállítása (Európában)
A fényszóró beállítása


Használat
-
Fújja fel a gumiabroncsokat az előírt nyomásra, és távolítsa el az összes súlyt a gépkocsiból a vezető, a pótkerék és a szerszámok kivételével.
-
A gépkocsival vízszintes talajra kell állni.
-
Rajzoljon a képernyőre függőleges vonalakat (amelyek az adott fényszórók középpontjain haladnak át) és egy vízszintes vonalat (amely a fényszórók középpontján halad át).
-
A fényszóró és az akkumulátor normál állapotában állítsa be a fényszórókat úgy, hogy a legfényesebb rész a vízszintes és függőleges vonalakra essen.
-
A tompított fényszóró balra vagy jobbra állításához forgassa a csavarhúzót (1) az óramutató járásával megegyező, illetve ellentétes irányba. A tompított fényszóró felfelé vagy lefelé történő állításához forgassa a csavarhúzót (2) az óramutató járásával megegyező, illetve ellentétes irányba.
Az első ködlámpa beállítása




Az első ködlámpa ugyanazzal a módszerrel állítható be, mint a fényszóró. Ha az első ködlámpa és az elem megfelelő állapotban van, akkor állítsa be az első ködlámpa .
Használat
-
Az elülső ködlámpa beállításához forgassa a csavarhúzót az óra járásával megegyező vagy azzal ellentétes irányba.
Célzópont

* A: Képernyő
|
A gépkocsi állapota |
Elülső fényszóró (LED típus) |
Ködfényszóró (LED-es típus) (felszereltségtől függően) |
|||||
|---|---|---|---|---|---|---|---|
|
Talajtól számított magasság |
Lámpák közötti távolság |
Talajtól számított magasság |
Lámpák közötti távolság |
||||
|
Tompított/országúti fényszóró |
Tompított/országúti fényszóró |
||||||
|
H1 |
H2 |
W1 |
W2 |
H3 |
W3 |
||
|
vezető nélkül [mm (hüvelyk)] |
A típus |
754,1 (29,7) |
689,1 (27,1) |
1456 (57,3) |
1558 (61,3) |
412,5 (16,2) |
1380 (54,3) |
|
B típus |
761,1 (30,0) |
704,1 (27,2) |
1540 (60,6) |
1540 (60,6) |
405,1 (15,9) |
1475 (58,1) |
|
|
vezetővel [mm (hüvelyk)] |
A típus |
744,1 (29,3) |
679,1 (26,3) |
1456 (57,3) |
1558 (61,3) |
402,5 (15,8) |
1380 (54,3) |
|
B típus |
751,1 (29,6) |
694,1 (27,3) |
1540 (60,6) |
1540 (60,6) |
395,1 (15,6) |
1475 (58,1) |
|
Tompított fényszóró (LHD jármű)

-
A: Járműtengely
-
B: A bal oldali fényszóróizzó középpontjának függőleges vonala
-
C: A jobb oldali fényszóróizzó középpontjának függőleges vonala
-
D: A fényszóró izzó középpontjának vízszintes vonala
-
E: Talaj
-
F: Leválasztó vonal
Használat
-
Kapcsolja fel a tompított fényszórót úgy, hogy a vezető ne tartózkodjon a gépkocsiban.
-
A megfelelő törésvonal a képen látható.
-
A tompított fényszóró beállításakor először a vízszintes beállítást, azután a függőleges beállítást kell elvégezni.
-
Ha a gépkocsi fényszóró magasságállító berendezéssel van felszerelve, akkor állítsa a fényszóró magasságállító berendezés kapcsolóját „0” állásba.
Tompított fényszóró (RHD jármű)

-
A: Járműtengely
-
B: A bal oldali fényszóróizzó középpontjának függőleges vonala
-
C: A jobb oldali fényszóróizzó középpontjának függőleges vonala
-
D: A fényszóró izzó középpontjának vízszintes vonala
-
E: Talaj
-
F: Leválasztó vonal
Használat
-
Kapcsolja fel a tompított fényszórót úgy, hogy a vezető ne tartózkodjon a gépkocsiban.
-
A megfelelő törésvonal a képen látható.
-
A tompított fényszóró beállításakor először a vízszintes beállítást, azután a függőleges beállítást kell elvégezni.
-
Ha a gépkocsi fényszóró magasságállító berendezéssel van felszerelve, akkor állítsa a fényszóró magasságállító berendezés kapcsolóját „0” állásba.
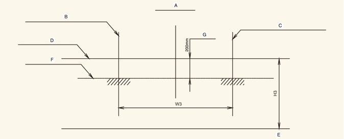
Első ködfényszóró

-
A: Járműtengely
-
B: A bal oldali ködlámpaizzó középpontjának függőleges vonala
-
C: A jobb oldali ködlámpaizzó középpontjának függőleges vonala
-
D: A ködlámpaizzó középpontjának vízszintes vonala
-
E: Talaj
-
F: Leválasztó vonal
-
G: Felső határérték
Használat
-
Kapcsolja be az első ködlámpát úgy, hogy a vezető nem ül az autóban.
-
A kivetített határvonal a megengedett tartományon belül kell legyen (árnyékolt terület).