Регулювання кута нахилу головних фар і передніх протитуманних фар (для Європи) регулювання кута нахилу головних фар і передніх протитуманних фар
Регулювання кута нахилу головних фар


Необхідні дії
-
Накачайте шини до вказаного значення тиску й витягніть з автомобіля весь вантаж, крім запасного колеса й інструментів; водій може залишитися в салоні.
-
Установіть автомобіль на рівну поверхню.
-
На екрані намалюйте вертикальні лінії (вертикальні лінії проходять через центри відповідних головних фар) і горизонтальну лінію (горизонтальна лінія проходить через центр головних фар).
-
Якщо головна фара та акумулятор в нормальному стані, вирівняйте лампи головних фар так, щоб найяскравіше світло падало на горизонтальну й вертикальні лінії.
-
Щоб направити ближнє світло вліво або вправо, поверніть викрутку (1) за годинниковою або проти годинникової стрілки. Щоб направити ближнє світло вгору або вниз, поверніть викрутку (2) за годинниковою стрілкою або проти годинникової стрілки.
Регулювання передньої протитуманної фари (за наявності)


Для передніх протитуманних фар регулювання кута нахилу можна виконати так само, як для головних фар. Регулюйте кут нахилу передніх протитуманних фар, коли самі фари й акумулятор знаходяться в нормальному стані.
Необхідні дії
-
Щоб направити передні протитуманні фари вгору або вниз, поверніть викрутку за годинниковою стрілкою або проти годинникової стрілки.
Точка наведення


* A: екран
|
Стан автомобіля |
Головна фара |
Передня протитуманна фара (світлодіодний тип) (за наявності) |
|||||
|---|---|---|---|---|---|---|---|
|
Висота від землі |
Відстань між лампами |
Висота від землі |
Відстань між лампами |
||||
|
Ближнє/дальнє світло |
Ближнє/дальнє світло |
||||||
|
H1 |
H2 |
W1 |
W2 |
H3 |
W3 |
||
|
Без водія [мм (дюймів)] |
Тип А |
745,9 (29,4) |
1 470,4 (57,9) |
373,7 (14,7) |
1 034 (40,7) |
||
|
Тип В |
768,6 (30,3) |
699,6 (27,5) |
1 479,8 (58,3) |
1 478,5 (58,2) |
|||
|
З водієм [мм (дюймів)] |
Тип А |
735,9 (29,0) |
1 470,4 (57,9) |
363,7 (14,3) |
1 034 (40,7) |
||
|
Тип В |
758,6 (30,0) |
689,6 (27,1) |
1 479,8 (58,3) |
1 478,5 (58,2) |
|||
Ближнє світло головних фар (автомобілів із розташуванням керма з лівого боку)

-
A: вісь автомобіля
-
B: вертикальна лінія центра лампи лівої головної фари
-
C: вертикальна лінія центра лампи правої головної фари
-
D: горизонтальна лінія центра лампи головної фари
-
E: земля
-
F: лінія межі між світлом s тінню
Необхідні дії
-
Увімкніть ближнє світло, коли нікого немає на місці водія.
-
Світлотіньова межа повинна потрапляти на лінію відсічення, як показано на рисунку.
-
Під час наведення ближнього світла вертикальне наведення слід коригувати після горизонтального.
-
Якщо на автомобілі встановлено компенсаційний пристрій для головних фар, установіть його перемикач у нульове положення.
Ближнє світло головних фар (автомобілів із розташуванням керма з правого боку)

-
A: вісь автомобіля
-
B: вертикальна лінія центра лампи лівої головної фари
-
C: вертикальна лінія центра лампи правої головної фари
-
D: горизонтальна лінія центра лампи головної фари
-
E: земля
-
F: лінія межі між світлом s тінню
Необхідні дії
-
Увімкніть ближнє світло, коли нікого немає на місці водія.
-
Світлотіньова межа повинна потрапляти на лінію відсічення, як показано на рисунку.
-
Під час наведення ближнього світла вертикальне наведення слід коригувати після горизонтального.
-
Якщо на автомобілі встановлено компенсаційний пристрій для головних фар, установіть його перемикач у нульове положення.
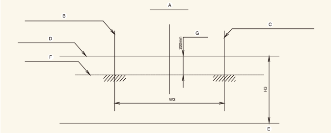
Передня протитуманна фара (за наявності)

-
A: вісь автомобіля
-
B: вертикальна лінія центра лампи лівої протитуманної фари
-
C: вертикальна лінія центра лампи правої протитуманної фари
-
D: горизонтальна лінія центра лампи протитуманної фари
-
E: земля
-
F: лінія межі між світлом s тінню
-
G: верхня межа
Необхідні дії
-
Поверніть передню протитуманну фару, коли нікого немає на місці водія.
-
Світлотіньова межа повинна знаходитися в межах допустимого діапазону (заштрихована область).