כוונון האלומה של הפנסים הראשיים ופנסי הערפל (עבור אירופה)
כיוון הפנסים הקדמיים


פעולה
-
נפח את הצמיגים ללחץ הנקוב והוצא מהרכב את כל הנוסעים והמטען למעט הנהג, הגלגל הרזרבי וערכת הכלים.
-
החנה את הרכב על קרקע ישרה ומפולסת.
-
שרטט על המסך קווים אנכיים (קווים אנכיים שעוברים בדיוק מול מרכזי הפנסים הקדמיים בהתאמה) וקו אופקי (שעובר דרך מרכז הפנסים הקדמיים).
-
כשהפנסים הראשיים פועלים והמצבר במצב תקין, כוון את הפנסים הראשיים כך שהחלק הבהיר ביותר של אלומת האור פוגע בקווים האופקיים ובקו האנכי.
-
כדי לכוון את האלומה הנמוכה שמאלה או ימינה, סובב את המברג (1) עם כיוון השעון או נגד כיוון השעון. כדי לכוון את האלומה הנמוכה מעלה או מטה, סובב את המברג (2) עם כיוון השעון או נגד כיוון השעון.
כיוון פנסי הערפל הקדמיים (אם מצויד)


את פנסי הערפל הקדמיים אפשר לכוון באותה צורה כמו את הפנסים הראשיים. כשפנסי הערפל הקדמיים פועלים ומצב המצבר תקין, כוון את פנסי הערפל הקדמיים.
פעולה
-
סובב את המברג עם כיוון השעון או נגד כיוון השעון כדי לכוון את פנס הערפל הקדמי למעלה או למטה.
נקודת כיוון


* A: מסך
|
מצב הרכב |
פנסים ראשיים |
פנס ערפל קדמי (מסוג LED) (אם קיים ברכב) |
|||||
|---|---|---|---|---|---|---|---|
|
גובה פני הקרקע |
מרחק בין הפנסים |
גובה פני הקרקע |
מרחק בין הפנסים |
||||
|
אור נמוך/גבוה |
אור נמוך/גבוה |
||||||
|
H1 |
H2 |
W1 |
W2 |
H3 |
W3 |
||
|
ללא נהג [מ"מ (אינץ’)] |
סוג A |
727.4 (28.6) |
1,470.4 (57.9) |
354.8 (14.0) |
1,060 (41.7) |
||
|
סוג B |
750.0 (29.5) |
681.1 (26.8) |
1,479.8 (58.3) |
1,478.5 (58.2) |
|||
|
עם נהג [מ"מ (אינץ’)] |
סוג A |
717.4 (28.2) |
1,470.4 (57.9) |
344.8 (13.6) |
1,060 (41.7) |
||
|
סוג B |
740.0 (29.1) |
671.1 (26.4) |
1,479.8 (58.3) |
1,478.5 (58.2) |
|||
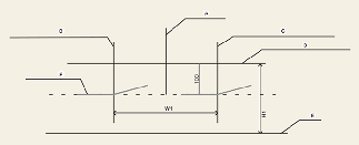
האלומה הנמוכה של הפנסים הקדמיים (ברכב שגלגל ההגה מותקן בצד שמאל)

-
A: מרכז הרכב
-
B: קו אנכי מול מרכז הנורה של פנס הראשי השמאלי
-
C: קו אנכי מול מרכז הנורה של הפנס הראשי הימני
-
D: קו אופקי מול מרכזי הנורות של פנסי הערפל
-
E: ארקה
-
F: קו החיתוך של אלומת האור
פעולה
-
הפעל את האלומה הנמוכה וצא מהרכב.
-
קו החיתוך של אלומת האור צריך להימצא באזור המתואר בתרשים.
-
כוון את האלומה הנמוכה קודם כל בציר האופקי ורק אחר כך בציר האנכי.
-
אם הרכב מצויד במנגנון לכוונון גובה האלומה של הפנסים הראשיים, כוון את המתג למצב 0.
האלומה הנמוכה של הפנסים הקדמיים (ברכב שגלגל ההגה מותקן בצד ימין)

-
A: מרכז הרכב
-
B: קו אנכי מול מרכז הנורה של פנס הראשי השמאלי
-
C: קו אנכי מול מרכז הנורה של הפנס הראשי הימני
-
D: קו אופקי מול מרכזי הנורות של פנסי הערפל
-
E: ארקה
-
F: קו החיתוך של אלומת האור
פעולה
-
הפעל את האלומה הנמוכה וצא מהרכב.
-
קו החיתוך של אלומת האור צריך להימצא באזור המתואר בתרשים.
-
כוון את האלומה הנמוכה קודם כל בציר האופקי ורק אחר כך בציר האנכי.
-
אם הרכב מצויד במנגנון לכוונון גובה האלומה של הפנסים הראשיים, כוון את המתג למצב 0.
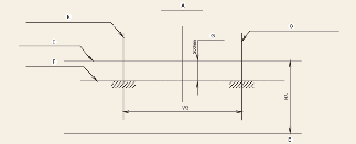
פנס ערפל קדמי (אם מצויד)

-
A: מרכז הרכב
-
B: קו אנכי מול מרכז הנורה של פנס הערפל השמאלי
-
C: קו אנכי מול מרכז הנורה של פנס הערפל הימני
-
D: קו אופקי מול מרכזי הנורות של פנסי הערפל
-
E: ארקה
-
F: קו החיתוך של אלומת האור
-
G: גבול עליון
פעולה
-
הפעל את פנסי הערפל הקדמיים וצא מהרכב.
-
קו החיתוך של אלומת האור צריך להימצא בתחום המותר (האזור האפור בתרשים).