Direcție far și lumină ceață față (pentru Europa)
Direcție far


-
Umflați pneurile la presiunea specificată și eliminați orice sarcină asupra vehiculului, cu excepția piesei de antrenare, a pneului de rezervă și a uneltelor.
-
Vehiculul trebuie să fie așezat pe o suprafață plată.
-
Desenați pe ecran linii verticale (linii verticale care să treacă prin centrul farurilor respective) și o linie orizontală (linie orizontală care să treacă prin centrul lămpilor).
-
Cu farul și bateria în stare normală, direcționați farurile astfel încât porțiunea cea mai luminoasă să cadă pe liniile orizontale și verticale.
-
Pentru a direcționa faza scurtă și faza lungă spre stânga sau spre dreapta, rotiți piesa de antrenare (1) spre dreapta sau spre stânga. Pentru a direcționa faza scurtă și faza lungă în sus sau în jos, rotiți piesa de antrenare (2) spre dreapta sau spre stânga.
Direcție lumină ceață față

Lumina de ceață față poate fi direcționată în același mod ca direcția farurilor.
Cu luminile de ceață față și baterie în stare normală, direcționați luminile de ceață față.
Pentru a direcționa lumina de ceață față în sus sau în jos, rotiți piesa de antrenare spre dreapta sau spre stânga.
Punct de direcție

* A: Ecran
Unitate: mm (in)
|
Stare vehicul |
Far (Halogen) |
Far (tip LED) |
||||||
|---|---|---|---|---|---|---|---|---|
|
Înălțimea solului |
Distanța dintre lămpi |
Înălțimea solului |
Distanța dintre lămpi |
|||||
|
Fază scurtă |
Fază lungă |
Fază scurtă |
Fază lungă |
Fază scurtă |
Fază lungă |
Fază scurtă |
Fază lungă |
|
|
Î1 |
Î2 |
l1 |
l2 |
Î1' |
H2' |
l1' |
W2' |
|
|
Fără piesă de antrenare |
841 (33,1) |
841 (33,1) |
1411 (55,6) |
1411 (55,6) |
851 (33,5) |
851 (33,5) |
1.384 (54,5) |
1.384 (54,5) |
|
Cu piesă de antrenare |
836 (32,9) |
836 (32,9) |
1411 (55,6) |
1411 (55,6) |
846 (33,3) |
846 (33,3) |
1.384 (54,5) |
1.384 (54,5) |
|
Stare vehicul |
Lumină ceață față (tip bec) |
|
|---|---|---|
|
Înălțimea solului |
Distanța dintre lămpi |
|
|
Î3 |
l3 |
|
|
Fără piesă de antrenare |
569 (22,4) |
1.548 (61,0) |
|
Cu piesă de antrenare |
564 (22,2) |
1.548 (61,0) |

A: linie verticală din centrul becului farului stânga (inferior)
B: Linie verticală din centrul becului farului dreapta (de jos)
C: Linie orizontală din centrul becului farului (de jos)
D: Linie de întrerupere
E: Ax autoturism
F: Sol
-
Porniți faza scurtă fără piesa de antrenare la bord.
-
Linia de ecranare ar trebui să fie proiectată în linia de ecranare afișată în imagine.
-
Atunci când direcționați faza scurtă, direcția verticală ar trebui să fie ajustată după ajustarea direcției orizontale.
-
Dacă este echipat un dispozitiv de egalizare a farurilor, ajustați comutatorul dispozitivului de egalizare a farurilor cu 0 poziții.

A: linie verticală din centrul becului farului stânga (inferior)
B: Linie verticală din centrul becului farului dreapta (de jos)
C: Linie orizontală din centrul becului farului (de jos)
D: Linie de întrerupere
E: Ax autoturism
F: Sol
-
Porniți faza scurtă fără piesa de antrenare la bord.
-
Linia de ecranare ar trebui să fie proiectată în linia de ecranare afișată în imagine.
-
Atunci când direcționați faza scurtă, direcția verticală ar trebui să fie ajustată după ajustarea direcției orizontale.
-
Dacă este echipat un dispozitiv de egalizare a farurilor, ajustați comutatorul dispozitivului de egalizare a farurilor cu 0 poziții.

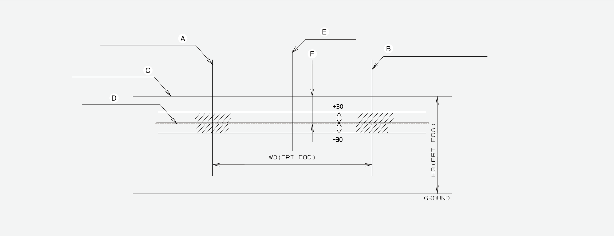
A: Linie verticală din centrul becului farului ceață stânga
B: Linie verticală din centrul becului farului ceață dreapta
C: Linie orizontală a centrului becului luminii ceaţă (inferior)
D: Linie de întrerupere
E: Ax autoturism
F: Limită superioară
G: Sol
-
Porniți lumina de ceață față fără șofer la bord.
-
Linia de ecranare trebuie proiectată în intervalul permisibil (regiunea hașurată).