Koplamp en mistverlichting voorzijde afstellen (voor Europa)koplamp en mistverlichting voorzijde afstellen (voor Europa)
Koplampen afstellen


Procedure
-
Pomp de banden tot de gewenste bandenspanning op en haal alle lading uit de auto behalve de bestuurder, reserveband en gereedschap.
-
Parkeer de auto op een egale ondergrond.
-
Teken verticale lijnen (door de middelpunten van elk van de koplampen) en een horizontale lijn (door de middelpunten van de koplampen) op het scherm.
-
Controleer of de accu voldoende geladen is, schakel de koplampen in en stel de koplampen zo af dat het helderste gedeelte van de lichtbundel op de horizontale en verticale lijnen valt.
-
Draai de schroevendraaier (1) rechtsom of linksom om de dimlichtbundel naar links of rechts te verstellen. Draai de schroevendraaier (2) rechtsom of linksom om de dimlichtbundel naar boven of onder te verstellen.
Mistlamp voorzijde afstellen (indien van toepassing)


De mistlamp aan de voorkant kan op dezelfde manier worden afgesteld als de koplampen. Stel de mistlampen aan de voorzijde af wanneer ze goed functioneren en de accu ook goed functioneert.
Procedure
-
Draai de schroevendraaier rechtsom of linksom om de mistlamp aan de voorzijde omhoog of omlaag te richten.
Afstelpunt


* A: Scherm
|
Staat van de auto |
Koplamp |
Mistlamp voorzijde (type ledlamp) (indien aanwezig) |
|||||
|---|---|---|---|---|---|---|---|
|
Grondspeling |
Afstand tussen lampen |
Grondspeling |
Afstand tussen lampen |
||||
|
Dimlicht/grootlicht |
Dimlicht/grootlicht |
||||||
|
H1 |
H2 |
W1 |
W2 |
H3 |
W3 |
||
|
zonder bestuurder [mm (in)] |
Type A |
745,9 (29,4) |
1.470,4 (57,9) |
373,7 (14,7) |
1.034 (40,7) |
||
|
Type B |
768,6 (30,3) |
699,6 (27,5) |
1.479,8 (58,3) |
1.478,5 (58,2) |
|||
|
met bestuurder [mm (in)] |
Type A |
735,9 (29,0) |
1.470,4 (57,9) |
363,7 (14,3) |
1.034 (40,7) |
||
|
Type B |
758,6 (30,0) |
689,6 (27,1) |
1.479,8 (58,3) |
1.478,5 (58,2) |
|||
Koplamp dimlicht (stuur links)

-
A: As van auto
-
B: Verticale lijn door middelpunt van linker koplamp
-
C: Verticale lijn door middelpunt van rechter koplamp
-
D: Horizontale lijn door middelpunt van koplamp
-
E: Grond
-
F: Scheidingslijn
Procedure
-
Zet het dimlicht aan zonder de bestuurder in de auto.
-
De scheidingslijn moet worden geprojecteerd op de plaats van de scheidingslijn in de afbeelding.
-
Bij het afstellen van het dimlicht, stelt u eerst horizontaal af, en vervolgens verticaal.
-
Als het voertuig is uitgerust met een schakelaar om de koplampen af te stellen, stelt u de schakelaar ervan in met 0 standen.
Koplamp dimlicht (stuur rechts)

-
A: As van auto
-
B: Verticale lijn door middelpunt van linker koplamp
-
C: Verticale lijn door middelpunt van rechter koplamp
-
D: Horizontale lijn door middelpunt van koplamp
-
E: Grond
-
F: Scheidingslijn
Procedure
-
Zet het dimlicht aan zonder de bestuurder in de auto.
-
De scheidingslijn moet worden geprojecteerd op de plaats van de scheidingslijn in de afbeelding.
-
Bij het afstellen van het dimlicht, stelt u eerst horizontaal af, en vervolgens verticaal.
-
Als het voertuig is uitgerust met een schakelaar om de koplampen af te stellen, stelt u de schakelaar ervan in met 0 standen.
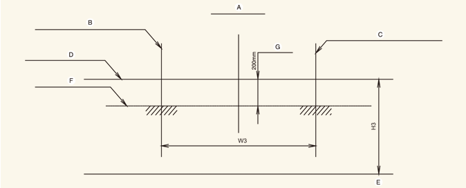
Mistlamp voorzijde (indien van toepassing)

-
A: As van auto
-
B: Verticale lijn door middelpunt van linker mistlamp
-
C: Verticale lijn door middelpunt van rechter mistlamp
-
D: Horizontale lijn door middelpunt van mistlamp
-
E: Grond
-
F: Scheidingslijn
-
G: Bovenste grenswaarde
Procedure
-
Schakel de mistlamp aan de voorzijde in zonder de bestuurder in de auto.
-
De scheidingslijn moet binnen het toegestane bereik (gearceerd gebied) worden geprojecteerd.