Inställning av strålkastare och dimljus (Europa)
Inställning av strålkastare


-
Pumpa däcken till angivet lufttryck och ha ingen last i bilen utöver förare, reservdäck och verktyg.
-
Fordonet ska stå på ett plant golv.
-
Rita vertikala linjer (genom centrum på respektive strålkastare) och en horisontell linje (den horisontella linjen ska gå genom centrum på respektive strålkastare) på väggen.
-
Strålkastarlampor och batteri ska vara i god kondition. Ställ in strålkastarna så att det ljusaste fältet riktas mot de horisontella och vertikala linjerna.
-
Vrid skruvmejsel (1) medurs eller moturs för att rikta halvljuset åt vänster eller höger. Vrid skruvmejsel (2) medurs eller moturs för att höja eller sänka halv- och helljus.
Inställning av dimljus fram

Det främre dimljuset kan riktas in på samma sätt som strålkastarna.
Rikta in de främre dimljusen då dimljusen och batteriet är i normalt tillstånd.
Vrid skruvmejseln medurs eller moturs för att höja eller sänka främre dimstrålkastare.
Riktmärke

* A: Skärm
Enhet: mm
|
Bilens kondition |
Strålkastare (Halogen) |
Strålkastare (LED-typ) |
||||||
|---|---|---|---|---|---|---|---|---|
|
Markhöjd |
Avstånd mellan lamporna |
Markhöjd |
Avstånd mellan lamporna |
|||||
|
Halvljus |
Helljus |
Halvljus |
Helljus |
Halvljus |
Helljus |
Halvljus |
Helljus |
|
|
H1 |
H2 |
W1 |
W2 |
H1' |
H2' |
W1' |
W2' |
|
|
Utan drivare |
841 (33,1) |
841 (33,1) |
1411 (55,6) |
1411 (55,6) |
851 (33,5) |
851 (33,5) |
1 384 (54,5) |
1 384 (54,5) |
|
Med drivare |
836 (32,9) |
836 (32,9) |
1411 (55,6) |
1411 (55,6) |
846 (33,3) |
846 (33,3) |
1 384 (54,5) |
1 384 (54,5) |
|
Bilens kondition |
Främre dimljus (med glödlampa) |
|
|---|---|---|
|
Markhöjd |
Avstånd mellan lamporna |
|
|
H3 |
W3 |
|
|
Utan drivare |
569(22,4) |
1 548 (61,0) |
|
Med drivare |
564(22,2) |
1 548 (61,0) |

A: Vertikal linje för glödlampans mitt i vänster strålkastare (halvljus)
B: Vertikal linje för glödlampans mitt i höger strålkastare (halvljus)
C: Horisontell linje för strålkastarens mitt (halvljus)
D: Avgränsningslinje
E: Bilens axel
F : Mark
-
Tänd halvljuset utan förare i bilen.
-
Avgränsningslinjen ska visas enligt bilden.
-
När du ställer in halvljuset ska den vertikala justeringen göras efter den horisontella.
-
Om bilen har ett reglage för strålkastarinställning ska det ställas in på läget 0.

A: Vertikal linje för glödlampans mitt i vänster strålkastare (halvljus)
B: Vertikal linje för glödlampans mitt i höger strålkastare (halvljus)
C: Horisontell linje för strålkastarens mitt (halvljus)
D: Avgränsningslinje
E: Bilens axel
F : Mark
-
Tänd halvljuset utan förare i bilen.
-
Avgränsningslinjen ska visas enligt bilden.
-
När du ställer in halvljuset ska den vertikala justeringen göras efter den horisontella.
-
Om bilen har ett reglage för strålkastarinställning ska det ställas in på läget 0.

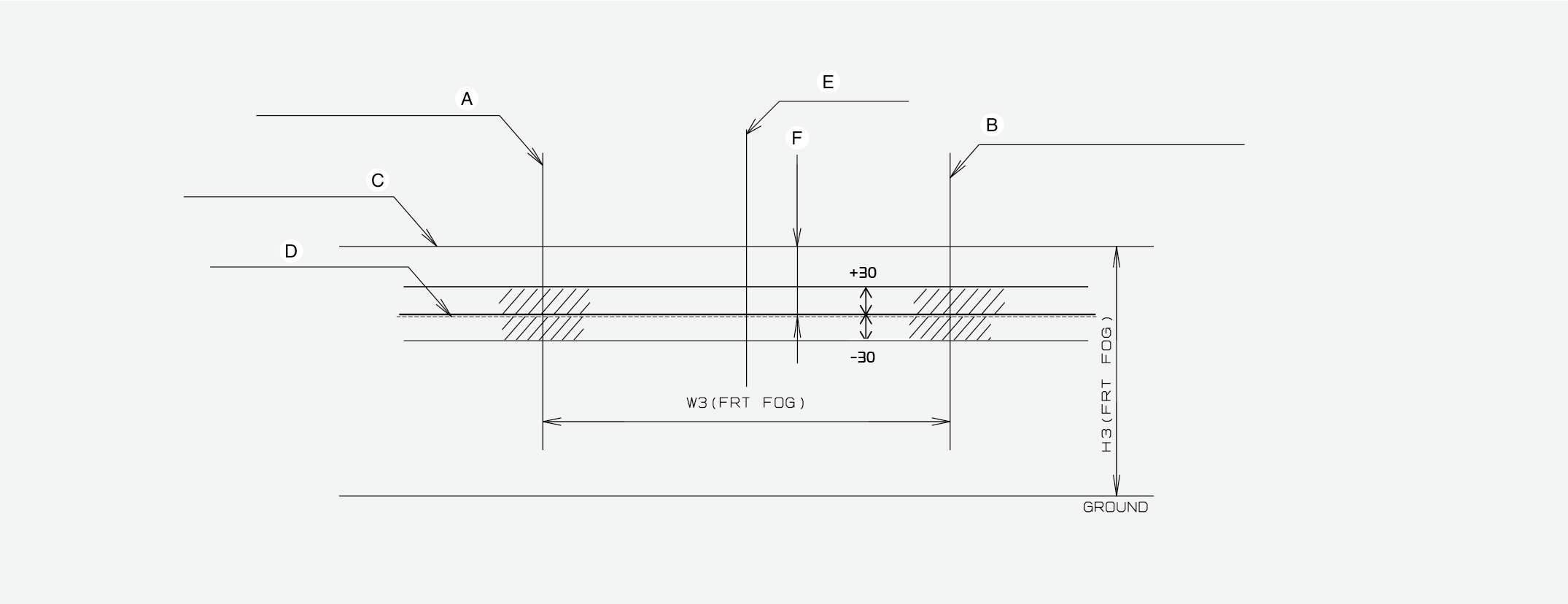
A: Vertikal linje för glödlampans mitt i vänster dimljus
B: Vertikal linje för glödlampans mitt i höger dimljus
C: Horisontell linje för glödlampans mitt (halvljus)
D: Avgränsningslinje
E: Bilens axel
F: Övre gräns
G: Mark
-
Tänd det främre dimljuset utan att föraren är i bilen.
-
Avgränsningslinjen bör visas inom det tillåtna området (skuggad del).