Ajovalojen ja etusumuvalon suuntaus (Euroopassa)
Ajovalojen suuntaus


Käyttö
-
Täytä renkaat määritettyihin paineisiin ja poista autosta muu kuorma kuin kuljettaja, vararengas ja työkalut.
-
Auto on sijoitettava tasaiselle alustalle.
-
Piirrä taustalle pystysuorat viivat (jotka kulkevat kunkin ajovalon lampun keskipisteen kautta) ja vaakasuora viiva (joka kulkee ajovalojen lamppujen keskipisteen kautta).
-
Kun ajovalot ja akku ovat normaalissa kunnossa, kohdista ajovalot siten, että kirkkain osa osuu vaaka- ja pystysuorille viivoille.
-
Suuntaa lähivaloa vasemmalle tai oikealle kiertämällä ruuvimeisselillä (1) myötäpäivään tai vastapäivään. Suuntaa lähivaloa ylös tai alas kiertämällä ruuvia (2) myötä- tai vastapäivään.
Etusumuvalon lampun suuntaaminen (jos kuuluu varustukseen)


Etusumuvalo voidaan suunnata samalla tavalla kuin ajovalot. Suuntaa etusumuvalot, kun etusumuvalot ja akku ovat normaalissa tilassa.
Käyttö
-
Kierrä ruuvitaltalla ruuvia myötä- tai vastapäivään etusumuvalon kääntämiseksi ylöspäin tai alaspäin.
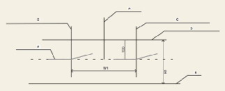
Kohdistuspiste


* A: Näyttö
|
Auton tila |
Ajovalo |
Etusumuvalo (LED-tyyppi) (jos kuuluu varusteisiin) |
|||||
|---|---|---|---|---|---|---|---|
|
Korkeus maasta |
Lamppujen välinen etäisyys |
Korkeus maasta |
Lamppujen välinen etäisyys |
||||
|
Lähi-/pitkät valot |
Lähi-/pitkät valot |
||||||
|
H1 |
H2 |
W1 |
W2 |
H3 |
W3 |
||
|
ilman kuljettajaa [mm (tuumaa)] |
Tyyppi A |
727,4 (28,6) |
1 470,4 (57,9) |
354,8 (14,0) |
1 060 (41,7) |
||
|
Tyyppi B |
750,0 (29,5) |
681,1 (26,8) |
1 479,8 (58,3) |
1 478,5 (58,2) |
|||
|
kuljettajan kanssa [mm (tuumaa)] |
Tyyppi A |
717,4 (28,2) |
1 470,4 (57,9) |
344,8 (13,6) |
1 060 (41,7) |
||
|
Tyyppi B |
740,0 (29,1) |
671,1 (26,4) |
1 479,8 (58,3) |
1 478,5 (58,2) |
|||
Ajovalo pitkät valot (LHD-auto)

-
A: Auton akseli
-
B: Pystysuora linja vasemman ajovalon polttimon keskeltä
-
C: Pystysuora linja oikean ajovalon polttimon keskeltä
-
D: Vaakasuora viiva ajovalon polttimon keskellä
-
E: Maa
-
F: Leikkauslinja
Käyttö
-
Kytke lähivalot päälle ilman, että ajoneuvossa on kuljettajaa.
-
Leikkauslinjan on kohdistuttava kuvassa esitettyyn leikkauslinjaan.
-
Suunnattaessa lähivaloja pystysuora suuntaus on säädettävä vaakasuoran suuntauksen jälkeen.
-
Jos ajovalojen tasauslaite kuuluu varusteisiin, säädä ajovalot tasauslaitteen kytkin 0-asennossa.
Ajovalo pitkät valot (RHD-auto)

-
A: Auton akseli
-
B: Pystysuora linja vasemman ajovalon polttimon keskeltä
-
C: Pystysuora linja oikean ajovalon polttimon keskeltä
-
D: Vaakasuora viiva ajovalon polttimon keskellä
-
E: Maa
-
F: Leikkauslinja
Käyttö
-
Kytke lähivalot päälle ilman, että ajoneuvossa on kuljettajaa.
-
Leikkauslinjan on kohdistuttava kuvassa esitettyyn leikkauslinjaan.
-
Suunnattaessa lähivaloja pystysuora suuntaus on säädettävä vaakasuoran suuntauksen jälkeen.
-
Jos ajovalojen tasauslaite kuuluu varusteisiin, säädä ajovalot tasauslaitteen kytkin 0-asennossa.
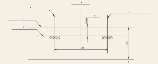
Etusumuvalo (jos kuuluu varustukseen)

-
A: Auton akseli
-
B: Pystysuora linja vasemman sumuvalon polttimon keskeltä
-
C: Pystysuora linja oikean sumuvalon polttimon keskeltä
-
D: Vaakasuora viiva sumuvalon polttimon keskellä
-
E: Maa
-
F: Leikkauslinja
-
G: Yläraja
Käyttö
-
Kytke sumuvalo päälle ilman, että autossa on kuljettajaa.
-
Reunan on osuttava sallitulle alueelle (varjostettu alue).